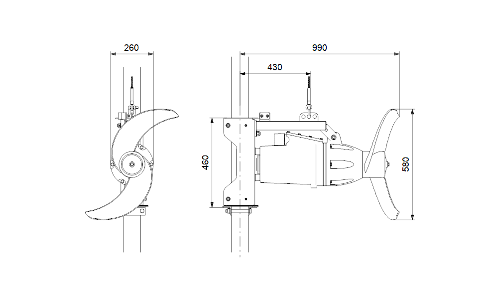
SMG.75.58 .A.343.5.1B
Die Grundfos SMG-Baureihe der horizontalen Tauchrührwerke ist für Misch- und Rühr-Anwendungen konzipiert, d.h. für die Homogenisierung von Flüssigkeiten mit niedriger bis mittlerer Viskosität. Die Tauchrührwerke sind mit einem Getriebe und einem energieeffizienten Propeller ausgestattet.
Der Kurzschlussläufer-Asynchronmotor ist gegen Überlastung mit drei Thermobimetallschaltern (PTO) in den Motorwicklungen geschützt. Die Rührwerke sind mit IE3 Motorkomponenten ausgestattet.
Um das Eindringen der umgebenden Flüssigkeit zu verhindern, haben die SMG-Tauchrührwerke zwei FKM Radiallippendichtungen und eine keramikbeschichtete Verschleißbuchse sowie je nach Baugröße eine Gleitringdichtung aus Siliziumkarbid/Siliziumkarbid oder Wolframkarbid/Wolframkarbid. Die Dichtflächen der zweiten Gleitringdichtung, die zwischen dem Getriebe und dem Motor angeordnet ist, besteht aus synthetischer Kohle/Aluminiumoxid.
Das ölgefüllte Getriebegehäuse wird durch einen im Getriebe standardmässig eingebauten Leckagesensor auf mögliches Eindringen von Wasser überwacht. Der Sensor kann ein Alarmsignal auslösen und/oder den Motor mit Hilfe eines externen Grundfos Relais Typ ALR-20/A abschalten.
Im Getriebegehäuse sind Kegelrollenlager eingebaut, die die axialen Kräfte des Propellers aufnehmen.
Die SMG-Baureihe ist in Leistungsgrössen von 0.9 bis 18.0 kW erhältlich.
Eine grosse Auswahl von Installationszubehör aus rostfreiem Stahl AISI 304/316 gewährleistet eine einfache Montage und einen langjährigen störungsfreien Betrieb.
| Technische Daten: | ||
| Schub-Leistungsverhältnis: | 0.195 | |
| Axialkraft: | 1490 N | |
| Nennförderstrom: | 444 l/s | |
| Hauptströmungsgeschwindigkeit: | 1.68 m/s | |
| Propellerdrehzahl: | 343 1/min | |
| Tip speed: | 10.4 m/s | |
| Drehmoment: | 4.286 | |
| Propellerdurchmesser: | 580 mm | |
| Anzahl der Propellerflügel: | 2 | |
| Gleitringdichtung: | 2 RADIAL LIP SEALS | |
| ISO Abnahmekl.: | ISO9906:2012 3B | |
| Werkstoffe: | ||
| Motor: | AISI EN-GJL-250 | |
| Propeller: | 1.4301 | |
| Nabe: | AISI 1.4301 | |
| Lackstärke: | 450 micrometre | |
| Secondary shaft seal: | CARBIDE/CARBIDE | |
| Installation: | ||
| Maximum installation depth: | 20 m | |
| Fördermedium: | ||
| Medientemperaturbereich: | 5 .. 40 °C | |
| Elektrische Daten: | ||
| Leistungsaufnahme P1: | 8.5 kW | |
| Aktuelle Leistungsaufnahme: | 7.66 kW | |
| Motorbemessungsleistung P2: | 7.5 kW | |
| Netzfrequenz: | 50 Hz | |
| Bemessungsspannung: | 3 x 400-415 V | |
| Spannungstoleranz: | +6/-10 % | |
| Bemessungsstrom: | 15.5 A | |
| Anlaufstrom: | 109 A | |
| Cos phi - Leistungsfaktor: | 0.80 | |
| Cos phi bei 3/4 Last: | 0.73 | |
| Cos phi bei 1/2 Last: | 0.59 | |
| Bemessungsdrehzahl: | 1464 1/min | |
| Motorwirkungsgrad bei Vollast: | 89.8 % | |
| Motorwirkungsgrad bei 3/4 Last: | 90.1 % | |
| Motorwirkungsgrad bei halber Last: | 88.8 % | |
| Motorpole: | 4 | |
| Einschaltart: | Stern/Dreieck | |
| Schutzart (gemäß IEC 34-5): | IP68 | |
| Isolationsklasse (IEC 85): | H | |
| Explosionsgeschützt: | nein | |
| Motorschutz: | PTO (THERMAL SWITCH) | |
| Power cable type: | S1BN8-F 11G2.5 | |
| Length of power cable: | 10 m | |
| Netzstecker: | Ohne Stecker | |
| Art der Steuerung: | ||
| Feuchtigkeitssensor: | ohne Feuchtigkeitssensor | |
| Wasser-im-Öl-Sensor: | ohne Leckagesensor | |
| Sonstiges: | ||
| Nettogewicht: | 164 kg | |
Videos
Hier können Sie Videos hinzufügen.
Versand & Zahlung
Schneller und sicherer Versand ganz Europaweit
Wir versenden Ihre Bestellungen zuverlässig mit unseren Premium-Partnern DHL, DPD und Schenker. So erreichen Ihre Pakete Sie im Handumdrehen – ob um die Ecke oder an die entlegenste Adresse Europas.
Zahlungsarten
Wählen Sie aus unseren sicheren und flexiblen Zahlungsoptionen:
Rechnung für Geschäftskunden (B2B) – Zahlung nach Freigabe Ihrer Bestellung
PayPal – schnell und einfach, ohne direkte Weitergabe Ihrer Kontodaten
Vorauskasse – Überweisen Sie den Betrag im Voraus, wir versenden nach Zahlungseingang
Kreditkarte (Visa, MasterCard, American Express) – sicher und sofort belastbar
Alle Zahlarten sind durch moderne Verschlüsselungstechnologien geschützt und garantieren Ihnen maximale Sicherheit und Komfort.
GRUNDFOS Tauchrührwerke SMG.75.58 .A.343.5.1B -Art. 99331562
GRUNDFOS Tauchrührwerke SMG.75.58 .A.343.5.1B -Art. 99331562
Unsere Vorteile
- Faire Preise – das ganze Jahr
- Top-Markenqualität von führenden Herstellern
- Sicherer & transparenter Versand
- 2 % Skonto bei Zahlung per Vorkasse
- Kompetente Beratung – telefonisch, per Mail oder persönlich
Informationen
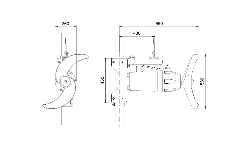
SMG.75.58 .A.343.5.1B
Die Grundfos SMG-Baureihe der horizontalen Tauchrührwerke ist für Misch- und Rühr-Anwendungen konzipiert, d.h. für die Homogenisierung von Flüssigkeiten mit niedriger bis mittlerer Viskosität. Die Tauchrührwerke sind mit einem Getriebe und einem energieeffizienten Propeller ausgestattet.
Der Kurzschlussläufer-Asynchronmotor ist gegen Überlastung mit drei Thermobimetallschaltern (PTO) in den Motorwicklungen geschützt. Die Rührwerke sind mit IE3 Motorkomponenten ausgestattet.
Um das Eindringen der umgebenden Flüssigkeit zu verhindern, haben die SMG-Tauchrührwerke zwei FKM Radiallippendichtungen und eine keramikbeschichtete Verschleißbuchse sowie je nach Baugröße eine Gleitringdichtung aus Siliziumkarbid/Siliziumkarbid oder Wolframkarbid/Wolframkarbid. Die Dichtflächen der zweiten Gleitringdichtung, die zwischen dem Getriebe und dem Motor angeordnet ist, besteht aus synthetischer Kohle/Aluminiumoxid.
Das ölgefüllte Getriebegehäuse wird durch einen im Getriebe standardmässig eingebauten Leckagesensor auf mögliches Eindringen von Wasser überwacht. Der Sensor kann ein Alarmsignal auslösen und/oder den Motor mit Hilfe eines externen Grundfos Relais Typ ALR-20/A abschalten.
Im Getriebegehäuse sind Kegelrollenlager eingebaut, die die axialen Kräfte des Propellers aufnehmen.
Die SMG-Baureihe ist in Leistungsgrössen von 0.9 bis 18.0 kW erhältlich.
Eine grosse Auswahl von Installationszubehör aus rostfreiem Stahl AISI 304/316 gewährleistet eine einfache Montage und einen langjährigen störungsfreien Betrieb.
| Technische Daten: | ||
| Schub-Leistungsverhältnis: | 0.195 | |
| Axialkraft: | 1490 N | |
| Nennförderstrom: | 444 l/s | |
| Hauptströmungsgeschwindigkeit: | 1.68 m/s | |
| Propellerdrehzahl: | 343 1/min | |
| Tip speed: | 10.4 m/s | |
| Drehmoment: | 4.286 | |
| Propellerdurchmesser: | 580 mm | |
| Anzahl der Propellerflügel: | 2 | |
| Gleitringdichtung: | 2 RADIAL LIP SEALS | |
| ISO Abnahmekl.: | ISO9906:2012 3B | |
| Werkstoffe: | ||
| Motor: | AISI EN-GJL-250 | |
| Propeller: | 1.4301 | |
| Nabe: | AISI 1.4301 | |
| Lackstärke: | 450 micrometre | |
| Secondary shaft seal: | CARBIDE/CARBIDE | |
| Installation: | ||
| Maximum installation depth: | 20 m | |
| Fördermedium: | ||
| Medientemperaturbereich: | 5 .. 40 °C | |
| Elektrische Daten: | ||
| Leistungsaufnahme P1: | 8.5 kW | |
| Aktuelle Leistungsaufnahme: | 7.66 kW | |
| Motorbemessungsleistung P2: | 7.5 kW | |
| Netzfrequenz: | 50 Hz | |
| Bemessungsspannung: | 3 x 400-415 V | |
| Spannungstoleranz: | +6/-10 % | |
| Bemessungsstrom: | 15.5 A | |
| Anlaufstrom: | 109 A | |
| Cos phi - Leistungsfaktor: | 0.80 | |
| Cos phi bei 3/4 Last: | 0.73 | |
| Cos phi bei 1/2 Last: | 0.59 | |
| Bemessungsdrehzahl: | 1464 1/min | |
| Motorwirkungsgrad bei Vollast: | 89.8 % | |
| Motorwirkungsgrad bei 3/4 Last: | 90.1 % | |
| Motorwirkungsgrad bei halber Last: | 88.8 % | |
| Motorpole: | 4 | |
| Einschaltart: | Stern/Dreieck | |
| Schutzart (gemäß IEC 34-5): | IP68 | |
| Isolationsklasse (IEC 85): | H | |
| Explosionsgeschützt: | nein | |
| Motorschutz: | PTO (THERMAL SWITCH) | |
| Power cable type: | S1BN8-F 11G2.5 | |
| Length of power cable: | 10 m | |
| Netzstecker: | Ohne Stecker | |
| Art der Steuerung: | ||
| Feuchtigkeitssensor: | ohne Feuchtigkeitssensor | |
| Wasser-im-Öl-Sensor: | ohne Leckagesensor | |
| Sonstiges: | ||
| Nettogewicht: | 164 kg | |
Videos
Videos
Hier können Sie Videos hinzufügen.
Downloads
Versand & Zahlung
Versand & Zahlung
Schneller und sicherer Versand ganz Europaweit
Wir versenden Ihre Bestellungen zuverlässig mit unseren Premium-Partnern DHL, DPD und Schenker. So erreichen Ihre Pakete Sie im Handumdrehen – ob um die Ecke oder an die entlegenste Adresse Europas.
Zahlungsarten
Wählen Sie aus unseren sicheren und flexiblen Zahlungsoptionen:
Rechnung für Geschäftskunden (B2B) – Zahlung nach Freigabe Ihrer Bestellung
PayPal – schnell und einfach, ohne direkte Weitergabe Ihrer Kontodaten
Vorauskasse – Überweisen Sie den Betrag im Voraus, wir versenden nach Zahlungseingang
Kreditkarte (Visa, MasterCard, American Express) – sicher und sofort belastbar
Alle Zahlarten sind durch moderne Verschlüsselungstechnologien geschützt und garantieren Ihnen maximale Sicherheit und Komfort.


