SMG.180.90 .359.5.1B
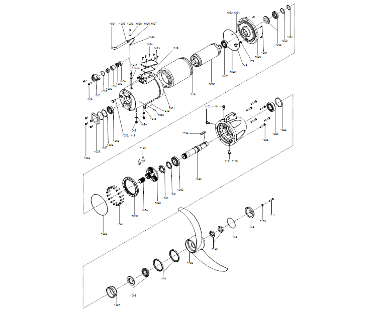
Die Grundfos SMG-Baureihe der horizontalen Tauchrührwerke ist für Misch- und Rühr-Anwendungen konzipiert, d.h. für die Homogenisierung von Flüssigkeiten mit niedriger bis mittlerer Viskosität. Die Tauchrührwerke sind mit einem Getriebe und einem energieeffizienten Propeller ausgestattet.
Der Kurzschlussläufer-Asynchronmotor ist gegen Überlastung mit drei Thermobimetallschaltern (PTO) in den Motorwicklungen geschützt. Die Rührwerke sind mit IE3 Motorkomponenten ausgestattet.
Um das Eindringen der umgebenden Flüssigkeit zu verhindern, haben die SMG-Tauchrührwerke zwei FKM Radiallippendichtungen und eine keramikbeschichtete Verschleißbuchse sowie je nach Baugröße eine Gleitringdichtung aus Siliziumkarbid/Siliziumkarbid oder Wolframkarbid/Wolframkarbid. Die Dichtflächen der zweiten Gleitringdichtung, die zwischen dem Getriebe und dem Motor angeordnet ist, besteht aus synthetischer Kohle/Aluminiumoxid.
Das ölgefüllte Getriebegehäuse wird durch einen im Getriebe standardmässig eingebauten Leckagesensor auf mögliches Eindringen von Wasser überwacht. Der Sensor kann ein Alarmsignal auslösen und/oder den Motor mit Hilfe eines externen Grundfos Relais Typ ALR-20/A abschalten.
Im Getriebegehäuse sind Kegelrollenlager eingebaut, die die axialen Kräfte des Propellers aufnehmen.
Die SMG-Baureihe ist in Leistungsgrössen von 0.9 bis 18.0 kW erhältlich.
Eine grosse Auswahl von Installationszubehör aus rostfreiem Stahl AISI 304/316 gewährleistet eine einfache Montage und einen langjährigen störungsfreien Betrieb.
| Technische Daten: | ||
| Schub-Leistungsverhältnis: | 0.251 | |
| Axialkraft: | 4360 N | |
| Nennförderstrom: | 1180 l/s | |
| Hauptströmungsgeschwindigkeit: | 1.85 m/s | |
| Propellerdrehzahl: | 359 1/min | |
| Tip speed: | 16.9 m/s | |
| Drehmoment: | 4.125 | |
| Propellerdurchmesser: | 900 mm | |
| Anzahl der Propellerflügel: | 2 | |
| Gleitringdichtung: | 2 RADIAL LIP SEALS | |
| ISO Abnahmekl.: | ISO9906:2012 3B | |
| Werkstoffe: | ||
| Motor: | AISI EN-GJL-250 | |
| Propeller: | 1.4301 | |
| Nabe: | AISI 1.4301 | |
| Lackstärke: | 450 micrometre | |
| Secondary shaft seal: | CARBIDE/CARBIDE | |
| Installation: | ||
| Maximum installation depth: | 20 m | |
| Passend für Führungsrohr: | 100/100 mm | |
| Fördermedium: | ||
| Medientemperaturbereich: | 5 .. 40 °C | |
| Elektrische Daten: | ||
| Leistungsaufnahme P1: | 19.4 kW | |
| Aktuelle Leistungsaufnahme: | 17.38 kW | |
| Motorbemessungsleistung P2: | 18 kW | |
| Netzfrequenz: | 50 Hz | |
| Bemessungsspannung: | 3 x 400-415 V | |
| Spannungstoleranz: | +6/-10 % | |
| Bemessungsstrom: | 36 A | |
| Anlaufstrom: | 220 A | |
| Cos phi - Leistungsfaktor: | 0.80 | |
| Cos phi bei 3/4 Last: | 0.74 | |
| Cos phi bei 1/2 Last: | 0.6 | |
| Bemessungsdrehzahl: | 1466 1/min | |
| Motorwirkungsgrad bei Vollast: | 92.6 % | |
| Motorwirkungsgrad bei 3/4 Last: | 91.9 % | |
| Motorwirkungsgrad bei halber Last: | 90.8 % | |
| Motorpole: | 4 | |
| Einschaltart: | Stern/Dreieck | |
| Schutzart (gemäß IEC 34-5): | IP68 | |
| Isolationsklasse (IEC 85): | H | |
| Explosionsgeschützt: | nein | |
| Motorschutz: | PTO (THERMAL SWITCH) | |
| Power cable type: | H07RN-F 7G4+4X1 | |
| Length of power cable: | 15 m | |
| Netzstecker: | Ohne Stecker | |
| Art der Steuerung: | ||
| Feuchtigkeitssensor: | ohne Feuchtigkeitssensor | |
| Wasser-im-Öl-Sensor: | mit Leckagesensor | |
| Sonstiges: | ||
| Nettogewicht: | 271 kg | |
| Herkunftsland: | HU | |
| Zolltarif Nr.: | 84798200 |
Videos
Hier können Sie Videos hinzufügen.
Versand & Zahlung
Schneller und sicherer Versand ganz Europaweit
Wir versenden Ihre Bestellungen zuverlässig mit unseren Premium-Partnern DHL, DPD und Schenker. So erreichen Ihre Pakete Sie im Handumdrehen – ob um die Ecke oder an die entlegenste Adresse Europas.
Zahlungsarten
Wählen Sie aus unseren sicheren und flexiblen Zahlungsoptionen:
Rechnung für Geschäftskunden (B2B) – Zahlung nach Freigabe Ihrer Bestellung
PayPal – schnell und einfach, ohne direkte Weitergabe Ihrer Kontodaten
Vorauskasse – Überweisen Sie den Betrag im Voraus, wir versenden nach Zahlungseingang
Kreditkarte (Visa, MasterCard, American Express) – sicher und sofort belastbar
Alle Zahlarten sind durch moderne Verschlüsselungstechnologien geschützt und garantieren Ihnen maximale Sicherheit und Komfort.
GRUNDFOS Tauchrührwerke SMG.180.90 .359.5.1B -Art. 98787843
GRUNDFOS Tauchrührwerke SMG.180.90 .359.5.1B -Art. 98787843
Unsere Vorteile
- Faire Preise – das ganze Jahr
- Top-Markenqualität von führenden Herstellern
- Sicherer & transparenter Versand
- 2 % Skonto bei Zahlung per Vorkasse
- Kompetente Beratung – telefonisch, per Mail oder persönlich
Informationen
SMG.180.90 .359.5.1B
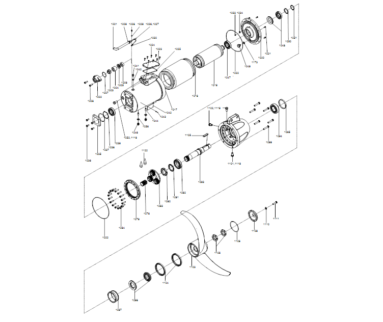
Die Grundfos SMG-Baureihe der horizontalen Tauchrührwerke ist für Misch- und Rühr-Anwendungen konzipiert, d.h. für die Homogenisierung von Flüssigkeiten mit niedriger bis mittlerer Viskosität. Die Tauchrührwerke sind mit einem Getriebe und einem energieeffizienten Propeller ausgestattet.
Der Kurzschlussläufer-Asynchronmotor ist gegen Überlastung mit drei Thermobimetallschaltern (PTO) in den Motorwicklungen geschützt. Die Rührwerke sind mit IE3 Motorkomponenten ausgestattet.
Um das Eindringen der umgebenden Flüssigkeit zu verhindern, haben die SMG-Tauchrührwerke zwei FKM Radiallippendichtungen und eine keramikbeschichtete Verschleißbuchse sowie je nach Baugröße eine Gleitringdichtung aus Siliziumkarbid/Siliziumkarbid oder Wolframkarbid/Wolframkarbid. Die Dichtflächen der zweiten Gleitringdichtung, die zwischen dem Getriebe und dem Motor angeordnet ist, besteht aus synthetischer Kohle/Aluminiumoxid.
Das ölgefüllte Getriebegehäuse wird durch einen im Getriebe standardmässig eingebauten Leckagesensor auf mögliches Eindringen von Wasser überwacht. Der Sensor kann ein Alarmsignal auslösen und/oder den Motor mit Hilfe eines externen Grundfos Relais Typ ALR-20/A abschalten.
Im Getriebegehäuse sind Kegelrollenlager eingebaut, die die axialen Kräfte des Propellers aufnehmen.
Die SMG-Baureihe ist in Leistungsgrössen von 0.9 bis 18.0 kW erhältlich.
Eine grosse Auswahl von Installationszubehör aus rostfreiem Stahl AISI 304/316 gewährleistet eine einfache Montage und einen langjährigen störungsfreien Betrieb.
| Technische Daten: | ||
| Schub-Leistungsverhältnis: | 0.251 | |
| Axialkraft: | 4360 N | |
| Nennförderstrom: | 1180 l/s | |
| Hauptströmungsgeschwindigkeit: | 1.85 m/s | |
| Propellerdrehzahl: | 359 1/min | |
| Tip speed: | 16.9 m/s | |
| Drehmoment: | 4.125 | |
| Propellerdurchmesser: | 900 mm | |
| Anzahl der Propellerflügel: | 2 | |
| Gleitringdichtung: | 2 RADIAL LIP SEALS | |
| ISO Abnahmekl.: | ISO9906:2012 3B | |
| Werkstoffe: | ||
| Motor: | AISI EN-GJL-250 | |
| Propeller: | 1.4301 | |
| Nabe: | AISI 1.4301 | |
| Lackstärke: | 450 micrometre | |
| Secondary shaft seal: | CARBIDE/CARBIDE | |
| Installation: | ||
| Maximum installation depth: | 20 m | |
| Passend für Führungsrohr: | 100/100 mm | |
| Fördermedium: | ||
| Medientemperaturbereich: | 5 .. 40 °C | |
| Elektrische Daten: | ||
| Leistungsaufnahme P1: | 19.4 kW | |
| Aktuelle Leistungsaufnahme: | 17.38 kW | |
| Motorbemessungsleistung P2: | 18 kW | |
| Netzfrequenz: | 50 Hz | |
| Bemessungsspannung: | 3 x 400-415 V | |
| Spannungstoleranz: | +6/-10 % | |
| Bemessungsstrom: | 36 A | |
| Anlaufstrom: | 220 A | |
| Cos phi - Leistungsfaktor: | 0.80 | |
| Cos phi bei 3/4 Last: | 0.74 | |
| Cos phi bei 1/2 Last: | 0.6 | |
| Bemessungsdrehzahl: | 1466 1/min | |
| Motorwirkungsgrad bei Vollast: | 92.6 % | |
| Motorwirkungsgrad bei 3/4 Last: | 91.9 % | |
| Motorwirkungsgrad bei halber Last: | 90.8 % | |
| Motorpole: | 4 | |
| Einschaltart: | Stern/Dreieck | |
| Schutzart (gemäß IEC 34-5): | IP68 | |
| Isolationsklasse (IEC 85): | H | |
| Explosionsgeschützt: | nein | |
| Motorschutz: | PTO (THERMAL SWITCH) | |
| Power cable type: | H07RN-F 7G4+4X1 | |
| Length of power cable: | 15 m | |
| Netzstecker: | Ohne Stecker | |
| Art der Steuerung: | ||
| Feuchtigkeitssensor: | ohne Feuchtigkeitssensor | |
| Wasser-im-Öl-Sensor: | mit Leckagesensor | |
| Sonstiges: | ||
| Nettogewicht: | 271 kg | |
| Herkunftsland: | HU | |
| Zolltarif Nr.: | 84798200 |
Videos
Videos
Hier können Sie Videos hinzufügen.
Downloads
Versand & Zahlung
Versand & Zahlung
Schneller und sicherer Versand ganz Europaweit
Wir versenden Ihre Bestellungen zuverlässig mit unseren Premium-Partnern DHL, DPD und Schenker. So erreichen Ihre Pakete Sie im Handumdrehen – ob um die Ecke oder an die entlegenste Adresse Europas.
Zahlungsarten
Wählen Sie aus unseren sicheren und flexiblen Zahlungsoptionen:
Rechnung für Geschäftskunden (B2B) – Zahlung nach Freigabe Ihrer Bestellung
PayPal – schnell und einfach, ohne direkte Weitergabe Ihrer Kontodaten
Vorauskasse – Überweisen Sie den Betrag im Voraus, wir versenden nach Zahlungseingang
Kreditkarte (Visa, MasterCard, American Express) – sicher und sofort belastbar
Alle Zahlarten sind durch moderne Verschlüsselungstechnologien geschützt und garantieren Ihnen maximale Sicherheit und Komfort.


