SMD.23.37 .980.Ex.5.1B
Die Grundfos Baureihe SMD der horizontalen Tauchrührwerke sind für das Mischen, d. h. Homogenisieren und Suspensieren, von Flüssigkeiten mit geringer bis mittlerer Viskosität bestimmt.
Die SMD-Tauchrührwerke sind vollständig aus Edelstahl gefertigt. Der wirkungsgradoptimierte Propeller wird direkt vom Motor angetrieben.
Der Kurzschlussläufer-Induktionsmotor (Wirkungsgradklasse IE3) wird mithilfe von drei Bimetall-Thermoschalter (PTO), die in die Wicklungen eingebaut sind, vor Überlast geschützt. Optional können die Tauchrührwerke auch mit drei Thermistoren (PTC-Fühler) ausgerüstet werden.
Um ein Eindringen der umgebenden Flüssigkeit zu verhindern, haben die SMD-Tauchrührwerke ein mehrstufiges Dichtungssystem bestehend aus Lippendichtungen als Vordichtung, die gegen den Spaltring drücken und einer doppelten Gleitringdichtung in Patronenbauweise. Die Dichtflächen der außen angeordneten Gleitringdichtung bestehen aus Siliziumkarbeid/Siliziumkarbid und die Dichtflächen der innen angeordneten Gleitringdichtung aus synthetischer Kohle/Keramik.
SMD-Tauchrührwerke ab 1,9 kW sind standardmäßig mit einem Feuchtigkeitsschalter ausgerüstet. Bei Tauchrührwerken bis 1,8 kW kann ein Feuchtigkeitsschalter optional eingebaut werden.
Bei SMD-Tauchrührwerken ab 1,9 kW kann das ölgefüllte Dichtungsgehäuse mithilfe eines optionalen Leckagesensors auf eindringendes Wasser überwacht werden. Bei Feuchtigkeitseintritt wird vom Sensor ein Alarmsignal ausgegeben und/oder der Motor abgeschaltet. Dazu muss der Sensor an das Grundfos Relais ALR-20/A angeschlossen werden.
Die Lagerung der Edelstahlwelle erfolgt mithilfe von zwei dauergeschmierten Kugellagern.
Die Motorleistung reicht von 0,9 bis 3,5 kW.
Für eine einfache Montage und einen störungsfreien Betrieb steht eine Vielzahl an Zubehör aus Edelstahl oder verzinktem Stahl zur Verfügung.
| Technische Daten: | ||
| Schub-Leistungsverhältnis: | 0.243 | |
| Axialkraft: | 560 N | |
| Nennförderstrom: | 174 l/s | |
| Hauptströmungsgeschwindigkeit: | 1.61 m/s | |
| Propellerdrehzahl: | 980 1/min | |
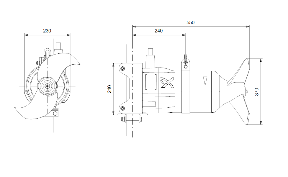
| Propellerdurchmesser: | 370 mm | |
| Anzahl der Propellerflügel: | 2 | |
| Gleitringdichtung: | LIP SEAL | |
| ISO Abnahmekl.: | ISO9906:2012 3B | |
| Werkstoffe: | ||
| Motor: | AISI 1.4408 | |
| Propeller: | 1.4408 | |
| Nabe: | AISI 1.4408 | |
| Secondary shaft seal: | SIC/SIC | |
| Installation: | ||
| Maximum installation depth: | 20 m | |
| Fördermedium: | ||
| Medientemperaturbereich: | 5 .. 40 °C | |
| Elektrische Daten: | ||
| Std. Motor: | IEC | |
| Leistungsaufnahme P1: | 2.7 kW | |
| Aktuelle Leistungsaufnahme: | 2.3 kW | |
| Rated power - P2: | 2.3 kW | |
| Netzfrequenz: | 50 Hz | |
| Bemessungsspannung: | 3 x 400-415 V | |
| Spannungstoleranz: | +6/-10 % | |
| Bemessungsstrom: | 6.1 A | |
| Anlaufstrom: | 37 A | |
| Cos phi - Leistungsfaktor: | 0.67 | |
| Cos phi bei 3/4 Last: | 0.58 | |
| Cos phi bei 1/2 Last: | 0.46 | |
| Bemessungsdrehzahl: | 980 1/min | |
| Motorwirkungsgrad bei Vollast: | 86.3 % | |
| Motorwirkungsgrad bei 3/4 Last: | 85.9 % | |
| Motorwirkungsgrad bei halber Last: | 83.0 % | |
| Motorpole: | 6 | |
| Einschaltart: | Stern/Dreieck | |
| Schutzart (gemäß IEC 34-5): | IP68 | |
| Isolationsklasse (IEC 85): | H | |
| Explosionsgeschützt: | Ja | |
| Ex-description: | db h IIB T4 Gb | |
| Motorschutz: | PTO (THERMAL SWITCH) | |
| Length of power cable: | 15 m | |
| Netzstecker: | Ohne Stecker | |
| Art der Steuerung: | ||
| Feuchtigkeitssensor: | mit Feuchtigkeitssensor | |
| Wasser-im-Öl-Sensor: | ohne Leckagesensor | |
| Sonstiges: | ||
| Nettogewicht: | 67 kg | |
| Herkunftsland: | HU | |
| Zolltarif Nr.: | 84798200 |
Videos
Hier können Sie Videos hinzufügen.
Versand & Zahlung
Schneller und sicherer Versand ganz Europaweit
Wir versenden Ihre Bestellungen zuverlässig mit unseren Premium-Partnern DHL, DPD und Schenker. So erreichen Ihre Pakete Sie im Handumdrehen – ob um die Ecke oder an die entlegenste Adresse Europas.
Zahlungsarten
Wählen Sie aus unseren sicheren und flexiblen Zahlungsoptionen:
Rechnung für Geschäftskunden (B2B) – Zahlung nach Freigabe Ihrer Bestellung
PayPal – schnell und einfach, ohne direkte Weitergabe Ihrer Kontodaten
Vorauskasse – Überweisen Sie den Betrag im Voraus, wir versenden nach Zahlungseingang
Kreditkarte (Visa, MasterCard, American Express) – sicher und sofort belastbar
Alle Zahlarten sind durch moderne Verschlüsselungstechnologien geschützt und garantieren Ihnen maximale Sicherheit und Komfort.
GRUNDFOS Tauchrührwerke SMD.23.37 .980.Ex.5.1B -Art. 99219145
GRUNDFOS Tauchrührwerke SMD.23.37 .980.Ex.5.1B -Art. 99219145
Unsere Vorteile
- Faire Preise – das ganze Jahr
- Top-Markenqualität von führenden Herstellern
- Sicherer & transparenter Versand
- 2 % Skonto bei Zahlung per Vorkasse
- Kompetente Beratung – telefonisch, per Mail oder persönlich
Informationen
SMD.23.37 .980.Ex.5.1B
Die Grundfos Baureihe SMD der horizontalen Tauchrührwerke sind für das Mischen, d. h. Homogenisieren und Suspensieren, von Flüssigkeiten mit geringer bis mittlerer Viskosität bestimmt.
Die SMD-Tauchrührwerke sind vollständig aus Edelstahl gefertigt. Der wirkungsgradoptimierte Propeller wird direkt vom Motor angetrieben.
Der Kurzschlussläufer-Induktionsmotor (Wirkungsgradklasse IE3) wird mithilfe von drei Bimetall-Thermoschalter (PTO), die in die Wicklungen eingebaut sind, vor Überlast geschützt. Optional können die Tauchrührwerke auch mit drei Thermistoren (PTC-Fühler) ausgerüstet werden.
Um ein Eindringen der umgebenden Flüssigkeit zu verhindern, haben die SMD-Tauchrührwerke ein mehrstufiges Dichtungssystem bestehend aus Lippendichtungen als Vordichtung, die gegen den Spaltring drücken und einer doppelten Gleitringdichtung in Patronenbauweise. Die Dichtflächen der außen angeordneten Gleitringdichtung bestehen aus Siliziumkarbeid/Siliziumkarbid und die Dichtflächen der innen angeordneten Gleitringdichtung aus synthetischer Kohle/Keramik.
SMD-Tauchrührwerke ab 1,9 kW sind standardmäßig mit einem Feuchtigkeitsschalter ausgerüstet. Bei Tauchrührwerken bis 1,8 kW kann ein Feuchtigkeitsschalter optional eingebaut werden.
Bei SMD-Tauchrührwerken ab 1,9 kW kann das ölgefüllte Dichtungsgehäuse mithilfe eines optionalen Leckagesensors auf eindringendes Wasser überwacht werden. Bei Feuchtigkeitseintritt wird vom Sensor ein Alarmsignal ausgegeben und/oder der Motor abgeschaltet. Dazu muss der Sensor an das Grundfos Relais ALR-20/A angeschlossen werden.
Die Lagerung der Edelstahlwelle erfolgt mithilfe von zwei dauergeschmierten Kugellagern.
Die Motorleistung reicht von 0,9 bis 3,5 kW.
Für eine einfache Montage und einen störungsfreien Betrieb steht eine Vielzahl an Zubehör aus Edelstahl oder verzinktem Stahl zur Verfügung.
| Technische Daten: | ||
| Schub-Leistungsverhältnis: | 0.243 | |
| Axialkraft: | 560 N | |
| Nennförderstrom: | 174 l/s | |
| Hauptströmungsgeschwindigkeit: | 1.61 m/s | |
| Propellerdrehzahl: | 980 1/min | |
| Propellerdurchmesser: | 370 mm | |
| Anzahl der Propellerflügel: | 2 | |
| Gleitringdichtung: | LIP SEAL | |
| ISO Abnahmekl.: | ISO9906:2012 3B | |
| Werkstoffe: | ||
| Motor: | AISI 1.4408 | |
| Propeller: | 1.4408 | |
| Nabe: | AISI 1.4408 | |
| Secondary shaft seal: | SIC/SIC | |
| Installation: | ||
| Maximum installation depth: | 20 m | |
| Fördermedium: | ||
| Medientemperaturbereich: | 5 .. 40 °C | |
| Elektrische Daten: | ||
| Std. Motor: | IEC | |
| Leistungsaufnahme P1: | 2.7 kW | |
| Aktuelle Leistungsaufnahme: | 2.3 kW | |
| Rated power - P2: | 2.3 kW | |
| Netzfrequenz: | 50 Hz | |
| Bemessungsspannung: | 3 x 400-415 V | |
| Spannungstoleranz: | +6/-10 % | |
| Bemessungsstrom: | 6.1 A | |
| Anlaufstrom: | 37 A | |
| Cos phi - Leistungsfaktor: | 0.67 | |
| Cos phi bei 3/4 Last: | 0.58 | |
| Cos phi bei 1/2 Last: | 0.46 | |
| Bemessungsdrehzahl: | 980 1/min | |
| Motorwirkungsgrad bei Vollast: | 86.3 % | |
| Motorwirkungsgrad bei 3/4 Last: | 85.9 % | |
| Motorwirkungsgrad bei halber Last: | 83.0 % | |
| Motorpole: | 6 | |
| Einschaltart: | Stern/Dreieck | |
| Schutzart (gemäß IEC 34-5): | IP68 | |
| Isolationsklasse (IEC 85): | H | |
| Explosionsgeschützt: | Ja | |
| Ex-description: | db h IIB T4 Gb | |
| Motorschutz: | PTO (THERMAL SWITCH) | |
| Length of power cable: | 15 m | |
| Netzstecker: | Ohne Stecker | |
| Art der Steuerung: | ||
| Feuchtigkeitssensor: | mit Feuchtigkeitssensor | |
| Wasser-im-Öl-Sensor: | ohne Leckagesensor | |
| Sonstiges: | ||
| Nettogewicht: | 67 kg | |
| Herkunftsland: | HU | |
| Zolltarif Nr.: | 84798200 |
Videos
Videos
Hier können Sie Videos hinzufügen.
Downloads
Versand & Zahlung
Versand & Zahlung
Schneller und sicherer Versand ganz Europaweit
Wir versenden Ihre Bestellungen zuverlässig mit unseren Premium-Partnern DHL, DPD und Schenker. So erreichen Ihre Pakete Sie im Handumdrehen – ob um die Ecke oder an die entlegenste Adresse Europas.
Zahlungsarten
Wählen Sie aus unseren sicheren und flexiblen Zahlungsoptionen:
Rechnung für Geschäftskunden (B2B) – Zahlung nach Freigabe Ihrer Bestellung
PayPal – schnell und einfach, ohne direkte Weitergabe Ihrer Kontodaten
Vorauskasse – Überweisen Sie den Betrag im Voraus, wir versenden nach Zahlungseingang
Kreditkarte (Visa, MasterCard, American Express) – sicher und sofort belastbar
Alle Zahlarten sind durch moderne Verschlüsselungstechnologien geschützt und garantieren Ihnen maximale Sicherheit und Komfort.


