SFG.27.130 .80.5.1B
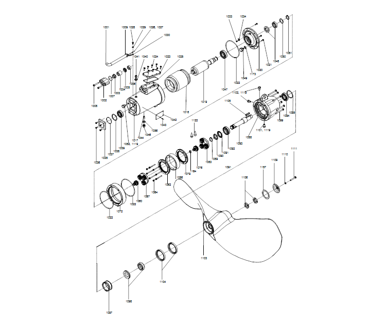
Die Grundfos SFG-Baureihe der horizontalen, getauchten Strömungsbeschleuniger ist für das schonungsvolle Umrühren grosser Abwassermengen in der biologischen Reinigungsstufe von Klärwerken konzipiert. Die Strömungsbeschleuniger sind mit einem Getriebe und einem energieeffizienten Propeller mit grossem Durchmesser ausgestattet.
Der Kurzschlussläufer-Asynchronmotor ist gegen Überlastung mit drei in den Motorwicklungen angeordneten Thermistoren (PTC-Kaltleiter) geschützt. Die Strömungsbeschleuniger sind mit IE3 Motorkomponenten ausgestattet.
Um das Eindringen der umgebenden Flüssigkeit zu verhindern, haben die SFG-Strömungsbeschleuniger zwei FKM Radiallippendichtungen und eine keramisierte Verschleissbüchse sowie je nach Grösse eine Gleitringdichtung aus Siliziumkarbid/Siliziumkarbid oder Wolframcarbid/Wolframcarbid. Die zweite Gleitringdichtung zwischen dem Getriebe und dem Motor ist aus Carbon/Aluminiumoxid.
Das ölgefüllte Getriebegehäuse wird durch einen im Getriebe standardmässig eingebauten Leckagesensor auf mögliches Eindringen von Wasser überwacht. Der Sensor kann ein Alarmsignal auslösen und/oder den Motor mit Hilfe eines externen Grundfos Relais Typ ALR-20/A abschalten. Im Getriebegehäuse sind Kegelrollenlager eingebaut, die die axialen Kräfte des Propellers aufnehmen.
Die SFG-Baureihe ist in Leistungsgrössen von 0.7 bis 8.0 kW erhältlich.
Eine grosse Auswahl von Installationszubehör aus rostfreiem Stahl AISI 304/316 gewährleistet eine einfache Montage und einen langjährigen störungsfreien Betrieb.
| Technische Daten: | ||
| Schub-Leistungsverhältnis: | 0.605 | |
| Axialkraft: | 1730 N | |
| Nennförderstrom: | 1070 l/s | |
| Hauptströmungsgeschwindigkeit: | 0.81 m/s | |
| Propellerdrehzahl: | 80 1/min | |
| Tip speed: | 5.43 m/s | |
| Drehmoment: | 18.367 | |
| Propellerdurchmesser: | 1300 mm | |
| Anzahl der Propellerflügel: | 2 | |
| Gleitringdichtung: | 2 RADIAL LIP SEALS | |
| Testing standard: | ISO 21630 | |
| Werkstoffe: | ||
| Motor: | AISI EN-GJL-250 | |
| Nabe: | AISI 1.4301 | |
| Lackstärke: | 450 micrometre | |
| Secondary shaft seal: | SIC/SIC | |
| Installation: | ||
| Maximum installation depth: | 20 m | |
| Passend für Führungsrohr: | 100/100 mm | |
| Fördermedium: | ||
| Medientemperaturbereich: | 5 .. 40 °C | |
| Elektrische Daten: | ||
| Leistungsaufnahme P1: | 3.1 kW | |
| Aktuelle Leistungsaufnahme: | 2.86 kW | |
| Rated power - P2: | 2.7 kW | |
| Netzfrequenz: | 50 Hz | |
| Bemessungsspannung: | 3 x 400-415 V | |
| Spannungstoleranz: | +6/-10 % | |
| Bemessungsstrom: | 5.7 A | |
| Anlaufstrom: | 47 A | |
| Cos phi - Leistungsfaktor: | 0.82 | |
| Cos phi bei 3/4 Last: | 0.75 | |
| Cos phi bei 1/2 Last: | 0.62 | |
| Bemessungsdrehzahl: | 1450 1/min | |
| Motorwirkungsgrad bei Vollast: | 87.8 % | |
| Motorwirkungsgrad bei 3/4 Last: | 87.8 % | |
| Motorwirkungsgrad bei halber Last: | 86.4 % | |
| Motorpole: | 4 | |
| Einschaltart: | Stern/Dreieck | |
| Schutzart (gemäß IEC 34-5): | IP68 | |
| Isolationsklasse (IEC 85): | H | |
| Explosionsgeschützt: | nein | |
| Motorschutz: | PTC THERMISTOR | |
| Length of power cable: | 15 m | |
| Netzstecker: | Ohne Stecker | |
| Art der Steuerung: | ||
| Feuchtigkeitssensor: | ohne Feuchtigkeitssensor | |
| Wasser-im-Öl-Sensor: | mit Leckagesensor | |
| Sonstiges: | ||
| Nettogewicht: | 97 kg | |
| Herkunftsland: | HU | |
| Zolltarif Nr.: | 84798200 |
Videos
Hier können Sie Videos hinzufügen.
Versand & Zahlung
Schneller und sicherer Versand ganz Europaweit
Wir versenden Ihre Bestellungen zuverlässig mit unseren Premium-Partnern DHL, DPD und Schenker. So erreichen Ihre Pakete Sie im Handumdrehen – ob um die Ecke oder an die entlegenste Adresse Europas.
Zahlungsarten
Wählen Sie aus unseren sicheren und flexiblen Zahlungsoptionen:
Rechnung für Geschäftskunden (B2B) – Zahlung nach Freigabe Ihrer Bestellung
PayPal – schnell und einfach, ohne direkte Weitergabe Ihrer Kontodaten
Vorauskasse – Überweisen Sie den Betrag im Voraus, wir versenden nach Zahlungseingang
Kreditkarte (Visa, MasterCard, American Express) – sicher und sofort belastbar
Alle Zahlarten sind durch moderne Verschlüsselungstechnologien geschützt und garantieren Ihnen maximale Sicherheit und Komfort.
GRUNDFOS Tauchrührwerke SFG.27.130 .80.5.1B -Art. 98787849
GRUNDFOS Tauchrührwerke SFG.27.130 .80.5.1B -Art. 98787849
Unsere Vorteile
- Faire Preise – das ganze Jahr
- Top-Markenqualität von führenden Herstellern
- Sicherer & transparenter Versand
- 2 % Skonto bei Zahlung per Vorkasse
- Kompetente Beratung – telefonisch, per Mail oder persönlich
Informationen
SFG.27.130 .80.5.1B
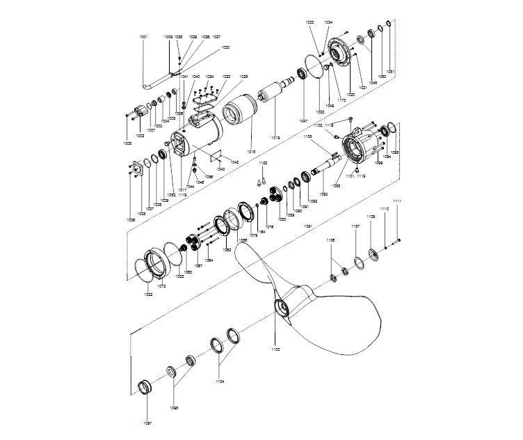
Die Grundfos SFG-Baureihe der horizontalen, getauchten Strömungsbeschleuniger ist für das schonungsvolle Umrühren grosser Abwassermengen in der biologischen Reinigungsstufe von Klärwerken konzipiert. Die Strömungsbeschleuniger sind mit einem Getriebe und einem energieeffizienten Propeller mit grossem Durchmesser ausgestattet.
Der Kurzschlussläufer-Asynchronmotor ist gegen Überlastung mit drei in den Motorwicklungen angeordneten Thermistoren (PTC-Kaltleiter) geschützt. Die Strömungsbeschleuniger sind mit IE3 Motorkomponenten ausgestattet.
Um das Eindringen der umgebenden Flüssigkeit zu verhindern, haben die SFG-Strömungsbeschleuniger zwei FKM Radiallippendichtungen und eine keramisierte Verschleissbüchse sowie je nach Grösse eine Gleitringdichtung aus Siliziumkarbid/Siliziumkarbid oder Wolframcarbid/Wolframcarbid. Die zweite Gleitringdichtung zwischen dem Getriebe und dem Motor ist aus Carbon/Aluminiumoxid.
Das ölgefüllte Getriebegehäuse wird durch einen im Getriebe standardmässig eingebauten Leckagesensor auf mögliches Eindringen von Wasser überwacht. Der Sensor kann ein Alarmsignal auslösen und/oder den Motor mit Hilfe eines externen Grundfos Relais Typ ALR-20/A abschalten. Im Getriebegehäuse sind Kegelrollenlager eingebaut, die die axialen Kräfte des Propellers aufnehmen.
Die SFG-Baureihe ist in Leistungsgrössen von 0.7 bis 8.0 kW erhältlich.
Eine grosse Auswahl von Installationszubehör aus rostfreiem Stahl AISI 304/316 gewährleistet eine einfache Montage und einen langjährigen störungsfreien Betrieb.
| Technische Daten: | ||
| Schub-Leistungsverhältnis: | 0.605 | |
| Axialkraft: | 1730 N | |
| Nennförderstrom: | 1070 l/s | |
| Hauptströmungsgeschwindigkeit: | 0.81 m/s | |
| Propellerdrehzahl: | 80 1/min | |
| Tip speed: | 5.43 m/s | |
| Drehmoment: | 18.367 | |
| Propellerdurchmesser: | 1300 mm | |
| Anzahl der Propellerflügel: | 2 | |
| Gleitringdichtung: | 2 RADIAL LIP SEALS | |
| Testing standard: | ISO 21630 | |
| Werkstoffe: | ||
| Motor: | AISI EN-GJL-250 | |
| Nabe: | AISI 1.4301 | |
| Lackstärke: | 450 micrometre | |
| Secondary shaft seal: | SIC/SIC | |
| Installation: | ||
| Maximum installation depth: | 20 m | |
| Passend für Führungsrohr: | 100/100 mm | |
| Fördermedium: | ||
| Medientemperaturbereich: | 5 .. 40 °C | |
| Elektrische Daten: | ||
| Leistungsaufnahme P1: | 3.1 kW | |
| Aktuelle Leistungsaufnahme: | 2.86 kW | |
| Rated power - P2: | 2.7 kW | |
| Netzfrequenz: | 50 Hz | |
| Bemessungsspannung: | 3 x 400-415 V | |
| Spannungstoleranz: | +6/-10 % | |
| Bemessungsstrom: | 5.7 A | |
| Anlaufstrom: | 47 A | |
| Cos phi - Leistungsfaktor: | 0.82 | |
| Cos phi bei 3/4 Last: | 0.75 | |
| Cos phi bei 1/2 Last: | 0.62 | |
| Bemessungsdrehzahl: | 1450 1/min | |
| Motorwirkungsgrad bei Vollast: | 87.8 % | |
| Motorwirkungsgrad bei 3/4 Last: | 87.8 % | |
| Motorwirkungsgrad bei halber Last: | 86.4 % | |
| Motorpole: | 4 | |
| Einschaltart: | Stern/Dreieck | |
| Schutzart (gemäß IEC 34-5): | IP68 | |
| Isolationsklasse (IEC 85): | H | |
| Explosionsgeschützt: | nein | |
| Motorschutz: | PTC THERMISTOR | |
| Length of power cable: | 15 m | |
| Netzstecker: | Ohne Stecker | |
| Art der Steuerung: | ||
| Feuchtigkeitssensor: | ohne Feuchtigkeitssensor | |
| Wasser-im-Öl-Sensor: | mit Leckagesensor | |
| Sonstiges: | ||
| Nettogewicht: | 97 kg | |
| Herkunftsland: | HU | |
| Zolltarif Nr.: | 84798200 |
Videos
Videos
Hier können Sie Videos hinzufügen.
Downloads
Versand & Zahlung
Versand & Zahlung
Schneller und sicherer Versand ganz Europaweit
Wir versenden Ihre Bestellungen zuverlässig mit unseren Premium-Partnern DHL, DPD und Schenker. So erreichen Ihre Pakete Sie im Handumdrehen – ob um die Ecke oder an die entlegenste Adresse Europas.
Zahlungsarten
Wählen Sie aus unseren sicheren und flexiblen Zahlungsoptionen:
Rechnung für Geschäftskunden (B2B) – Zahlung nach Freigabe Ihrer Bestellung
PayPal – schnell und einfach, ohne direkte Weitergabe Ihrer Kontodaten
Vorauskasse – Überweisen Sie den Betrag im Voraus, wir versenden nach Zahlungseingang
Kreditkarte (Visa, MasterCard, American Express) – sicher und sofort belastbar
Alle Zahlarten sind durch moderne Verschlüsselungstechnologien geschützt und garantieren Ihnen maximale Sicherheit und Komfort.


