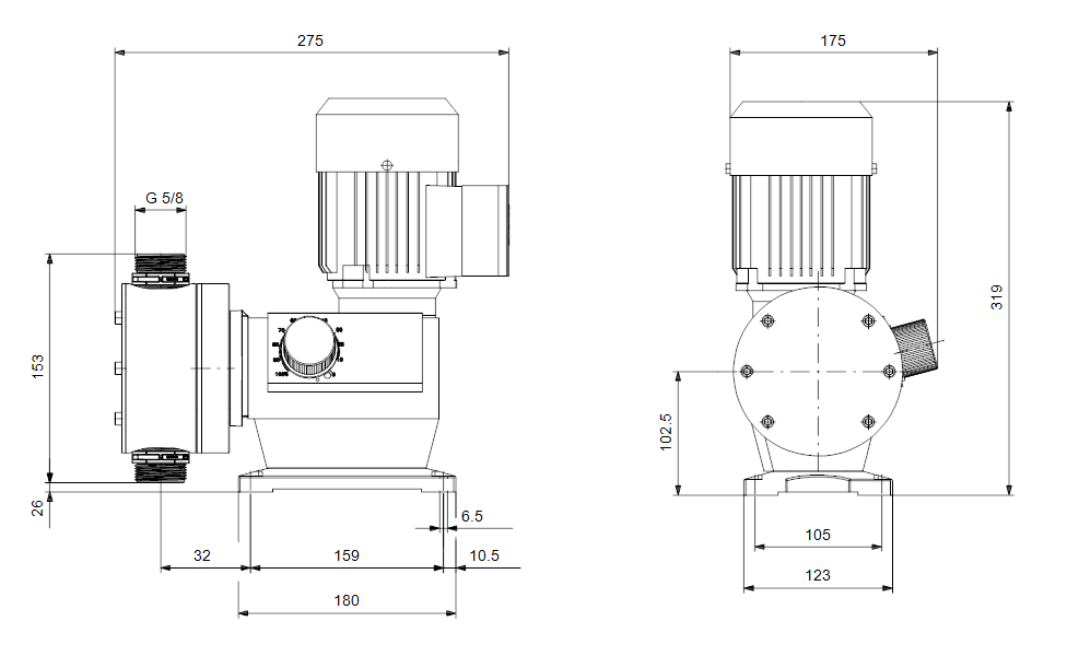
DMX 27-10 B-SS/V/SS-X-E1AAXEMNG
Die Pumpe DMX221 der Baureihe DMX ist eine vielseitig einsetzbare, als Verdrängerpumpe ausgeführte Membrandosierpumpe. Die Membran ist mechanisch über ein hochpräzises Exzenter-Stößel-Getriebe mit dem hocheffizienten Wechselstrommotor verbunden. Die Anpassung der Dosiermenge erfolgt durch eine Hublängenänderung, die am Hublängenverstellknopf im Verhältnis 1:10 eingestellt werden kann.
Die medienberührte Seite umfasst folgende Bauteile:
|
Weitere Produkteigenschaften:
|
Elektronische Eigenschaften:
Gilt nur für Pumpen mit der Steuervariante AR Etron Profi Mikroprozessorelektronik, direkt am Motor angebaut:
|
Gilt nur für Pumpen mit der Steuervariante AT0
|
| Art der Steuerung: | ||
| Type of connector: | No plug | |
| Type of control variant: | Standardausführung | |
| Frequency converter: | Nicht für den Frequenzumrichterbetrieb vorbereitet | |
| Fördermedium: | ||
| Fördermedium: | Wasser | |
| Medientemperaturbereich: | -10 .. 70 °C | |
| Medientemperatur während des Betriebs: | 60 °C | |
| Dichte: | 983.2 kg/m³ | |
| Technische Daten: | ||
| Nominal flow rate at 50 Hz: | 27 l/h | |
| Number of dosing heads: | 1 | |
| Zulassungen: | CE,EAC,CNROHSEX | |
| Non return valve type, inlet pump 1: | Standardausführung | |
| Non return valve type, outlet pump 1: | Standardausführung | |
| Max. Viskosität: | 200 mPas | |
| Werkstoffe: | ||
| Pumpengehäuse: | Thermoplast | |
| Dosing head, pump 1: | Stainless steel | |
| EN 1.4571 | ||
| Ventilkugel: | Edelstahl | |
| EN 1.4401 | ||
| Ventilsitz: | Kautschuk | |
| FKM | ||
| Ventil-Dichtung: | FKM | |
| Kautschuk | ||
| Installation: | ||
| Max operating pressure at 50 Hz: | 10 bar | |
| Maximum permissible inlet pressure: | 0 bar | |
| Anschlusstyp Eintritt: | Rp | |
| Anschlusstyp Austritt: | Rp | |
| Größe des Saugstutzens: | 1/4 inch | |
| Größe des Druckanschlusses: | 1/4 inch | |
| Elektrische Daten: | ||
| Leistungsaufnahme P1: | 0.09 kW | |
| Netzfrequenz: | 50 Hz | |
| Maximale Frequenz: | 50 Hz | |
| Bemessungsspannung: | 3 x 230/400 V | |
| Schutzart (gemäß IEC 34-5): | IP65 | |
| Mit Kabel (ja/nein): | nein | |
| Netzstecker: | Ohne Stecker | |
| Sonstiges: | ||
| Nettogewicht: | 9 kg | |
| Bruttogewicht: | 11.6 kg | |
| Versandvol.: | 0.04 m³ | |
| Diaphragm Leakage Detection: | nein | |
| Herkunftsland: | DE | |
| Zolltarif Nr.: | 84135040 |
Videos
Hier können Sie Videos hinzufügen.
Versand & Zahlung
Schneller und sicherer Versand ganz Europaweit
Wir versenden Ihre Bestellungen zuverlässig mit unseren Premium-Partnern DHL, DPD und Schenker. So erreichen Ihre Pakete Sie im Handumdrehen – ob um die Ecke oder an die entlegenste Adresse Europas.
Zahlungsarten
Wählen Sie aus unseren sicheren und flexiblen Zahlungsoptionen:
Rechnung für Geschäftskunden (B2B) – Zahlung nach Freigabe Ihrer Bestellung
PayPal – schnell und einfach, ohne direkte Weitergabe Ihrer Kontodaten
Vorauskasse – Überweisen Sie den Betrag im Voraus, wir versenden nach Zahlungseingang
Kreditkarte (Visa, MasterCard, American Express) – sicher und sofort belastbar
Alle Zahlarten sind durch moderne Verschlüsselungstechnologien geschützt und garantieren Ihnen maximale Sicherheit und Komfort.
GRUNDFOS Mechanische Dosierpumpe DMX 27-10 B-SS/V/SS-X-E1AAXEMNG -Art. 99592006
GRUNDFOS Mechanische Dosierpumpe DMX 27-10 B-SS/V/SS-X-E1AAXEMNG -Art. 99592006
Unsere Vorteile
- Faire Preise – das ganze Jahr
- Top-Markenqualität von führenden Herstellern
- Sicherer & transparenter Versand
- 2 % Skonto bei Zahlung per Vorkasse
- Kompetente Beratung – telefonisch, per Mail oder persönlich
Informationen
DMX 27-10 B-SS/V/SS-X-E1AAXEMNG
Die Pumpe DMX221 der Baureihe DMX ist eine vielseitig einsetzbare, als Verdrängerpumpe ausgeführte Membrandosierpumpe. Die Membran ist mechanisch über ein hochpräzises Exzenter-Stößel-Getriebe mit dem hocheffizienten Wechselstrommotor verbunden. Die Anpassung der Dosiermenge erfolgt durch eine Hublängenänderung, die am Hublängenverstellknopf im Verhältnis 1:10 eingestellt werden kann.
Die medienberührte Seite umfasst folgende Bauteile:
|
Weitere Produkteigenschaften:
|
Elektronische Eigenschaften:
Gilt nur für Pumpen mit der Steuervariante AR Etron Profi Mikroprozessorelektronik, direkt am Motor angebaut:
|
Gilt nur für Pumpen mit der Steuervariante AT0
|
| Art der Steuerung: | ||
| Type of connector: | No plug | |
| Type of control variant: | Standardausführung | |
| Frequency converter: | Nicht für den Frequenzumrichterbetrieb vorbereitet | |
| Fördermedium: | ||
| Fördermedium: | Wasser | |
| Medientemperaturbereich: | -10 .. 70 °C | |
| Medientemperatur während des Betriebs: | 60 °C | |
| Dichte: | 983.2 kg/m³ | |
| Technische Daten: | ||
| Nominal flow rate at 50 Hz: | 27 l/h | |
| Number of dosing heads: | 1 | |
| Zulassungen: | CE,EAC,CNROHSEX | |
| Non return valve type, inlet pump 1: | Standardausführung | |
| Non return valve type, outlet pump 1: | Standardausführung | |
| Max. Viskosität: | 200 mPas | |
| Werkstoffe: | ||
| Pumpengehäuse: | Thermoplast | |
| Dosing head, pump 1: | Stainless steel | |
| EN 1.4571 | ||
| Ventilkugel: | Edelstahl | |
| EN 1.4401 | ||
| Ventilsitz: | Kautschuk | |
| FKM | ||
| Ventil-Dichtung: | FKM | |
| Kautschuk | ||
| Installation: | ||
| Max operating pressure at 50 Hz: | 10 bar | |
| Maximum permissible inlet pressure: | 0 bar | |
| Anschlusstyp Eintritt: | Rp | |
| Anschlusstyp Austritt: | Rp | |
| Größe des Saugstutzens: | 1/4 inch | |
| Größe des Druckanschlusses: | 1/4 inch | |
| Elektrische Daten: | ||
| Leistungsaufnahme P1: | 0.09 kW | |
| Netzfrequenz: | 50 Hz | |
| Maximale Frequenz: | 50 Hz | |
| Bemessungsspannung: | 3 x 230/400 V | |
| Schutzart (gemäß IEC 34-5): | IP65 | |
| Mit Kabel (ja/nein): | nein | |
| Netzstecker: | Ohne Stecker | |
| Sonstiges: | ||
| Nettogewicht: | 9 kg | |
| Bruttogewicht: | 11.6 kg | |
| Versandvol.: | 0.04 m³ | |
| Diaphragm Leakage Detection: | nein | |
| Herkunftsland: | DE | |
| Zolltarif Nr.: | 84135040 |
Videos
Videos
Hier können Sie Videos hinzufügen.
Downloads
Versand & Zahlung
Versand & Zahlung
Schneller und sicherer Versand ganz Europaweit
Wir versenden Ihre Bestellungen zuverlässig mit unseren Premium-Partnern DHL, DPD und Schenker. So erreichen Ihre Pakete Sie im Handumdrehen – ob um die Ecke oder an die entlegenste Adresse Europas.
Zahlungsarten
Wählen Sie aus unseren sicheren und flexiblen Zahlungsoptionen:
Rechnung für Geschäftskunden (B2B) – Zahlung nach Freigabe Ihrer Bestellung
PayPal – schnell und einfach, ohne direkte Weitergabe Ihrer Kontodaten
Vorauskasse – Überweisen Sie den Betrag im Voraus, wir versenden nach Zahlungseingang
Kreditkarte (Visa, MasterCard, American Express) – sicher und sofort belastbar
Alle Zahlarten sind durch moderne Verschlüsselungstechnologien geschützt und garantieren Ihnen maximale Sicherheit und Komfort.


