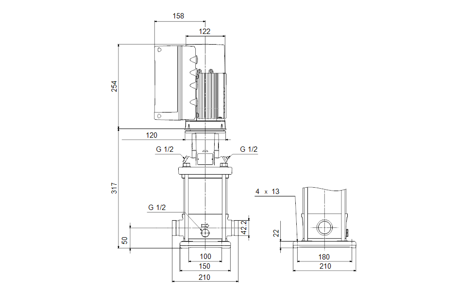
CRNE 1-6 BN-P-A-E-HQQE
Vertikale, mehrstufige Kreiselpumpe mit gegenüberliegenden Saug- und Druckstutzen (Inline-Bauweise). Die medienberührten Bauteile der Pumpe sind aus hochwertigem Edelstahl. Die Patronendichtung verspricht eine hohe Zuverlässigkeit und Servicefreundlichkeit. Die Kraftübertragung erfolgt über eine starre, geteilte Kupplung. Der Rohrleitungsanschluss erfolgt über PJE-Kupplungen (Victaulic®). Die Pumpe ist mit einem 3-phasigen, lüftergekühlten Permanentmagnet-Synchronmotor ausgerüstet. Der Motorwirkungsgrad entspricht der Energieeffizienzklasse IE5 gemäß IEC 60034-30-2. Zur Drehzahlregelung verfügt der Motor über einen Frequenzumrichter und PI-Regler, die im Klemmenkasten des Motors untergebracht sind. Die elektronische Drehzahlregelung ermöglicht eine kontinuierliche Anpassung der Motordrehzahl und damit der Pumpenleistung an den aktuellen Bedarf. Über ein Bedienfeld am Motor-Klemmenkasten kann der Sollwert eingestellt werden. Darüber hinaus kann die Pumpe damit auch auf die Betriebsarten „MIN“, „MAX“ oder „Stopp“ eingestellt werden. Die Zustandsanzeige Grundfos Eye zeigt am Bedienfeld den Betriebszustand der Pumpe wie folgt an:
|
Die Kommunikation mit der Pumpe ist über die App Grundfos GO Remote möglich (optional). Über die Fernsteuerung können weitere Einstellungen vorgenommen und zahlreiche Betriebsparameter ausgelesen werden, wie z. B. „Aktueller Wert“, „Drehzahl", „Leistungsaufnahme“ und „Gesamter Stromverbrauch“. Der Klemmenkasten hat mehrere Ein- und Ausgänge, so dass der Motor auch in anspruchvollen Anwendungen eingesetzt werden kann, die viele Ein- und Ausgänge erfordern:
|
| Fördermedium: | ||
| Fördermedium: | Wasser | |
| Medientemperaturbereich: | -20 .. 120 °C | |
| Medientemperatur während des Betriebs: | 60 °C | |
| Dichte: | 983.2 kg/m³ | |
| Technische Daten: | ||
| Pumpendrehzahl, auf der die Pumpendaten beruhen: | 4000 1/min | |
| Nennförderstrom: | 2.47 m³/h | |
| Nennförderhöhe: | 54 m | |
| Pumpe Ausrichtung: | vertikal | |
| GLRD Anordnung: | Einfache Gleitringdichtung | |
| Gleitringdichtung: | HQQE | |
| GLRD Code: | HQQE | |
| Zulassungen: | CE,EAC,UKCA,CURUS,SEPRO | |
| Trinkwasserzulassungen: | WRAS,ACS | |
| ISO Abnahmekl.: | ISO9906:2012 3B | |
| Werkstoffe: | ||
| Fußstück: | Edelstahl | |
| Fußstückwerkstoff gemäß EN-Norm: | EN 1.4408 | |
| Fußstückwerkstück gemäß ASTM: | AISI 316 | |
| Laufradwerkstoff: | Edelstahl | |
| Laufrad: | EN 1.4401 | |
| Laufradwerkstoff gemäß ASTM: | AISI 316 | |
| Lager: | SIC | |
| Installation: | ||
| Maximale Umgebungstemperatur: | 50 °C | |
| Max. Betriebsdruck: | 25 bar | |
| Max. Druck bei vorgegebener Temperatur: | 25 bar / 120 °C | |
| 25 bar / -20 °C | ||
| Anschlusstyp: | PJE | |
| Größe des Saugstutzens: | DN 32 | |
| 1 1/4 inch | ||
| Größe des Druckanschlusses: | DN 32 | |
| 1 1/4 inch | ||
| Nenndruckstufe: | PN 50 | |
| Grösse Motorflansch: | FT100 | |
| Elektrische Daten: | ||
| Std. Motor: | IEC | |
| Bauart des Motors: | 80A | |
| Motorbemessungsleistung P2: | 0.75 kW | |
| Leistungsbedarf (P2) der Pumpe: | 0.75 kW | |
| Abweichende Motorgrösse zum Standard: | Motor eine Leistungsstufe größer | |
| Netzfrequenz: | 50 / 60 Hz | |
| Bemessungsspannung: | 3 x 380-500 V | |
| Service-Faktor: | 0.00 | |
| Bemessungsstrom: | 1.7-1.6 A | |
| Leistungsfaktor Cos phi: | 0.83-0.67 | |
| Nenn-Drehzahl: | 360-4000 1/min | |
| IE-Wirkungsgradklasse: | IE5 | |
| Motorwirkungsgrad bei Vollast: | 85.9 % | |
| Schutzart (gemäß IEC 34-5): | IP55 | |
| Wärmeklasse (IEC 85): | F | |
| Motor - Produktnummer: | 98362240 | |
| Art der Steuerung: | ||
| Frequency converter: | integriert | |
| Drucksensor: | ja | |
| Sonstiges: | ||
| Position des Klemmkastens: | 6 Uhr | |
| Mindesteffizienzindex MEI ≥: | 0.70 | |
| Nettogewicht: | 23.5 kg | |
| Bruttogewicht: | 26.4 kg | |
| Versandvol.: | 0.143 m³ | |
| Herkunftsland: | DK | |
| Zolltarif Nr.: | 84137075 | |
Videos
Hier können Sie Videos hinzufügen.
Versand & Zahlung
Schneller und sicherer Versand ganz Europaweit
Wir versenden Ihre Bestellungen zuverlässig mit unseren Premium-Partnern DHL, DPD und Schenker. So erreichen Ihre Pakete Sie im Handumdrehen – ob um die Ecke oder an die entlegenste Adresse Europas.
Zahlungsarten
Wählen Sie aus unseren sicheren und flexiblen Zahlungsoptionen:
Rechnung für Geschäftskunden (B2B) – Zahlung nach Freigabe Ihrer Bestellung
PayPal – schnell und einfach, ohne direkte Weitergabe Ihrer Kontodaten
Vorauskasse – Überweisen Sie den Betrag im Voraus, wir versenden nach Zahlungseingang
Kreditkarte (Visa, MasterCard, American Express) – sicher und sofort belastbar
Alle Zahlarten sind durch moderne Verschlüsselungstechnologien geschützt und garantieren Ihnen maximale Sicherheit und Komfort.
GRUNDFOS Kreiselpumpe CRNE 1-6 BN-P-A-E-HQQE -Art. 93149035
GRUNDFOS Kreiselpumpe CRNE 1-6 BN-P-A-E-HQQE -Art. 93149035
Unsere Vorteile
- Faire Preise – das ganze Jahr
- Top-Markenqualität von führenden Herstellern
- Sicherer & transparenter Versand
- 2 % Skonto bei Zahlung per Vorkasse
- Kompetente Beratung – telefonisch, per Mail oder persönlich
Informationen
CRNE 1-6 BN-P-A-E-HQQE
Vertikale, mehrstufige Kreiselpumpe mit gegenüberliegenden Saug- und Druckstutzen (Inline-Bauweise). Die medienberührten Bauteile der Pumpe sind aus hochwertigem Edelstahl. Die Patronendichtung verspricht eine hohe Zuverlässigkeit und Servicefreundlichkeit. Die Kraftübertragung erfolgt über eine starre, geteilte Kupplung. Der Rohrleitungsanschluss erfolgt über PJE-Kupplungen (Victaulic®). Die Pumpe ist mit einem 3-phasigen, lüftergekühlten Permanentmagnet-Synchronmotor ausgerüstet. Der Motorwirkungsgrad entspricht der Energieeffizienzklasse IE5 gemäß IEC 60034-30-2. Zur Drehzahlregelung verfügt der Motor über einen Frequenzumrichter und PI-Regler, die im Klemmenkasten des Motors untergebracht sind. Die elektronische Drehzahlregelung ermöglicht eine kontinuierliche Anpassung der Motordrehzahl und damit der Pumpenleistung an den aktuellen Bedarf. Über ein Bedienfeld am Motor-Klemmenkasten kann der Sollwert eingestellt werden. Darüber hinaus kann die Pumpe damit auch auf die Betriebsarten „MIN“, „MAX“ oder „Stopp“ eingestellt werden. Die Zustandsanzeige Grundfos Eye zeigt am Bedienfeld den Betriebszustand der Pumpe wie folgt an:
|
Die Kommunikation mit der Pumpe ist über die App Grundfos GO Remote möglich (optional). Über die Fernsteuerung können weitere Einstellungen vorgenommen und zahlreiche Betriebsparameter ausgelesen werden, wie z. B. „Aktueller Wert“, „Drehzahl", „Leistungsaufnahme“ und „Gesamter Stromverbrauch“. Der Klemmenkasten hat mehrere Ein- und Ausgänge, so dass der Motor auch in anspruchvollen Anwendungen eingesetzt werden kann, die viele Ein- und Ausgänge erfordern:
|
| Fördermedium: | ||
| Fördermedium: | Wasser | |
| Medientemperaturbereich: | -20 .. 120 °C | |
| Medientemperatur während des Betriebs: | 60 °C | |
| Dichte: | 983.2 kg/m³ | |
| Technische Daten: | ||
| Pumpendrehzahl, auf der die Pumpendaten beruhen: | 4000 1/min | |
| Nennförderstrom: | 2.47 m³/h | |
| Nennförderhöhe: | 54 m | |
| Pumpe Ausrichtung: | vertikal | |
| GLRD Anordnung: | Einfache Gleitringdichtung | |
| Gleitringdichtung: | HQQE | |
| GLRD Code: | HQQE | |
| Zulassungen: | CE,EAC,UKCA,CURUS,SEPRO | |
| Trinkwasserzulassungen: | WRAS,ACS | |
| ISO Abnahmekl.: | ISO9906:2012 3B | |
| Werkstoffe: | ||
| Fußstück: | Edelstahl | |
| Fußstückwerkstoff gemäß EN-Norm: | EN 1.4408 | |
| Fußstückwerkstück gemäß ASTM: | AISI 316 | |
| Laufradwerkstoff: | Edelstahl | |
| Laufrad: | EN 1.4401 | |
| Laufradwerkstoff gemäß ASTM: | AISI 316 | |
| Lager: | SIC | |
| Installation: | ||
| Maximale Umgebungstemperatur: | 50 °C | |
| Max. Betriebsdruck: | 25 bar | |
| Max. Druck bei vorgegebener Temperatur: | 25 bar / 120 °C | |
| 25 bar / -20 °C | ||
| Anschlusstyp: | PJE | |
| Größe des Saugstutzens: | DN 32 | |
| 1 1/4 inch | ||
| Größe des Druckanschlusses: | DN 32 | |
| 1 1/4 inch | ||
| Nenndruckstufe: | PN 50 | |
| Grösse Motorflansch: | FT100 | |
| Elektrische Daten: | ||
| Std. Motor: | IEC | |
| Bauart des Motors: | 80A | |
| Motorbemessungsleistung P2: | 0.75 kW | |
| Leistungsbedarf (P2) der Pumpe: | 0.75 kW | |
| Abweichende Motorgrösse zum Standard: | Motor eine Leistungsstufe größer | |
| Netzfrequenz: | 50 / 60 Hz | |
| Bemessungsspannung: | 3 x 380-500 V | |
| Service-Faktor: | 0.00 | |
| Bemessungsstrom: | 1.7-1.6 A | |
| Leistungsfaktor Cos phi: | 0.83-0.67 | |
| Nenn-Drehzahl: | 360-4000 1/min | |
| IE-Wirkungsgradklasse: | IE5 | |
| Motorwirkungsgrad bei Vollast: | 85.9 % | |
| Schutzart (gemäß IEC 34-5): | IP55 | |
| Wärmeklasse (IEC 85): | F | |
| Motor - Produktnummer: | 98362240 | |
| Art der Steuerung: | ||
| Frequency converter: | integriert | |
| Drucksensor: | ja | |
| Sonstiges: | ||
| Position des Klemmkastens: | 6 Uhr | |
| Mindesteffizienzindex MEI ≥: | 0.70 | |
| Nettogewicht: | 23.5 kg | |
| Bruttogewicht: | 26.4 kg | |
| Versandvol.: | 0.143 m³ | |
| Herkunftsland: | DK | |
| Zolltarif Nr.: | 84137075 | |
Videos
Videos
Hier können Sie Videos hinzufügen.
Downloads
Versand & Zahlung
Versand & Zahlung
Schneller und sicherer Versand ganz Europaweit
Wir versenden Ihre Bestellungen zuverlässig mit unseren Premium-Partnern DHL, DPD und Schenker. So erreichen Ihre Pakete Sie im Handumdrehen – ob um die Ecke oder an die entlegenste Adresse Europas.
Zahlungsarten
Wählen Sie aus unseren sicheren und flexiblen Zahlungsoptionen:
Rechnung für Geschäftskunden (B2B) – Zahlung nach Freigabe Ihrer Bestellung
PayPal – schnell und einfach, ohne direkte Weitergabe Ihrer Kontodaten
Vorauskasse – Überweisen Sie den Betrag im Voraus, wir versenden nach Zahlungseingang
Kreditkarte (Visa, MasterCard, American Express) – sicher und sofort belastbar
Alle Zahlarten sind durch moderne Verschlüsselungstechnologien geschützt und garantieren Ihnen maximale Sicherheit und Komfort.


