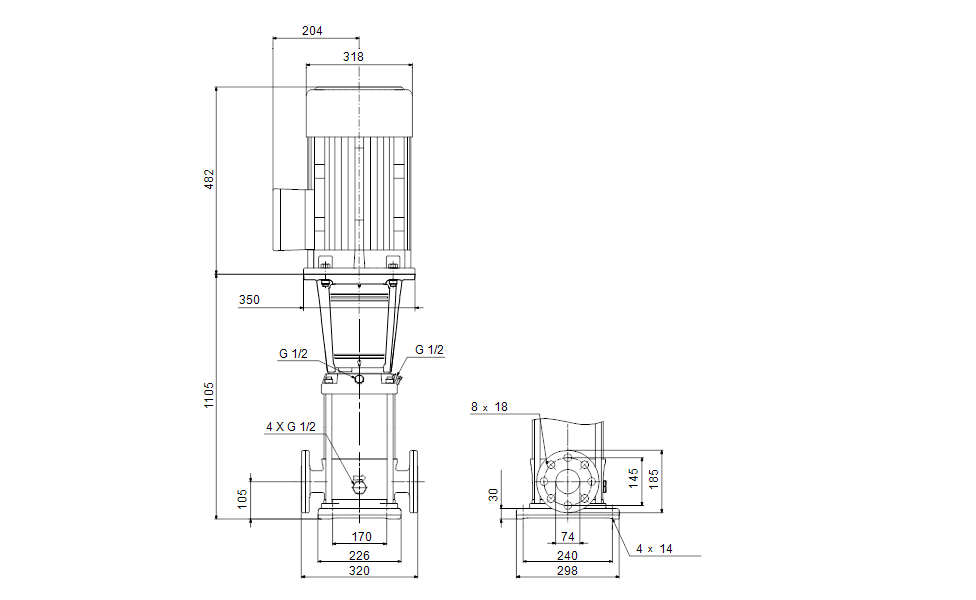
CRN 32-8-2 A-F-A-E-HQQE
Vertikale, mehrstufige Kreiselpumpe mit gegenüberliegenden Saug- und Druckstutzen (Inline-Bauweise). Die medienberührten Bauteile der Pumpe sind aus hochwertigem Edelstahl. Die Patronendichtung verspricht eine hohe Zuverlässigkeit und Servicefreundlichkeit. Die Kraftübertragung erfolgt über eine starre, geteilte Kupplung. Der Rohrleitungsanschluss erfolgt über kombinierte DIN-Flansche. Die Pumpe ist mit einem 3-phasigen, lüftergekühlten Asynchronmotor ausgestattet.
| Fördermedium: | ||
| Fördermedium: | Wasser | |
| Medientemperaturbereich: | -40 .. 120 °C | |
| Medientemperatur während des Betriebs: | 60 °C | |
| Dichte: | 983.2 kg/m³ | |
| Technische Daten: | ||
| Pumpendrehzahl, auf der die Pumpendaten beruhen: | 2923 1/min | |
| Nennförderstrom: | 30 m³/h | |
| Nennförderhöhe: | 114.8 m | |
| Pumpe Ausrichtung: | vertikal | |
| GLRD Anordnung: | Einfache Gleitringdichtung | |
| Gleitringdichtung: | HQQE | |
| GLRD Code: | HQQE | |
| Zulassungen: | CE,EAC,UKCA,SEPRO | |
| Trinkwasserzulassungen: | WRAS,ACS | |
| ISO Abnahmekl.: | ISO9906:2012 3B | |
| Werkstoffe: | ||
| Fußstück: | Edelstahl | |
| Fußstückwerkstoff gemäß EN-Norm: | EN 1.4408 | |
| Fußstückwerkstück gemäß ASTM: | AISI 316 | |
| Laufradwerkstoff: | Edelstahl | |
| Laufrad: | EN 1.4401 | |
| Laufradwerkstoff gemäß ASTM: | AISI 316 | |
| Lager: | SIC | |
| Werkst. Lager: | Graflon | |
| Installation: | ||
| Maximale Umgebungstemperatur: | 60 °C | |
| Max. Betriebsdruck: | 30 bar | |
| Max. Druck bei vorgegebener Temperatur: | 30 bar / 120 °C | |
| 30 bar / -40 °C | ||
| Anschlusstyp: | DIN | |
| Größe des Saugstutzens: | DN 65 | |
| Größe des Druckanschlusses: | DN 65 | |
| Nenndruckstufe: | PN 40 | |
| Grösse Motorflansch: | FF300 | |
| Elektrische Daten: | ||
| Std. Motor: | IEC | |
| Bauart des Motors: | 160MD | |
| Motorbemessungsleistung P2: | 15 kW | |
| Leistungsbedarf (P2) der Pumpe: | 15 kW | |
| Netzfrequenz: | 50 Hz | |
| Bemessungsspannung: | 3 x 380-415D/660-690Y V | |
| Bemessungsstrom: | 28,0-26,0/16,2-15,6 A | |
| Anlaufstrom: | 660-780 % | |
| Leistungsfaktor Cos phi: | 0.89-0.87 | |
| Nenn-Drehzahl: | 2930-2950 1/min | |
| IE-Wirkungsgradklasse: | IE3 | |
| Motorwirkungsgrad bei Vollast: | 91.9 % | |
| Motorwirkungsgrad bei 3/4-Last: | 92.4-92.7 % | |
| Motorwirkungsgrad bei halber Last: | 92.4-92.3 % | |
| Motorpole: | 2 | |
| Schutzart (gemäß IEC 34-5): | 55 Dust/Jetting | |
| Wärmeklasse (IEC 85): | F | |
| Motor - Produktnummer: | 85U17526 | |
| Art der Steuerung: | ||
| Frequency converter: | ohne | |
| Sonstiges: | ||
| Position des Klemmkastens: | 6 Uhr | |
| Mindesteffizienzindex MEI ≥: | 0.70 | |
| Nettogewicht: | 184 kg | |
| Bruttogewicht: | 223 kg | |
| Versandvol.: | 0.805 m³ | |
| Dänische VVS Nr.: | 385916082 | |
| Herkunftsland: | DK | |
| Zolltarif Nr.: | 84137075 | |
Videos
Hier können Sie Videos hinzufügen.
Versand & Zahlung
Schneller und sicherer Versand ganz Europaweit
Wir versenden Ihre Bestellungen zuverlässig mit unseren Premium-Partnern DHL, DPD und Schenker. So erreichen Ihre Pakete Sie im Handumdrehen – ob um die Ecke oder an die entlegenste Adresse Europas.
Zahlungsarten
Wählen Sie aus unseren sicheren und flexiblen Zahlungsoptionen:
Rechnung für Geschäftskunden (B2B) – Zahlung nach Freigabe Ihrer Bestellung
PayPal – schnell und einfach, ohne direkte Weitergabe Ihrer Kontodaten
Vorauskasse – Überweisen Sie den Betrag im Voraus, wir versenden nach Zahlungseingang
Kreditkarte (Visa, MasterCard, American Express) – sicher und sofort belastbar
Alle Zahlarten sind durch moderne Verschlüsselungstechnologien geschützt und garantieren Ihnen maximale Sicherheit und Komfort.
GRUNDFOS Kreiselpumpe CRN 32-8-2 A-F-A-E-HQQE -Art. 96122364
GRUNDFOS Kreiselpumpe CRN 32-8-2 A-F-A-E-HQQE -Art. 96122364
Unsere Vorteile
- Faire Preise – das ganze Jahr
- Top-Markenqualität von führenden Herstellern
- Sicherer & transparenter Versand
- 2 % Skonto bei Zahlung per Vorkasse
- Kompetente Beratung – telefonisch, per Mail oder persönlich
Informationen
CRN 32-8-2 A-F-A-E-HQQE
Vertikale, mehrstufige Kreiselpumpe mit gegenüberliegenden Saug- und Druckstutzen (Inline-Bauweise). Die medienberührten Bauteile der Pumpe sind aus hochwertigem Edelstahl. Die Patronendichtung verspricht eine hohe Zuverlässigkeit und Servicefreundlichkeit. Die Kraftübertragung erfolgt über eine starre, geteilte Kupplung. Der Rohrleitungsanschluss erfolgt über kombinierte DIN-Flansche. Die Pumpe ist mit einem 3-phasigen, lüftergekühlten Asynchronmotor ausgestattet.
| Fördermedium: | ||
| Fördermedium: | Wasser | |
| Medientemperaturbereich: | -40 .. 120 °C | |
| Medientemperatur während des Betriebs: | 60 °C | |
| Dichte: | 983.2 kg/m³ | |
| Technische Daten: | ||
| Pumpendrehzahl, auf der die Pumpendaten beruhen: | 2923 1/min | |
| Nennförderstrom: | 30 m³/h | |
| Nennförderhöhe: | 114.8 m | |
| Pumpe Ausrichtung: | vertikal | |
| GLRD Anordnung: | Einfache Gleitringdichtung | |
| Gleitringdichtung: | HQQE | |
| GLRD Code: | HQQE | |
| Zulassungen: | CE,EAC,UKCA,SEPRO | |
| Trinkwasserzulassungen: | WRAS,ACS | |
| ISO Abnahmekl.: | ISO9906:2012 3B | |
| Werkstoffe: | ||
| Fußstück: | Edelstahl | |
| Fußstückwerkstoff gemäß EN-Norm: | EN 1.4408 | |
| Fußstückwerkstück gemäß ASTM: | AISI 316 | |
| Laufradwerkstoff: | Edelstahl | |
| Laufrad: | EN 1.4401 | |
| Laufradwerkstoff gemäß ASTM: | AISI 316 | |
| Lager: | SIC | |
| Werkst. Lager: | Graflon | |
| Installation: | ||
| Maximale Umgebungstemperatur: | 60 °C | |
| Max. Betriebsdruck: | 30 bar | |
| Max. Druck bei vorgegebener Temperatur: | 30 bar / 120 °C | |
| 30 bar / -40 °C | ||
| Anschlusstyp: | DIN | |
| Größe des Saugstutzens: | DN 65 | |
| Größe des Druckanschlusses: | DN 65 | |
| Nenndruckstufe: | PN 40 | |
| Grösse Motorflansch: | FF300 | |
| Elektrische Daten: | ||
| Std. Motor: | IEC | |
| Bauart des Motors: | 160MD | |
| Motorbemessungsleistung P2: | 15 kW | |
| Leistungsbedarf (P2) der Pumpe: | 15 kW | |
| Netzfrequenz: | 50 Hz | |
| Bemessungsspannung: | 3 x 380-415D/660-690Y V | |
| Bemessungsstrom: | 28,0-26,0/16,2-15,6 A | |
| Anlaufstrom: | 660-780 % | |
| Leistungsfaktor Cos phi: | 0.89-0.87 | |
| Nenn-Drehzahl: | 2930-2950 1/min | |
| IE-Wirkungsgradklasse: | IE3 | |
| Motorwirkungsgrad bei Vollast: | 91.9 % | |
| Motorwirkungsgrad bei 3/4-Last: | 92.4-92.7 % | |
| Motorwirkungsgrad bei halber Last: | 92.4-92.3 % | |
| Motorpole: | 2 | |
| Schutzart (gemäß IEC 34-5): | 55 Dust/Jetting | |
| Wärmeklasse (IEC 85): | F | |
| Motor - Produktnummer: | 85U17526 | |
| Art der Steuerung: | ||
| Frequency converter: | ohne | |
| Sonstiges: | ||
| Position des Klemmkastens: | 6 Uhr | |
| Mindesteffizienzindex MEI ≥: | 0.70 | |
| Nettogewicht: | 184 kg | |
| Bruttogewicht: | 223 kg | |
| Versandvol.: | 0.805 m³ | |
| Dänische VVS Nr.: | 385916082 | |
| Herkunftsland: | DK | |
| Zolltarif Nr.: | 84137075 | |
Videos
Videos
Hier können Sie Videos hinzufügen.
Downloads
Versand & Zahlung
Versand & Zahlung
Schneller und sicherer Versand ganz Europaweit
Wir versenden Ihre Bestellungen zuverlässig mit unseren Premium-Partnern DHL, DPD und Schenker. So erreichen Ihre Pakete Sie im Handumdrehen – ob um die Ecke oder an die entlegenste Adresse Europas.
Zahlungsarten
Wählen Sie aus unseren sicheren und flexiblen Zahlungsoptionen:
Rechnung für Geschäftskunden (B2B) – Zahlung nach Freigabe Ihrer Bestellung
PayPal – schnell und einfach, ohne direkte Weitergabe Ihrer Kontodaten
Vorauskasse – Überweisen Sie den Betrag im Voraus, wir versenden nach Zahlungseingang
Kreditkarte (Visa, MasterCard, American Express) – sicher und sofort belastbar
Alle Zahlarten sind durch moderne Verschlüsselungstechnologien geschützt und garantieren Ihnen maximale Sicherheit und Komfort.


