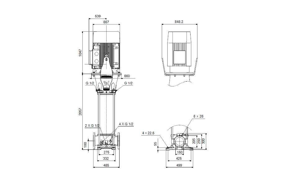
CRN 155-11-1 A-F-A-E-HQQE
Vertikale, mehrstufige Kreiselpumpe mit gegenüberliegenden Saug- und Druckstutzen (Inline-Bauweise). Die medienberührten Bauteile der Pumpe sind aus hochwertigem Edelstahl. Eine eingebaute Vorrichtung zum Axialschubausgleich nimmt hydraulische Axialkräfte auf und ermöglicht so die Verwendung eines Normmotors. Die Patronendichtung von Grundfos sorgt für eine hohe Betriebssicherheit und sichere Handhabung. Zudem erleichtert sie den Zugang bei Wartungs- und Reparaturarbeiten. Die Verschleißteile der Wellendichtung sind als Reparatursätze erhältlich. Sie können ausgetauscht werden, ohne dass die Wellendichtung komplett ersetzt werden muss. Die Kraftübertragung erfolgt über eine starre, geteilte Kupplung. Der Rohrleitungsanschluss erfolgt über kombinierte DIN-Flansche. Die Pumpe ist mit einem 3-phasigen, lüftergekühlten Asynchronmotor ausgestattet.
| Fördermedium: | ||
| Fördermedium: | Wasser | |
| Medientemperaturbereich: | -20 .. 120 °C | |
| Medientemperatur während des Betriebs: | 60 °C | |
| Dichte: | 983.2 kg/m³ | |
| Technische Daten: | ||
| Pumpendrehzahl, auf der die Pumpendaten beruhen: | 2984 1/min | |
| Nennförderstrom: | 155 m³/h | |
| Nennförderhöhe: | 299.9 m | |
| Pumpe Ausrichtung: | vertikal | |
| GLRD Anordnung: | Einfache Gleitringdichtung | |
| Gleitringdichtung: | HQQE | |
| GLRD Code: | HQQE | |
| Zulassungen: | CE,UKCA,SEPRO | |
| ISO Abnahmekl.: | ISO9906:2012 3B | |
| Werkstoffe: | ||
| Fußstück: | Edelstahl | |
| Fußstückwerkstoff gemäß EN-Norm: | EN 1.4408 | |
| Fußstückwerkstück gemäß ASTM: | ASTM A351 CF8M | |
| Laufradwerkstoff: | Edelstahl | |
| Laufrad: | EN 1.4401 | |
| Laufradwerkstoff gemäß ASTM: | AISI 316 | |
| Lager: | WC/WC | |
| Werkst. Lager: | Graflon | |
| Axialschubausgleich: | SiC/WC | |
| Werkstoffzertifikat gemäß: | Europäische Normen | |
| Installation: | ||
| Maximale Umgebungstemperatur: | 55 °C | |
| Max. Betriebsdruck: | 40 bar | |
| Max. Druck bei vorgegebener Temperatur: | 25 bar / 120 °C | |
| 40 bar / 80 °C | ||
| Anschlusstyp: | DIN | |
| Größe des Saugstutzens: | DN 150 | |
| Größe des Druckanschlusses: | DN 150 | |
| Nenndruckstufe: | PN 25/40 | |
| Grösse Motorflansch: | FF600 | |
| Elektrische Daten: | ||
| Std. Motor: | IEC | |
| Bauart des Motors: | INNOMOTICS | |
| Motorbemessungsleistung P2: | 160 kW | |
| Leistungsbedarf (P2) der Pumpe: | 160 kW | |
| Netzfrequenz: | 50 Hz | |
| Bemessungsspannung: | 3 x 380-420D/660-725Y V | |
| Bemessungsstrom: | 265/154 A | |
| Anlaufstrom: | 960 % | |
| Leistungsfaktor Cos phi: | 0.9 | |
| Nenn-Drehzahl: | 2986 1/min | |
| Wirkungsgrad: | IE4 96,3% | |
| IE-Wirkungsgradklasse: | IE4 | |
| Motorwirkungsgrad bei Vollast: | 96.3 % | |
| Motorwirkungsgrad bei 3/4-Last: | 96.3 % | |
| Motorwirkungsgrad bei halber Last: | 95.8 % | |
| Motorpole: | 2 | |
| Einschaltart: | VFD or Soft starter | |
| Schutzart (gemäß IEC 34-5): | IP55 | |
| Wärmeklasse (IEC 85): | F | |
| Motor - Produktnummer: | 92898790 | |
| Art der Steuerung: | ||
| Frequency converter: | ohne | |
| Sonstiges: | ||
| Position des Klemmkastens: | 6 Uhr | |
| Mindesteffizienzindex MEI ≥: | 0.70 | |
| Nettogewicht: | 1470 kg | |
| Bruttogewicht: | 1730 kg | |
| Versandvol.: | 5.02 m³ | |
| Axialschubausgleich: | Ja | |
| Herkunftsland: | DK | |
| Zolltarif Nr.: | 84137075 |
Videos
Hier können Sie Videos hinzufügen.
Versand & Zahlung
Schneller und sicherer Versand ganz Europaweit
Wir versenden Ihre Bestellungen zuverlässig mit unseren Premium-Partnern DHL, DPD und Schenker. So erreichen Ihre Pakete Sie im Handumdrehen – ob um die Ecke oder an die entlegenste Adresse Europas.
Zahlungsarten
Wählen Sie aus unseren sicheren und flexiblen Zahlungsoptionen:
Rechnung für Geschäftskunden (B2B) – Zahlung nach Freigabe Ihrer Bestellung
PayPal – schnell und einfach, ohne direkte Weitergabe Ihrer Kontodaten
Vorauskasse – Überweisen Sie den Betrag im Voraus, wir versenden nach Zahlungseingang
Kreditkarte (Visa, MasterCard, American Express) – sicher und sofort belastbar
Alle Zahlarten sind durch moderne Verschlüsselungstechnologien geschützt und garantieren Ihnen maximale Sicherheit und Komfort.
GRUNDFOS Kreiselpumpe CRN 155-11-1 A-F-A-E-HQQE -Art. 92905875
GRUNDFOS Kreiselpumpe CRN 155-11-1 A-F-A-E-HQQE -Art. 92905875
Unsere Vorteile
- Faire Preise – das ganze Jahr
- Top-Markenqualität von führenden Herstellern
- Sicherer & transparenter Versand
- 2 % Skonto bei Zahlung per Vorkasse
- Kompetente Beratung – telefonisch, per Mail oder persönlich
Informationen
CRN 155-11-1 A-F-A-E-HQQE
Vertikale, mehrstufige Kreiselpumpe mit gegenüberliegenden Saug- und Druckstutzen (Inline-Bauweise). Die medienberührten Bauteile der Pumpe sind aus hochwertigem Edelstahl. Eine eingebaute Vorrichtung zum Axialschubausgleich nimmt hydraulische Axialkräfte auf und ermöglicht so die Verwendung eines Normmotors. Die Patronendichtung von Grundfos sorgt für eine hohe Betriebssicherheit und sichere Handhabung. Zudem erleichtert sie den Zugang bei Wartungs- und Reparaturarbeiten. Die Verschleißteile der Wellendichtung sind als Reparatursätze erhältlich. Sie können ausgetauscht werden, ohne dass die Wellendichtung komplett ersetzt werden muss. Die Kraftübertragung erfolgt über eine starre, geteilte Kupplung. Der Rohrleitungsanschluss erfolgt über kombinierte DIN-Flansche. Die Pumpe ist mit einem 3-phasigen, lüftergekühlten Asynchronmotor ausgestattet.
| Fördermedium: | ||
| Fördermedium: | Wasser | |
| Medientemperaturbereich: | -20 .. 120 °C | |
| Medientemperatur während des Betriebs: | 60 °C | |
| Dichte: | 983.2 kg/m³ | |
| Technische Daten: | ||
| Pumpendrehzahl, auf der die Pumpendaten beruhen: | 2984 1/min | |
| Nennförderstrom: | 155 m³/h | |
| Nennförderhöhe: | 299.9 m | |
| Pumpe Ausrichtung: | vertikal | |
| GLRD Anordnung: | Einfache Gleitringdichtung | |
| Gleitringdichtung: | HQQE | |
| GLRD Code: | HQQE | |
| Zulassungen: | CE,UKCA,SEPRO | |
| ISO Abnahmekl.: | ISO9906:2012 3B | |
| Werkstoffe: | ||
| Fußstück: | Edelstahl | |
| Fußstückwerkstoff gemäß EN-Norm: | EN 1.4408 | |
| Fußstückwerkstück gemäß ASTM: | ASTM A351 CF8M | |
| Laufradwerkstoff: | Edelstahl | |
| Laufrad: | EN 1.4401 | |
| Laufradwerkstoff gemäß ASTM: | AISI 316 | |
| Lager: | WC/WC | |
| Werkst. Lager: | Graflon | |
| Axialschubausgleich: | SiC/WC | |
| Werkstoffzertifikat gemäß: | Europäische Normen | |
| Installation: | ||
| Maximale Umgebungstemperatur: | 55 °C | |
| Max. Betriebsdruck: | 40 bar | |
| Max. Druck bei vorgegebener Temperatur: | 25 bar / 120 °C | |
| 40 bar / 80 °C | ||
| Anschlusstyp: | DIN | |
| Größe des Saugstutzens: | DN 150 | |
| Größe des Druckanschlusses: | DN 150 | |
| Nenndruckstufe: | PN 25/40 | |
| Grösse Motorflansch: | FF600 | |
| Elektrische Daten: | ||
| Std. Motor: | IEC | |
| Bauart des Motors: | INNOMOTICS | |
| Motorbemessungsleistung P2: | 160 kW | |
| Leistungsbedarf (P2) der Pumpe: | 160 kW | |
| Netzfrequenz: | 50 Hz | |
| Bemessungsspannung: | 3 x 380-420D/660-725Y V | |
| Bemessungsstrom: | 265/154 A | |
| Anlaufstrom: | 960 % | |
| Leistungsfaktor Cos phi: | 0.9 | |
| Nenn-Drehzahl: | 2986 1/min | |
| Wirkungsgrad: | IE4 96,3% | |
| IE-Wirkungsgradklasse: | IE4 | |
| Motorwirkungsgrad bei Vollast: | 96.3 % | |
| Motorwirkungsgrad bei 3/4-Last: | 96.3 % | |
| Motorwirkungsgrad bei halber Last: | 95.8 % | |
| Motorpole: | 2 | |
| Einschaltart: | VFD or Soft starter | |
| Schutzart (gemäß IEC 34-5): | IP55 | |
| Wärmeklasse (IEC 85): | F | |
| Motor - Produktnummer: | 92898790 | |
| Art der Steuerung: | ||
| Frequency converter: | ohne | |
| Sonstiges: | ||
| Position des Klemmkastens: | 6 Uhr | |
| Mindesteffizienzindex MEI ≥: | 0.70 | |
| Nettogewicht: | 1470 kg | |
| Bruttogewicht: | 1730 kg | |
| Versandvol.: | 5.02 m³ | |
| Axialschubausgleich: | Ja | |
| Herkunftsland: | DK | |
| Zolltarif Nr.: | 84137075 |
Videos
Videos
Hier können Sie Videos hinzufügen.
Downloads
Versand & Zahlung
Versand & Zahlung
Schneller und sicherer Versand ganz Europaweit
Wir versenden Ihre Bestellungen zuverlässig mit unseren Premium-Partnern DHL, DPD und Schenker. So erreichen Ihre Pakete Sie im Handumdrehen – ob um die Ecke oder an die entlegenste Adresse Europas.
Zahlungsarten
Wählen Sie aus unseren sicheren und flexiblen Zahlungsoptionen:
Rechnung für Geschäftskunden (B2B) – Zahlung nach Freigabe Ihrer Bestellung
PayPal – schnell und einfach, ohne direkte Weitergabe Ihrer Kontodaten
Vorauskasse – Überweisen Sie den Betrag im Voraus, wir versenden nach Zahlungseingang
Kreditkarte (Visa, MasterCard, American Express) – sicher und sofort belastbar
Alle Zahlarten sind durch moderne Verschlüsselungstechnologien geschützt und garantieren Ihnen maximale Sicherheit und Komfort.


