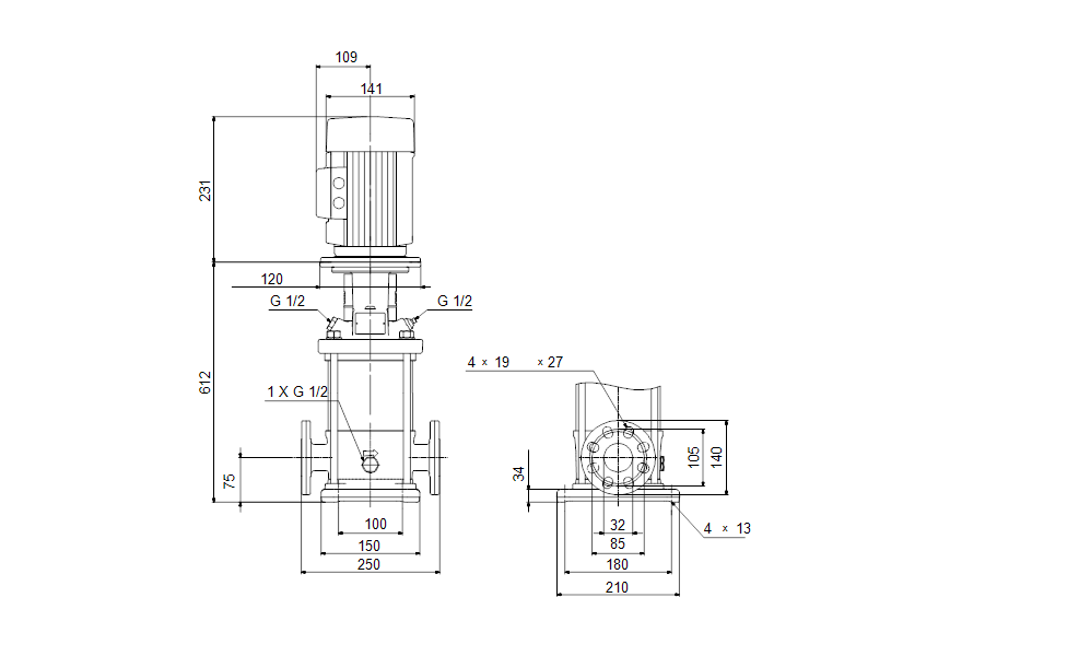
CRI 1S-21 A-FGJ-A-V-HQQV
Vertikale, mehrstufige Kreiselpumpe mit gegenüberliegenden Saug- und Druckstutzen (Inline-Bauweise). Die medienberührten Bauteile der Pumpe sind aus Edelstahl. Die Kraftübertragung erfolgt über eine starre, geteilte Kupplung. Der Rohrleitungsanschluss erfolgt über kombinierte DIN-ANSI-JIS-Flansche. Die Pumpe ist mit einem 3-phasigen, lüftergekühlten Asynchronmotor ausgestattet.
| Fördermedium: | ||
| Fördermedium: | Wasser | |
| Medientemperaturbereich: | -20 .. 90 °C | |
| Medientemperatur während des Betriebs: | 60 °C | |
| Dichte: | 983.2 kg/m³ | |
| Technische Daten: | ||
| Pumpendrehzahl, auf der die Pumpendaten beruhen: | 2864 1/min | |
| Nennförderstrom: | 0.9 m³/h | |
| Nennförderhöhe: | 83.3 m | |
| Pumpe Ausrichtung: | vertikal | |
| GLRD Anordnung: | Einfache Gleitringdichtung | |
| Gleitringdichtung: | HQQV | |
| GLRD Code: | HQQV | |
| Zulassungen: | CE,EAC,UKCA,SEPRO | |
| Trinkwasserzulassungen: | WRAS | |
| ISO Abnahmekl.: | ISO9906:2012 3B | |
| Werkstoffe: | ||
| Fußstück: | Edelstahl | |
| Fußstückwerkstoff gemäß EN-Norm: | EN 1.4408 | |
| Fußstückwerkstück gemäß ASTM: | AISI 316 | |
| Laufradwerkstoff: | Edelstahl | |
| Laufrad: | EN 1.4301 | |
| Laufradwerkstoff gemäß ASTM: | AISI 304 | |
| Lager: | SIC | |
| Installation: | ||
| Maximale Umgebungstemperatur: | 60 °C | |
| Max. Betriebsdruck: | 25 bar | |
| Max. Druck bei vorgegebener Temperatur: | 25 bar / 90 °C | |
| 25 bar / -20 °C | ||
| Anschlusstyp: | DIN / ANSI / JIS | |
| Größe des Saugstutzens: | DN 25/32 | |
| 1 1/4 inch | ||
| Größe des Druckanschlusses: | DN 25/32 | |
| 1 1/4 inch | ||
| Nenndruckstufe: | PN 25 | |
| Nennweite des Saugflansches: | 300 lb | |
| Grösse Motorflansch: | FT100 | |
| Elektrische Daten: | ||
| Std. Motor: | IEC | |
| Bauart des Motors: | 80A | |
| Motorbemessungsleistung P2: | 0.75 kW | |
| Leistungsbedarf (P2) der Pumpe: | 0.75 kW | |
| Netzfrequenz: | 50 Hz | |
| Bemessungsspannung: | 3 x 220-240D/380-415Y V | |
| Bemessungsstrom: | 3.30/1.90 A | |
| Anlaufstrom: | 580-620 % | |
| Leistungsfaktor Cos phi: | 0.81-0.71 | |
| Nenn-Drehzahl: | 2840-2870 1/min | |
| IE-Wirkungsgradklasse: | IE3 | |
| Motorwirkungsgrad bei Vollast: | 80.7 % | |
| Motorwirkungsgrad bei 3/4-Last: | 82.7-80.9 % | |
| Motorwirkungsgrad bei halber Last: | 81.7-77.9 % | |
| Motorpole: | 2 | |
| Schutzart (gemäß IEC 34-5): | 55 Dust/Jetting | |
| Wärmeklasse (IEC 85): | F | |
| Motor - Produktnummer: | 85905175 | |
| Art der Steuerung: | ||
| Frequency converter: | ohne | |
| Sonstiges: | ||
| Position des Klemmkastens: | 6 Uhr | |
| Mindesteffizienzindex MEI ≥: | 0.54 | |
| Nettogewicht: | 30.9 kg | |
| Bruttogewicht: | 35 kg | |
| Versandvol.: | 0.092 m³ | |
| Herkunftsland: | HU | |
| Zolltarif Nr.: | 84137075 |
Videos
Hier können Sie Videos hinzufügen.
Versand & Zahlung
Schneller und sicherer Versand ganz Europaweit
Wir versenden Ihre Bestellungen zuverlässig mit unseren Premium-Partnern DHL, DPD und Schenker. So erreichen Ihre Pakete Sie im Handumdrehen – ob um die Ecke oder an die entlegenste Adresse Europas.
Zahlungsarten
Wählen Sie aus unseren sicheren und flexiblen Zahlungsoptionen:
Rechnung für Geschäftskunden (B2B) – Zahlung nach Freigabe Ihrer Bestellung
PayPal – schnell und einfach, ohne direkte Weitergabe Ihrer Kontodaten
Vorauskasse – Überweisen Sie den Betrag im Voraus, wir versenden nach Zahlungseingang
Kreditkarte (Visa, MasterCard, American Express) – sicher und sofort belastbar
Alle Zahlarten sind durch moderne Verschlüsselungstechnologien geschützt und garantieren Ihnen maximale Sicherheit und Komfort.
GRUNDFOS Kreiselpumpe CRI 1S-21 A-FGJ-A-V-HQQV -Art. 96527621
GRUNDFOS Kreiselpumpe CRI 1S-21 A-FGJ-A-V-HQQV -Art. 96527621
Unsere Vorteile
- Faire Preise – das ganze Jahr
- Top-Markenqualität von führenden Herstellern
- Sicherer & transparenter Versand
- 2 % Skonto bei Zahlung per Vorkasse
- Kompetente Beratung – telefonisch, per Mail oder persönlich
Informationen
CRI 1S-21 A-FGJ-A-V-HQQV
Vertikale, mehrstufige Kreiselpumpe mit gegenüberliegenden Saug- und Druckstutzen (Inline-Bauweise). Die medienberührten Bauteile der Pumpe sind aus Edelstahl. Die Kraftübertragung erfolgt über eine starre, geteilte Kupplung. Der Rohrleitungsanschluss erfolgt über kombinierte DIN-ANSI-JIS-Flansche. Die Pumpe ist mit einem 3-phasigen, lüftergekühlten Asynchronmotor ausgestattet.
| Fördermedium: | ||
| Fördermedium: | Wasser | |
| Medientemperaturbereich: | -20 .. 90 °C | |
| Medientemperatur während des Betriebs: | 60 °C | |
| Dichte: | 983.2 kg/m³ | |
| Technische Daten: | ||
| Pumpendrehzahl, auf der die Pumpendaten beruhen: | 2864 1/min | |
| Nennförderstrom: | 0.9 m³/h | |
| Nennförderhöhe: | 83.3 m | |
| Pumpe Ausrichtung: | vertikal | |
| GLRD Anordnung: | Einfache Gleitringdichtung | |
| Gleitringdichtung: | HQQV | |
| GLRD Code: | HQQV | |
| Zulassungen: | CE,EAC,UKCA,SEPRO | |
| Trinkwasserzulassungen: | WRAS | |
| ISO Abnahmekl.: | ISO9906:2012 3B | |
| Werkstoffe: | ||
| Fußstück: | Edelstahl | |
| Fußstückwerkstoff gemäß EN-Norm: | EN 1.4408 | |
| Fußstückwerkstück gemäß ASTM: | AISI 316 | |
| Laufradwerkstoff: | Edelstahl | |
| Laufrad: | EN 1.4301 | |
| Laufradwerkstoff gemäß ASTM: | AISI 304 | |
| Lager: | SIC | |
| Installation: | ||
| Maximale Umgebungstemperatur: | 60 °C | |
| Max. Betriebsdruck: | 25 bar | |
| Max. Druck bei vorgegebener Temperatur: | 25 bar / 90 °C | |
| 25 bar / -20 °C | ||
| Anschlusstyp: | DIN / ANSI / JIS | |
| Größe des Saugstutzens: | DN 25/32 | |
| 1 1/4 inch | ||
| Größe des Druckanschlusses: | DN 25/32 | |
| 1 1/4 inch | ||
| Nenndruckstufe: | PN 25 | |
| Nennweite des Saugflansches: | 300 lb | |
| Grösse Motorflansch: | FT100 | |
| Elektrische Daten: | ||
| Std. Motor: | IEC | |
| Bauart des Motors: | 80A | |
| Motorbemessungsleistung P2: | 0.75 kW | |
| Leistungsbedarf (P2) der Pumpe: | 0.75 kW | |
| Netzfrequenz: | 50 Hz | |
| Bemessungsspannung: | 3 x 220-240D/380-415Y V | |
| Bemessungsstrom: | 3.30/1.90 A | |
| Anlaufstrom: | 580-620 % | |
| Leistungsfaktor Cos phi: | 0.81-0.71 | |
| Nenn-Drehzahl: | 2840-2870 1/min | |
| IE-Wirkungsgradklasse: | IE3 | |
| Motorwirkungsgrad bei Vollast: | 80.7 % | |
| Motorwirkungsgrad bei 3/4-Last: | 82.7-80.9 % | |
| Motorwirkungsgrad bei halber Last: | 81.7-77.9 % | |
| Motorpole: | 2 | |
| Schutzart (gemäß IEC 34-5): | 55 Dust/Jetting | |
| Wärmeklasse (IEC 85): | F | |
| Motor - Produktnummer: | 85905175 | |
| Art der Steuerung: | ||
| Frequency converter: | ohne | |
| Sonstiges: | ||
| Position des Klemmkastens: | 6 Uhr | |
| Mindesteffizienzindex MEI ≥: | 0.54 | |
| Nettogewicht: | 30.9 kg | |
| Bruttogewicht: | 35 kg | |
| Versandvol.: | 0.092 m³ | |
| Herkunftsland: | HU | |
| Zolltarif Nr.: | 84137075 |
Videos
Videos
Hier können Sie Videos hinzufügen.
Downloads
Versand & Zahlung
Versand & Zahlung
Schneller und sicherer Versand ganz Europaweit
Wir versenden Ihre Bestellungen zuverlässig mit unseren Premium-Partnern DHL, DPD und Schenker. So erreichen Ihre Pakete Sie im Handumdrehen – ob um die Ecke oder an die entlegenste Adresse Europas.
Zahlungsarten
Wählen Sie aus unseren sicheren und flexiblen Zahlungsoptionen:
Rechnung für Geschäftskunden (B2B) – Zahlung nach Freigabe Ihrer Bestellung
PayPal – schnell und einfach, ohne direkte Weitergabe Ihrer Kontodaten
Vorauskasse – Überweisen Sie den Betrag im Voraus, wir versenden nach Zahlungseingang
Kreditkarte (Visa, MasterCard, American Express) – sicher und sofort belastbar
Alle Zahlarten sind durch moderne Verschlüsselungstechnologien geschützt und garantieren Ihnen maximale Sicherheit und Komfort.


