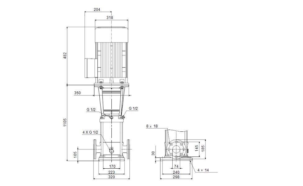
Vertikale, mehrstufige Kreiselpumpe mit gegenüberliegenden Saug- und Druckstutzen (Inline-Bauweise) für den Einbau in einer horizontalen Einzelrohrleitung. Das Kopfstück und das Fußstück sind aus Grauguss und alle medienberührten Bauteile aus Edelstahl gefertigt. Die Patronendichtung verspricht eine hohe Zuverlässigkeit und Servicefreundlichkeit. Die Kraftübertragung erfolgt über eine Klemmkupplung. Rohrleitungsanschluss über DIN-Flansche.
Die Pumpe ist mit einem 3-phasigen, lüftergekühlten Asynchronmotor mit Standfuß ausgerüstet.
| Fördermedium: | ||
| Fördermedium: | Wasser | |
| Medientemperaturbereich: | -20 .. 90 °C | |
| Medientemperatur während des Betriebs: | 20 °C | |
| Dichte: | 998.2 kg/m³ | |
| Technische Daten: | ||
| Pumpendrehzahl: | 2923 1/min | |
| Nennvolumenstrom: | 30 m³/h | |
| Nennförderhöhe: | 121 m | |
| Gleitringdichtung: | HQQV | |
| Prüfkennzeichen auf dem Typenschild: | CE,TR | |
| Kennlinientoleranz: | ISO9906:2012 3B | |
| Werkstoffe: | ||
| Pumpengehäuse: | Grauguß | |
| EN-JS1050 | ||
| ASTM 80-55-06 | ||
| Laufrad: | Edelstahl | |
| DIN W.-Nr. 1.4301 | ||
| AISI 304 | ||
| Buchse: | Graflon | |
| Installation: | ||
| Maximale Umgebungstemperatur: | 60 °C |
| Max. Druck bei vorgegebener Temperatur: | 30 bar / 90 °C | |
| 30 bar / -20 °C | ||
| Anschluss: | DIN | |
| Nennweite: | DN 65 | |
| Nenndruck (bar): | PN 16 / PN 25 / PN 40 | |
| Flanschgröße des Motors: | FF300 | |
| Elektrische Daten: | ||
| Bauart des Motors: | 160MD | |
| IE-Wirkungsgradklasse: | IE3 | |
| Motorbemessungsleistung P2: | 15 kW | |
| Leistungsbedarf (P2) der Pumpe: | 15 kW | |
| Netzfrequenz: | 50 Hz | |
| Nennspannung: | 3 x 380-415D/660-690Y V | |
| Nennstrom: | 28,0-26,0/16,2-15,6 A | |
| Anlaufstrom: | 660-780 % | |
| Leistungsfaktor Cos phi: | 0,89-0,87 | |
| Nenn-Drehzahl: | 2930-2950 1/min | |
| Wirkungsgrad: | IE3 91,9% | |
| Motorwirkungsgrad bei Vollast: | 91.9-91.9 % | |
| Motorwirkungsgrad bei 3/4-Last: | 92.4 % | |
| Motorwirkungsgrad bei halber Last: | 92.4 % | |
| Anzahl der Pole: | 2 | |
| Schutzart (gemäß IEC 34-5): | 55 Dust/Jetting | |
| Wärmeklasse (IEC 85): | F | |
| Sonstiges: | ||
| Mindesteffizienzindex, MEI ≥: | 0.7 | |
| Nettogewicht: | 182 kg | |
| Bruttogewicht: | 233 kg | |
| Versandvolumen: | 0.51 m³ |
Videos
Hier können Sie Videos hinzufügen.
Versand & Zahlung
Schneller und sicherer Versand ganz Europaweit
Wir versenden Ihre Bestellungen zuverlässig mit unseren Premium-Partnern DHL, DPD und Schenker. So erreichen Ihre Pakete Sie im Handumdrehen – ob um die Ecke oder an die entlegenste Adresse Europas.
Zahlungsarten
Wählen Sie aus unseren sicheren und flexiblen Zahlungsoptionen:
Rechnung für Geschäftskunden (B2B) – Zahlung nach Freigabe Ihrer Bestellung
PayPal – schnell und einfach, ohne direkte Weitergabe Ihrer Kontodaten
Vorauskasse – Überweisen Sie den Betrag im Voraus, wir versenden nach Zahlungseingang
Kreditkarte (Visa, MasterCard, American Express) – sicher und sofort belastbar
Alle Zahlarten sind durch moderne Verschlüsselungstechnologien geschützt und garantieren Ihnen maximale Sicherheit und Komfort.
GRUNDFOS Kreiselpumpe CR 32-8 A-F-A-V-HQQV - Art. 96122049
GRUNDFOS Kreiselpumpe CR 32-8 A-F-A-V-HQQV - Art. 96122049
Unsere Vorteile
- Faire Preise – das ganze Jahr
- Top-Markenqualität von führenden Herstellern
- Sicherer & transparenter Versand
- 2 % Skonto bei Zahlung per Vorkasse
- Kompetente Beratung – telefonisch, per Mail oder persönlich
Informationen
Vertikale, mehrstufige Kreiselpumpe mit gegenüberliegenden Saug- und Druckstutzen (Inline-Bauweise) für den Einbau in einer horizontalen Einzelrohrleitung. Das Kopfstück und das Fußstück sind aus Grauguss und alle medienberührten Bauteile aus Edelstahl gefertigt. Die Patronendichtung verspricht eine hohe Zuverlässigkeit und Servicefreundlichkeit. Die Kraftübertragung erfolgt über eine Klemmkupplung. Rohrleitungsanschluss über DIN-Flansche.
Die Pumpe ist mit einem 3-phasigen, lüftergekühlten Asynchronmotor mit Standfuß ausgerüstet.
| Fördermedium: | ||
| Fördermedium: | Wasser | |
| Medientemperaturbereich: | -20 .. 90 °C | |
| Medientemperatur während des Betriebs: | 20 °C | |
| Dichte: | 998.2 kg/m³ | |
| Technische Daten: | ||
| Pumpendrehzahl: | 2923 1/min | |
| Nennvolumenstrom: | 30 m³/h | |
| Nennförderhöhe: | 121 m | |
| Gleitringdichtung: | HQQV | |
| Prüfkennzeichen auf dem Typenschild: | CE,TR | |
| Kennlinientoleranz: | ISO9906:2012 3B | |
| Werkstoffe: | ||
| Pumpengehäuse: | Grauguß | |
| EN-JS1050 | ||
| ASTM 80-55-06 | ||
| Laufrad: | Edelstahl | |
| DIN W.-Nr. 1.4301 | ||
| AISI 304 | ||
| Buchse: | Graflon | |
| Installation: | ||
| Maximale Umgebungstemperatur: | 60 °C |
| Max. Druck bei vorgegebener Temperatur: | 30 bar / 90 °C | |
| 30 bar / -20 °C | ||
| Anschluss: | DIN | |
| Nennweite: | DN 65 | |
| Nenndruck (bar): | PN 16 / PN 25 / PN 40 | |
| Flanschgröße des Motors: | FF300 | |
| Elektrische Daten: | ||
| Bauart des Motors: | 160MD | |
| IE-Wirkungsgradklasse: | IE3 | |
| Motorbemessungsleistung P2: | 15 kW | |
| Leistungsbedarf (P2) der Pumpe: | 15 kW | |
| Netzfrequenz: | 50 Hz | |
| Nennspannung: | 3 x 380-415D/660-690Y V | |
| Nennstrom: | 28,0-26,0/16,2-15,6 A | |
| Anlaufstrom: | 660-780 % | |
| Leistungsfaktor Cos phi: | 0,89-0,87 | |
| Nenn-Drehzahl: | 2930-2950 1/min | |
| Wirkungsgrad: | IE3 91,9% | |
| Motorwirkungsgrad bei Vollast: | 91.9-91.9 % | |
| Motorwirkungsgrad bei 3/4-Last: | 92.4 % | |
| Motorwirkungsgrad bei halber Last: | 92.4 % | |
| Anzahl der Pole: | 2 | |
| Schutzart (gemäß IEC 34-5): | 55 Dust/Jetting | |
| Wärmeklasse (IEC 85): | F | |
| Sonstiges: | ||
| Mindesteffizienzindex, MEI ≥: | 0.7 | |
| Nettogewicht: | 182 kg | |
| Bruttogewicht: | 233 kg | |
| Versandvolumen: | 0.51 m³ |
Videos
Videos
Hier können Sie Videos hinzufügen.
Downloads
Versand & Zahlung
Versand & Zahlung
Schneller und sicherer Versand ganz Europaweit
Wir versenden Ihre Bestellungen zuverlässig mit unseren Premium-Partnern DHL, DPD und Schenker. So erreichen Ihre Pakete Sie im Handumdrehen – ob um die Ecke oder an die entlegenste Adresse Europas.
Zahlungsarten
Wählen Sie aus unseren sicheren und flexiblen Zahlungsoptionen:
Rechnung für Geschäftskunden (B2B) – Zahlung nach Freigabe Ihrer Bestellung
PayPal – schnell und einfach, ohne direkte Weitergabe Ihrer Kontodaten
Vorauskasse – Überweisen Sie den Betrag im Voraus, wir versenden nach Zahlungseingang
Kreditkarte (Visa, MasterCard, American Express) – sicher und sofort belastbar
Alle Zahlarten sind durch moderne Verschlüsselungstechnologien geschützt und garantieren Ihnen maximale Sicherheit und Komfort.


