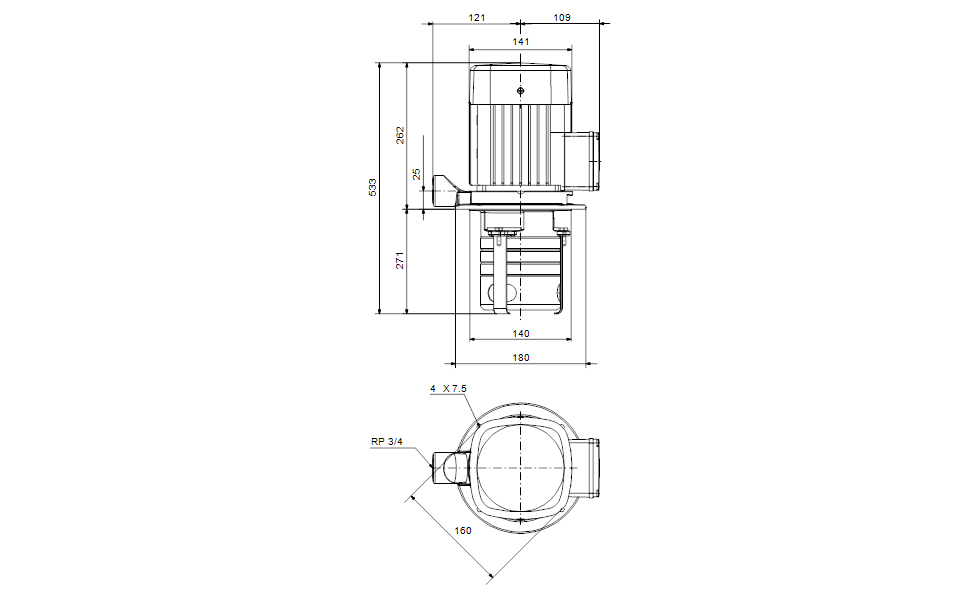
Eintauchpumpe Typ: MTH 2-10/10 A-W-A-AQQV
Normalsaugende, mehrstufige Eintauchkreiselpumpe für vertikalen und horizontalen Behältereinbau mit 3-phasigen direkt-gekuppeltem Motor.
Die Pumpe besitzt folgende Eigenschaften:
|
| Art der Steuerung: | ||
| Frequency converter: | ohne | |
| Fördermedium: | ||
| Fördermedium: | Emulsion | |
| Medientemperaturbereich: | -10 .. 90 °C | |
| Medientemperatur während des Betriebs: | 60 °C | |
| Dichte: | 983.2 kg/m³ | |
| Technische Daten: | ||
| Nennförderstrom: | 41.7 l/min | |
| Nennförderhöhe: | 64.9 m | |
| Anzahl der Laufradkammern: | 10 | |
| Gleitringdichtung: | AQQV | |
| GLRD Code: | AQQV | |
| Zulassungen: | CE,UKCA | |
| Energy approvals for motor: | CE,CC,CNS, | |
| ISO Abnahmekl.: | ISO9906:2012 3B | |
| Werkstoffe: | ||
| Pumpengehäuse: | Grauguss | |
| Pumpenmantel: | EN 1561 EN-GJL-200 | |
| Pumpengehäuse: | ASTM A48-25B | |
| Laufradwerkstoff: | Edelstahl | |
| Laufrad: | EN 1.4301 | |
| Laufradwerkstoff gemäß ASTM: | AISI 304 | |
| Installation: | ||
| Maximale Umgebungstemperatur: | 60 °C | |
| Max. Betriebsdruck: | 10 bar | |
| Max. Druck bei vorgegebener Temperatur: | 10 bar / 90 °C | |
| Anschlusstyp: | Rp | |
| Größe des Druckanschlusses: | 3/4 inch | |
| Eintauchtiefe: | 271 mm | |
| Elektrische Daten: | ||
| Std. Motor: | IEC | |
| Baugröße: | 80C | |
| Mehrfachstecker: | nein | |
| IE Effizienzklasse 50Hz: | IE3 | |
| Rated power - P2: | 1.1 kW | |
| Netzfrequenz: | 50 Hz | |
| Geeignet für 50/60 Hz: | nein | |
| Bemessungsspannung: | 3 x 220-240D/380-415Y V | |
| Betriebsfaktor: | 1.30 | |
| Nennstrom: | 4.35/2.55 A | |
| Maximum current consumption: | 5.75/3.3 A | |
| Anlaufstrom: | 450-500 % | |
| Nenndrehzahl, 50 Hz: | 2855 1/min | |
| Efficiency at full load: | 82.7 % | |
| Schutzart (gemäß IEC 34-5): | IP54 | |
| Isolationsklasse (IEC 85): | F | |
| Ex-Schutz Standard: | kein Motorschutz | |
| Sonstiges: | ||
| Position des Klemmkastens: | 6 Uhr | |
| Mindesteffizienzindex MEI ≥: | 0.70 | |
| Nettogewicht: | 19.7 kg | |
| Bruttogewicht: | 20.8 kg | |
| Dänische VVS Nr.: | 386951010 | |
| Herkunftsland: | HU | |
| Zolltarif Nr.: | 84137075 | |
| Zulassungen: | WEEE | |
Videos
Hier können Sie Videos hinzufügen.
Versand & Zahlung
Schneller und sicherer Versand ganz Europaweit
Wir versenden Ihre Bestellungen zuverlässig mit unseren Premium-Partnern DHL, DPD und Schenker. So erreichen Ihre Pakete Sie im Handumdrehen – ob um die Ecke oder an die entlegenste Adresse Europas.
Zahlungsarten
Wählen Sie aus unseren sicheren und flexiblen Zahlungsoptionen:
Rechnung für Geschäftskunden (B2B) – Zahlung nach Freigabe Ihrer Bestellung
PayPal – schnell und einfach, ohne direkte Weitergabe Ihrer Kontodaten
Vorauskasse – Überweisen Sie den Betrag im Voraus, wir versenden nach Zahlungseingang
Kreditkarte (Visa, MasterCard, American Express) – sicher und sofort belastbar
Alle Zahlarten sind durch moderne Verschlüsselungstechnologien geschützt und garantieren Ihnen maximale Sicherheit und Komfort.
GRUNDFOS Eintauchpumpe MTH 2-10/10 A-W-A-AQQV -Art. 98992652
GRUNDFOS Eintauchpumpe MTH 2-10/10 A-W-A-AQQV -Art. 98992652
Unsere Vorteile
- Faire Preise – das ganze Jahr
- Top-Markenqualität von führenden Herstellern
- Sicherer & transparenter Versand
- 2 % Skonto bei Zahlung per Vorkasse
- Kompetente Beratung – telefonisch, per Mail oder persönlich
Informationen
Eintauchpumpe Typ: MTH 2-10/10 A-W-A-AQQV
Normalsaugende, mehrstufige Eintauchkreiselpumpe für vertikalen und horizontalen Behältereinbau mit 3-phasigen direkt-gekuppeltem Motor.
Die Pumpe besitzt folgende Eigenschaften:
|
| Art der Steuerung: | ||
| Frequency converter: | ohne | |
| Fördermedium: | ||
| Fördermedium: | Emulsion | |
| Medientemperaturbereich: | -10 .. 90 °C | |
| Medientemperatur während des Betriebs: | 60 °C | |
| Dichte: | 983.2 kg/m³ | |
| Technische Daten: | ||
| Nennförderstrom: | 41.7 l/min | |
| Nennförderhöhe: | 64.9 m | |
| Anzahl der Laufradkammern: | 10 | |
| Gleitringdichtung: | AQQV | |
| GLRD Code: | AQQV | |
| Zulassungen: | CE,UKCA | |
| Energy approvals for motor: | CE,CC,CNS, | |
| ISO Abnahmekl.: | ISO9906:2012 3B | |
| Werkstoffe: | ||
| Pumpengehäuse: | Grauguss | |
| Pumpenmantel: | EN 1561 EN-GJL-200 | |
| Pumpengehäuse: | ASTM A48-25B | |
| Laufradwerkstoff: | Edelstahl | |
| Laufrad: | EN 1.4301 | |
| Laufradwerkstoff gemäß ASTM: | AISI 304 | |
| Installation: | ||
| Maximale Umgebungstemperatur: | 60 °C | |
| Max. Betriebsdruck: | 10 bar | |
| Max. Druck bei vorgegebener Temperatur: | 10 bar / 90 °C | |
| Anschlusstyp: | Rp | |
| Größe des Druckanschlusses: | 3/4 inch | |
| Eintauchtiefe: | 271 mm | |
| Elektrische Daten: | ||
| Std. Motor: | IEC | |
| Baugröße: | 80C | |
| Mehrfachstecker: | nein | |
| IE Effizienzklasse 50Hz: | IE3 | |
| Rated power - P2: | 1.1 kW | |
| Netzfrequenz: | 50 Hz | |
| Geeignet für 50/60 Hz: | nein | |
| Bemessungsspannung: | 3 x 220-240D/380-415Y V | |
| Betriebsfaktor: | 1.30 | |
| Nennstrom: | 4.35/2.55 A | |
| Maximum current consumption: | 5.75/3.3 A | |
| Anlaufstrom: | 450-500 % | |
| Nenndrehzahl, 50 Hz: | 2855 1/min | |
| Efficiency at full load: | 82.7 % | |
| Schutzart (gemäß IEC 34-5): | IP54 | |
| Isolationsklasse (IEC 85): | F | |
| Ex-Schutz Standard: | kein Motorschutz | |
| Sonstiges: | ||
| Position des Klemmkastens: | 6 Uhr | |
| Mindesteffizienzindex MEI ≥: | 0.70 | |
| Nettogewicht: | 19.7 kg | |
| Bruttogewicht: | 20.8 kg | |
| Dänische VVS Nr.: | 386951010 | |
| Herkunftsland: | HU | |
| Zolltarif Nr.: | 84137075 | |
| Zulassungen: | WEEE | |
Videos
Videos
Hier können Sie Videos hinzufügen.
Downloads
Versand & Zahlung
Versand & Zahlung
Schneller und sicherer Versand ganz Europaweit
Wir versenden Ihre Bestellungen zuverlässig mit unseren Premium-Partnern DHL, DPD und Schenker. So erreichen Ihre Pakete Sie im Handumdrehen – ob um die Ecke oder an die entlegenste Adresse Europas.
Zahlungsarten
Wählen Sie aus unseren sicheren und flexiblen Zahlungsoptionen:
Rechnung für Geschäftskunden (B2B) – Zahlung nach Freigabe Ihrer Bestellung
PayPal – schnell und einfach, ohne direkte Weitergabe Ihrer Kontodaten
Vorauskasse – Überweisen Sie den Betrag im Voraus, wir versenden nach Zahlungseingang
Kreditkarte (Visa, MasterCard, American Express) – sicher und sofort belastbar
Alle Zahlarten sind durch moderne Verschlüsselungstechnologien geschützt und garantieren Ihnen maximale Sicherheit und Komfort.


