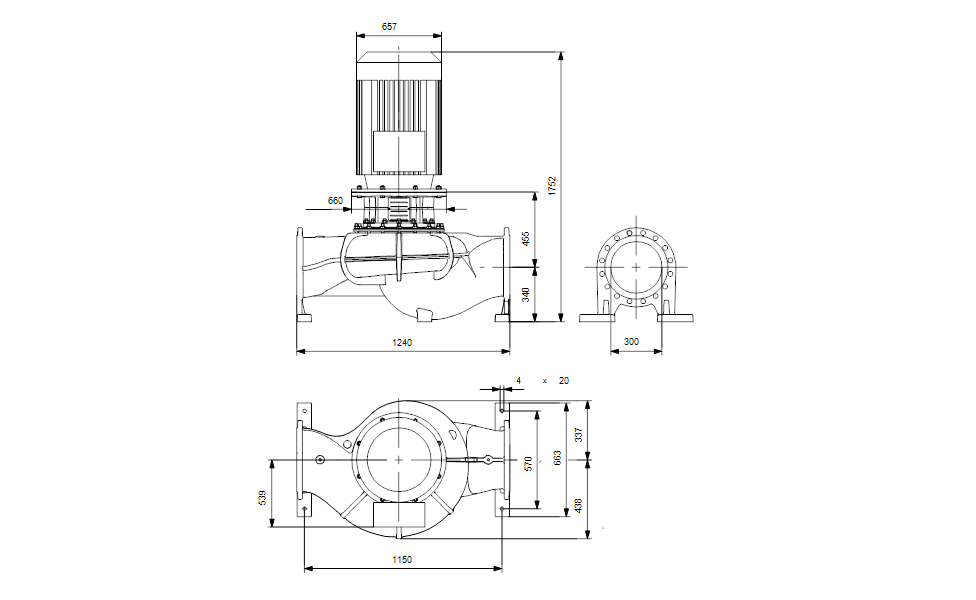
TP 300-430/4 A3-F-O-DAQF-1W3
Einstufige Spiralpumpe mit gegenüberliegenden Saug- und Druckstutzen in Inlinebauweise. Der Saug- und Druckstutzen haben den gleichen Durchmesser. Die Pumpen sind nach dem Top-Pull-Out-Prinzip konstruiert, d. h. der Pumpenkopf (Motor, Kopfstück und Laufrad) kann zur Instandhaltung oder Wartung einfach abgenommen werden, während das Pumpengehäuse in der Verrohrung verbleibt. Die Pumpe ist mit einer entlasteten O-Ring-Dichtung ausgerüstet. Die Gleitringdichtung entspricht EN 12756. Rohrleitungsanschluss über DIN-Flansche PN 25 gemäß EN 1092-2 und ISO 7005-2. Die Pumpe ist mit einem lüftergekühlten Asynchronmotor ausgerüstet.
| Art der Steuerung: | ||
| Frequency converter: | ohne | |
| Fördermedium: | ||
| Fördermedium: | Wasser | |
| Medientemperaturbereich: | 0 .. 140 °C | |
| Medientemperatur während des Betriebs: | 60 °C | |
| Dichte: | 983.2 kg/m³ | |
| Technische Daten: | ||
| Pumpendrehzahl, auf der die Pumpendaten beruhen: | 1492 1/min | |
| Nennförderstrom: | 819 m³/h | |
| Nennförderhöhe: | 36.88 m | |
| Tatsächlicher Laufraddurchmesser: | 358 mm | |
| Gleitringdichtung: | DAQF | |
| GLRD Code: | DAQF | |
| ISO Abnahmekl.: | ISO9906:2012 3B | |
| Werkstoffe: | ||
| Pumpengehäuse: | Kugelgraphit | |
| Pumpenmantel: | EN-GJS-400-18-LT | |
| Pumpengehäuse: | ASTM Grade 60-40-18 | |
| Laufradwerkstoff: | Grauguss | |
| Laufrad: | EN-GJL-200 | |
| Laufradwerkstoff gemäß ASTM: | ASTM class 30 | |
| Installation: | ||
| Umgebungstemperatur: | -20 .. 55 °C | |
| Max. Betriebsdruck: | 25 bar | |
| Max. Druck bei vorgegebener Temperatur: | 25 bar / 140 °C | |
| Pipe connection standard: | EN 1092-2 | |
| Anschlusstyp: | DIN | |
| Anschlussgröße: | DN 300 | |
| Nenndruckstufe: | PN 25 | |
| Einbaulänge: | 1240 mm | |
| Grösse Motorflansch: | FF600 | |
| Elektrische Daten: | ||
| Bauart des Motors: | INNOMOTICS | |
| Motorbemessungsleistung P2: | 110 kW | |
| Netzfrequenz: | 50 Hz | |
| Bemessungsspannung: | 3 x 380-420D/660-725Y V | |
| Bemessungsstrom: | 192 A | |
| Anlaufstrom: | 860 % | |
| Leistungsfaktor Cos phi: | 0.86 | |
| Nenn-Drehzahl: | 1491 1/min | |
| Wirkungsgrad: | IE4 96,3% | |
| IE-Wirkungsgradklasse: | IE4 | |
| Motorwirkungsgrad bei Vollast: | 96.3 % | |
| Motorwirkungsgrad bei 3/4-Last: | 96.4 % | |
| Motorwirkungsgrad bei halber Last: | 96 % | |
| Motorpole: | 4 | |
| Schutzart (gemäß IEC 34-5): | IP55 | |
| Wärmeklasse (IEC 85): | F | |
| Motor - Produktnummer: | 92910063 | |
| Sonstiges: | ||
| Mindesteffizienzindex MEI ≥: | 0.70 | |
| Nettogewicht: | 1640 kg | |
| Bruttogewicht: | 1720 kg | |
| Versandvol.: | 3.24 m³ | |
| Herkunftsland: | HU | |
| Zolltarif Nr.: | 84137051 | |
Videos
Hier können Sie Videos hinzufügen.
Versand & Zahlung
Schneller und sicherer Versand ganz Europaweit
Wir versenden Ihre Bestellungen zuverlässig mit unseren Premium-Partnern DHL, DPD und Schenker. So erreichen Ihre Pakete Sie im Handumdrehen – ob um die Ecke oder an die entlegenste Adresse Europas.
Zahlungsarten
Wählen Sie aus unseren sicheren und flexiblen Zahlungsoptionen:
Rechnung für Geschäftskunden (B2B) – Zahlung nach Freigabe Ihrer Bestellung
PayPal – schnell und einfach, ohne direkte Weitergabe Ihrer Kontodaten
Vorauskasse – Überweisen Sie den Betrag im Voraus, wir versenden nach Zahlungseingang
Kreditkarte (Visa, MasterCard, American Express) – sicher und sofort belastbar
Alle Zahlarten sind durch moderne Verschlüsselungstechnologien geschützt und garantieren Ihnen maximale Sicherheit und Komfort.
GRUNDFOS Einstufige Inlinepumpe TP 300-430/4 A3-F-O-DAQF-1W3 -Art. 99087227
GRUNDFOS Einstufige Inlinepumpe TP 300-430/4 A3-F-O-DAQF-1W3 -Art. 99087227
Unsere Vorteile
- Faire Preise – das ganze Jahr
- Top-Markenqualität von führenden Herstellern
- Sicherer & transparenter Versand
- 2 % Skonto bei Zahlung per Vorkasse
- Kompetente Beratung – telefonisch, per Mail oder persönlich
Informationen
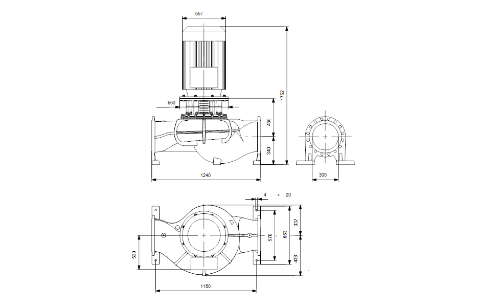
TP 300-430/4 A3-F-O-DAQF-1W3
Einstufige Spiralpumpe mit gegenüberliegenden Saug- und Druckstutzen in Inlinebauweise. Der Saug- und Druckstutzen haben den gleichen Durchmesser. Die Pumpen sind nach dem Top-Pull-Out-Prinzip konstruiert, d. h. der Pumpenkopf (Motor, Kopfstück und Laufrad) kann zur Instandhaltung oder Wartung einfach abgenommen werden, während das Pumpengehäuse in der Verrohrung verbleibt. Die Pumpe ist mit einer entlasteten O-Ring-Dichtung ausgerüstet. Die Gleitringdichtung entspricht EN 12756. Rohrleitungsanschluss über DIN-Flansche PN 25 gemäß EN 1092-2 und ISO 7005-2. Die Pumpe ist mit einem lüftergekühlten Asynchronmotor ausgerüstet.
| Art der Steuerung: | ||
| Frequency converter: | ohne | |
| Fördermedium: | ||
| Fördermedium: | Wasser | |
| Medientemperaturbereich: | 0 .. 140 °C | |
| Medientemperatur während des Betriebs: | 60 °C | |
| Dichte: | 983.2 kg/m³ | |
| Technische Daten: | ||
| Pumpendrehzahl, auf der die Pumpendaten beruhen: | 1492 1/min | |
| Nennförderstrom: | 819 m³/h | |
| Nennförderhöhe: | 36.88 m | |
| Tatsächlicher Laufraddurchmesser: | 358 mm | |
| Gleitringdichtung: | DAQF | |
| GLRD Code: | DAQF | |
| ISO Abnahmekl.: | ISO9906:2012 3B | |
| Werkstoffe: | ||
| Pumpengehäuse: | Kugelgraphit | |
| Pumpenmantel: | EN-GJS-400-18-LT | |
| Pumpengehäuse: | ASTM Grade 60-40-18 | |
| Laufradwerkstoff: | Grauguss | |
| Laufrad: | EN-GJL-200 | |
| Laufradwerkstoff gemäß ASTM: | ASTM class 30 | |
| Installation: | ||
| Umgebungstemperatur: | -20 .. 55 °C | |
| Max. Betriebsdruck: | 25 bar | |
| Max. Druck bei vorgegebener Temperatur: | 25 bar / 140 °C | |
| Pipe connection standard: | EN 1092-2 | |
| Anschlusstyp: | DIN | |
| Anschlussgröße: | DN 300 | |
| Nenndruckstufe: | PN 25 | |
| Einbaulänge: | 1240 mm | |
| Grösse Motorflansch: | FF600 | |
| Elektrische Daten: | ||
| Bauart des Motors: | INNOMOTICS | |
| Motorbemessungsleistung P2: | 110 kW | |
| Netzfrequenz: | 50 Hz | |
| Bemessungsspannung: | 3 x 380-420D/660-725Y V | |
| Bemessungsstrom: | 192 A | |
| Anlaufstrom: | 860 % | |
| Leistungsfaktor Cos phi: | 0.86 | |
| Nenn-Drehzahl: | 1491 1/min | |
| Wirkungsgrad: | IE4 96,3% | |
| IE-Wirkungsgradklasse: | IE4 | |
| Motorwirkungsgrad bei Vollast: | 96.3 % | |
| Motorwirkungsgrad bei 3/4-Last: | 96.4 % | |
| Motorwirkungsgrad bei halber Last: | 96 % | |
| Motorpole: | 4 | |
| Schutzart (gemäß IEC 34-5): | IP55 | |
| Wärmeklasse (IEC 85): | F | |
| Motor - Produktnummer: | 92910063 | |
| Sonstiges: | ||
| Mindesteffizienzindex MEI ≥: | 0.70 | |
| Nettogewicht: | 1640 kg | |
| Bruttogewicht: | 1720 kg | |
| Versandvol.: | 3.24 m³ | |
| Herkunftsland: | HU | |
| Zolltarif Nr.: | 84137051 | |
Videos
Videos
Hier können Sie Videos hinzufügen.
Downloads
Versand & Zahlung
Versand & Zahlung
Schneller und sicherer Versand ganz Europaweit
Wir versenden Ihre Bestellungen zuverlässig mit unseren Premium-Partnern DHL, DPD und Schenker. So erreichen Ihre Pakete Sie im Handumdrehen – ob um die Ecke oder an die entlegenste Adresse Europas.
Zahlungsarten
Wählen Sie aus unseren sicheren und flexiblen Zahlungsoptionen:
Rechnung für Geschäftskunden (B2B) – Zahlung nach Freigabe Ihrer Bestellung
PayPal – schnell und einfach, ohne direkte Weitergabe Ihrer Kontodaten
Vorauskasse – Überweisen Sie den Betrag im Voraus, wir versenden nach Zahlungseingang
Kreditkarte (Visa, MasterCard, American Express) – sicher und sofort belastbar
Alle Zahlarten sind durch moderne Verschlüsselungstechnologien geschützt und garantieren Ihnen maximale Sicherheit und Komfort.


