Drucksteuerung Allround-Ausführung PM 2
Der Druckmanager PM 2 ist der Alleskönner im Bereich der Drucksteuer- einheiten. So bietet er u.a. einen zwischen 1.5 und 5 bar frei wähl- baren Einschaltdruck und somit eine kundenspezifische Anpassungsmöglich- keit an unterschiedliche Installationen und Komfortansprüche. Der Einschalt- druck wird dazu am Gerät eingestellt und der aktuelle Druck wird außen am Bedienfeld mit Hilfe einer LED-Anzeige angezeigt. Der Druckmanager PM 2 schaltet die Pumpe bei Erreichen des Einschaltdrucks ein und lässt die Pumpe solange laufen, bis kein Wasser mehr entnommen wird.
Der Druckmanager PM 2 besitzt einen integrierten Druckbehälter, um die Anzahl der Ein- und Ausschaltungen bei kleinen Leckagen im System zu be- grenzen.
Zusätzlich kann der PM 2 für den Betrieb in Verbindung mit einem großen, bauseitigen Druckbehälter durch Aktivierung der 1-bar-Differenzdruck-Funktion optimiert werden. So lässt sich die Anzahl der Betriebsstunden der Pumpe in Installationen mit externen Druck- behältern erheblich reduzieren.
Funktionen Modell PM 2:
|
| Art der Steuerung: | ||
| Type of connector: | Type E/F (CEE7/7) | |
| Trockenlaufschutz: | Ja | |
| Fördermedium: | ||
| Medientemperaturbereich: | 0 .. 40 °C | |
| Technische Daten: | ||
| Zulassungen: | CE,EAC,RCM | |
| Trinkwasserzulassungen: | WRAS,ACS | |
| Rückschlagventil: | Ja | |
| Adjustable start pressure (Yes/No): | ja | |
| Einschaltdruck: | 1.5 - 5.0 bar | |
| Werkstoffe: | ||
| Pumpengehäuse: | Verbundwerkstoff | |
| Pumpenmantel: | Polypropylene | |
| Installation: | ||
| Maximale Umgebungstemperatur: | 50 °C | |
| Max. Betriebsdruck: | 145 bar | |
| Anschluss Eingang: | G1" | |
| Anschluss Ausgang: | G1" | |
| Innengewinde: | Außen | |
| Auslassgewinde: | Extern | |
| Elektrische Daten: | ||
| Maximale Leistungsaufnahme P1: | 2000 W | |
| Netzfrequenz: | 50 / 60 Hz | |
| Geeignet für 50/60 Hz: | ja | |
| Bemessungsspannung: | 1 x 220-240 V | |
| Maximale Stromaufnahme: | 10 A | |
| Schutzart (gemäß IEC 34-5): | IP65 | |
| Kabellänge: | 1.5 m | |
| Length of power cable: | 0.5 m | |
| Netzstecker: | Schuko-Stecker | |
| Behälter: | ||
| Behältervolumen: | 0.1 l | |
| Sonstiges: | ||
| Nettogewicht: | 1.42 kg | |
| Bruttogewicht: | 2.2 kg | |
| Versandvol.: | 0.01 m³ | |
| Dänische VVS Nr.: | 385549232 | |
| Schwedische RSK Nr.: | 5928695 | |
| Finische LVI Nr.: | 4772013 | |
| Herkunftsland: | IT | |
| Zolltarif Nr.: | 85371098 | |
| Zulassungen: | WEEE | |
Videos
Hier können Sie Videos hinzufügen.
Versand & Zahlung
Schneller und sicherer Versand ganz Europaweit
Wir versenden Ihre Bestellungen zuverlässig mit unseren Premium-Partnern DHL, DPD und Schenker. So erreichen Ihre Pakete Sie im Handumdrehen – ob um die Ecke oder an die entlegenste Adresse Europas.
Zahlungsarten
Wählen Sie aus unseren sicheren und flexiblen Zahlungsoptionen:
Rechnung für Geschäftskunden (B2B) – Zahlung nach Freigabe Ihrer Bestellung
PayPal – schnell und einfach, ohne direkte Weitergabe Ihrer Kontodaten
Vorauskasse – Überweisen Sie den Betrag im Voraus, wir versenden nach Zahlungseingang
Kreditkarte (Visa, MasterCard, American Express) – sicher und sofort belastbar
Alle Zahlarten sind durch moderne Verschlüsselungstechnologien geschützt und garantieren Ihnen maximale Sicherheit und Komfort.
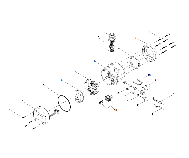
GRUNDFOS Druckmanager PM 2 - Art Nr. 96848740
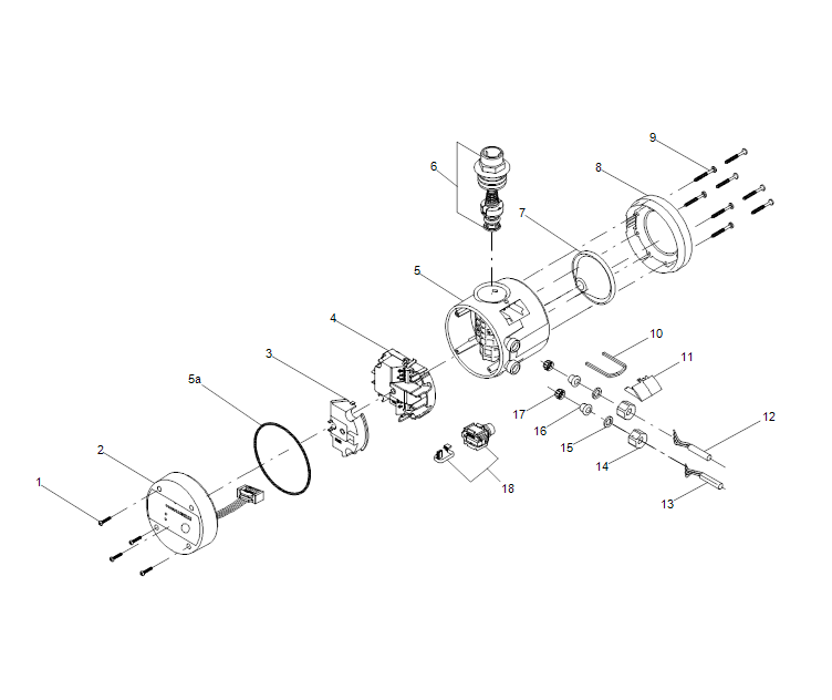
GRUNDFOS Druckmanager PM 2 - Art Nr. 96848740
Unsere Vorteile
- Faire Preise – das ganze Jahr
- Top-Markenqualität von führenden Herstellern
- Sicherer & transparenter Versand
- 2 % Skonto bei Zahlung per Vorkasse
- Kompetente Beratung – telefonisch, per Mail oder persönlich
Informationen
Drucksteuerung Allround-Ausführung PM 2
Der Druckmanager PM 2 ist der Alleskönner im Bereich der Drucksteuer- einheiten. So bietet er u.a. einen zwischen 1.5 und 5 bar frei wähl- baren Einschaltdruck und somit eine kundenspezifische Anpassungsmöglich- keit an unterschiedliche Installationen und Komfortansprüche. Der Einschalt- druck wird dazu am Gerät eingestellt und der aktuelle Druck wird außen am Bedienfeld mit Hilfe einer LED-Anzeige angezeigt. Der Druckmanager PM 2 schaltet die Pumpe bei Erreichen des Einschaltdrucks ein und lässt die Pumpe solange laufen, bis kein Wasser mehr entnommen wird.
Der Druckmanager PM 2 besitzt einen integrierten Druckbehälter, um die Anzahl der Ein- und Ausschaltungen bei kleinen Leckagen im System zu be- grenzen.
Zusätzlich kann der PM 2 für den Betrieb in Verbindung mit einem großen, bauseitigen Druckbehälter durch Aktivierung der 1-bar-Differenzdruck-Funktion optimiert werden. So lässt sich die Anzahl der Betriebsstunden der Pumpe in Installationen mit externen Druck- behältern erheblich reduzieren.
Funktionen Modell PM 2:
|
| Art der Steuerung: | ||
| Type of connector: | Type E/F (CEE7/7) | |
| Trockenlaufschutz: | Ja | |
| Fördermedium: | ||
| Medientemperaturbereich: | 0 .. 40 °C | |
| Technische Daten: | ||
| Zulassungen: | CE,EAC,RCM | |
| Trinkwasserzulassungen: | WRAS,ACS | |
| Rückschlagventil: | Ja | |
| Adjustable start pressure (Yes/No): | ja | |
| Einschaltdruck: | 1.5 - 5.0 bar | |
| Werkstoffe: | ||
| Pumpengehäuse: | Verbundwerkstoff | |
| Pumpenmantel: | Polypropylene | |
| Installation: | ||
| Maximale Umgebungstemperatur: | 50 °C | |
| Max. Betriebsdruck: | 145 bar | |
| Anschluss Eingang: | G1" | |
| Anschluss Ausgang: | G1" | |
| Innengewinde: | Außen | |
| Auslassgewinde: | Extern | |
| Elektrische Daten: | ||
| Maximale Leistungsaufnahme P1: | 2000 W | |
| Netzfrequenz: | 50 / 60 Hz | |
| Geeignet für 50/60 Hz: | ja | |
| Bemessungsspannung: | 1 x 220-240 V | |
| Maximale Stromaufnahme: | 10 A | |
| Schutzart (gemäß IEC 34-5): | IP65 | |
| Kabellänge: | 1.5 m | |
| Length of power cable: | 0.5 m | |
| Netzstecker: | Schuko-Stecker | |
| Behälter: | ||
| Behältervolumen: | 0.1 l | |
| Sonstiges: | ||
| Nettogewicht: | 1.42 kg | |
| Bruttogewicht: | 2.2 kg | |
| Versandvol.: | 0.01 m³ | |
| Dänische VVS Nr.: | 385549232 | |
| Schwedische RSK Nr.: | 5928695 | |
| Finische LVI Nr.: | 4772013 | |
| Herkunftsland: | IT | |
| Zolltarif Nr.: | 85371098 | |
| Zulassungen: | WEEE | |
Videos
Videos
Hier können Sie Videos hinzufügen.
Downloads
Versand & Zahlung
Versand & Zahlung
Schneller und sicherer Versand ganz Europaweit
Wir versenden Ihre Bestellungen zuverlässig mit unseren Premium-Partnern DHL, DPD und Schenker. So erreichen Ihre Pakete Sie im Handumdrehen – ob um die Ecke oder an die entlegenste Adresse Europas.
Zahlungsarten
Wählen Sie aus unseren sicheren und flexiblen Zahlungsoptionen:
Rechnung für Geschäftskunden (B2B) – Zahlung nach Freigabe Ihrer Bestellung
PayPal – schnell und einfach, ohne direkte Weitergabe Ihrer Kontodaten
Vorauskasse – Überweisen Sie den Betrag im Voraus, wir versenden nach Zahlungseingang
Kreditkarte (Visa, MasterCard, American Express) – sicher und sofort belastbar
Alle Zahlarten sind durch moderne Verschlüsselungstechnologien geschützt und garantieren Ihnen maximale Sicherheit und Komfort.


