DPI/--0-1.0b/1/ G/D.900-B/V-5/-B/02B/SD-1
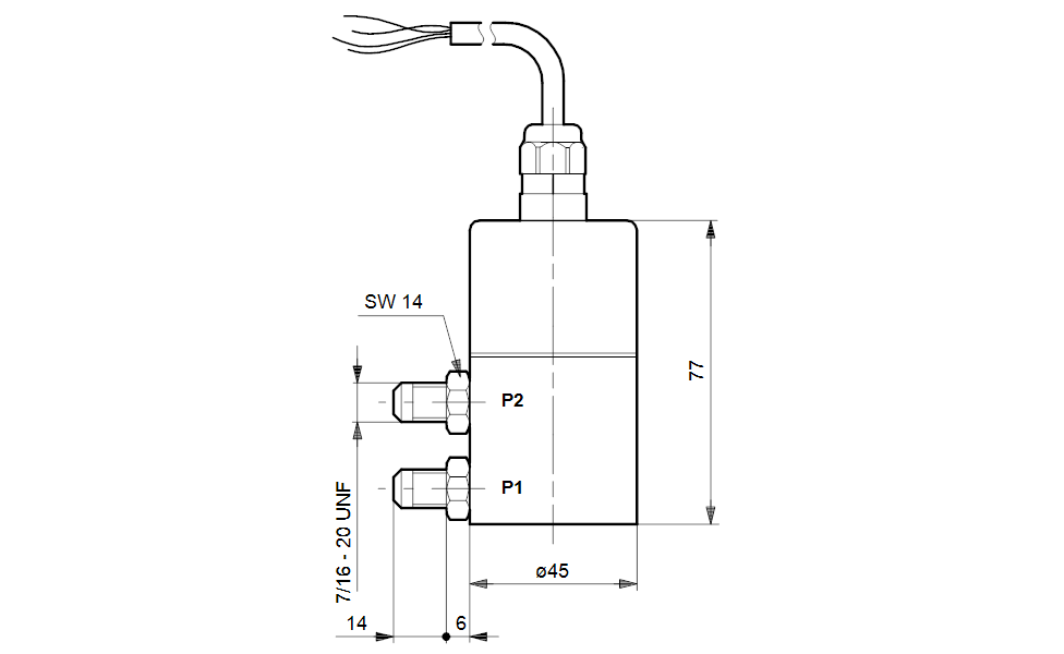
Die Differenzdrucksensoren der Baureihe DPI und die kombinierten Differenzdruck- und Temperatursensoren der Baureihe DPI+T sowie die Drucksensoren der Baureihe RPI und die kombinierten Druck- und Temperatursensoren der Baureihe RPI+T arbeiten nach dem piezoresistiven Messprinzip und sind für den industriellen Einsatz in unterschiedlichsten Anwendungen ausgelegt.
Die Sensoren sind aus Edelstahl 1.4404 und werden mit einem 2 m langen Anschlusskabel mit M12-Stecker geliefert. Zum Lieferumfang der Differenzdrucksensoren DPI sowie der kombinierten Differenzdruck- und Temperatursensoren gehören zudem ein 1 m langes Kapillarrohr und ein Anschlussadapter G1/4.
Das Ausgangssignal 4-20 mA der Sensoren DPI und RPI, das der Zweileitermessumformer liefert, kann in allen gängigen Industrie-Steuerungen verarbeitet werden und muss beim Anschluss des Sensors nicht kalibriert werden.
Das Ausgangssignal für die Differenzdruck- bzw. Druck- und Temperaturmessung der Sensoren DPI+T und RPI+T ist jeweils ein 0-10 V Signal und kann in allen gängigen Industrie-Steuerungen verarbeitet werden. Beim Anschluss des Sensors muss dieser nicht kalibriert werden.
Der Sensor DPI und RPI benötigt eine Spannungsversorgung von 12,5-30 VDC.
Der Sensor DPI+T und RPI+T benötigt eine Spannungsversorgung von 16,6-30 VDC.
| Fördermedium: | ||
| Medientemperaturbereich: | -10 .. 70 °C | |
| Technische Daten: | ||
| Zulassungen: | EAC | |
| Pressure differential functionality (Yes/No): | ja | |
| Pressure relative functionality (Yes/No): | Nein | |
| Flow functionality (Yes/No): | Nein | |
| Temperature functionality (Yes/No): | Nein | |
| Minimum measuring pressure: | 0 bar | |
| Maximum measuring pressure: | 1 bar | |
| Installation: | ||
| Umgebungstemperatur: | -40 .. 70 °C | |
| Elektrische Daten: | ||
| Schutzart (gemäß IEC 34-5): | IP55 | |
| Kabellänge: | 0.9 m | |
| Minimum rated voltage DC: | 12.00 V | |
| Maximum rated voltage DC: | 30.00 V | |
| Sonstiges: | ||
| Nettogewicht: | 0.96 kg | |
| Bruttogewicht: | 1.3 kg | |
| Dänische VVS Nr.: | 475273010 | |
| Schwedische RSK Nr.: | 6010202 | |
| Finische LVI Nr.: | 4534503 | |
| Herkunftsland: | DK | |
| Zolltarif Nr.: | 90262020 |
Videos
Hier können Sie Videos hinzufügen.
Versand & Zahlung
Schneller und sicherer Versand ganz Europaweit
Wir versenden Ihre Bestellungen zuverlässig mit unseren Premium-Partnern DHL, DPD und Schenker. So erreichen Ihre Pakete Sie im Handumdrehen – ob um die Ecke oder an die entlegenste Adresse Europas.
Zahlungsarten
Wählen Sie aus unseren sicheren und flexiblen Zahlungsoptionen:
Rechnung für Geschäftskunden (B2B) – Zahlung nach Freigabe Ihrer Bestellung
PayPal – schnell und einfach, ohne direkte Weitergabe Ihrer Kontodaten
Vorauskasse – Überweisen Sie den Betrag im Voraus, wir versenden nach Zahlungseingang
Kreditkarte (Visa, MasterCard, American Express) – sicher und sofort belastbar
Alle Zahlarten sind durch moderne Verschlüsselungstechnologien geschützt und garantieren Ihnen maximale Sicherheit und Komfort.
GRUNDFOS DPI/--0-1.0b/1/ G/D.900-B/V-5/-B/02B/SD-1 -Art. 96611523
GRUNDFOS DPI/--0-1.0b/1/ G/D.900-B/V-5/-B/02B/SD-1 -Art. 96611523
Unsere Vorteile
- Faire Preise – das ganze Jahr
- Top-Markenqualität von führenden Herstellern
- Sicherer & transparenter Versand
- 2 % Skonto bei Zahlung per Vorkasse
- Kompetente Beratung – telefonisch, per Mail oder persönlich
Informationen
DPI/--0-1.0b/1/ G/D.900-B/V-5/-B/02B/SD-1
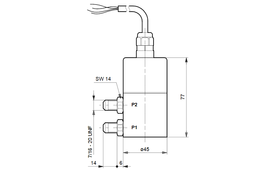
Die Differenzdrucksensoren der Baureihe DPI und die kombinierten Differenzdruck- und Temperatursensoren der Baureihe DPI+T sowie die Drucksensoren der Baureihe RPI und die kombinierten Druck- und Temperatursensoren der Baureihe RPI+T arbeiten nach dem piezoresistiven Messprinzip und sind für den industriellen Einsatz in unterschiedlichsten Anwendungen ausgelegt.
Die Sensoren sind aus Edelstahl 1.4404 und werden mit einem 2 m langen Anschlusskabel mit M12-Stecker geliefert. Zum Lieferumfang der Differenzdrucksensoren DPI sowie der kombinierten Differenzdruck- und Temperatursensoren gehören zudem ein 1 m langes Kapillarrohr und ein Anschlussadapter G1/4.
Das Ausgangssignal 4-20 mA der Sensoren DPI und RPI, das der Zweileitermessumformer liefert, kann in allen gängigen Industrie-Steuerungen verarbeitet werden und muss beim Anschluss des Sensors nicht kalibriert werden.
Das Ausgangssignal für die Differenzdruck- bzw. Druck- und Temperaturmessung der Sensoren DPI+T und RPI+T ist jeweils ein 0-10 V Signal und kann in allen gängigen Industrie-Steuerungen verarbeitet werden. Beim Anschluss des Sensors muss dieser nicht kalibriert werden.
Der Sensor DPI und RPI benötigt eine Spannungsversorgung von 12,5-30 VDC.
Der Sensor DPI+T und RPI+T benötigt eine Spannungsversorgung von 16,6-30 VDC.
| Fördermedium: | ||
| Medientemperaturbereich: | -10 .. 70 °C | |
| Technische Daten: | ||
| Zulassungen: | EAC | |
| Pressure differential functionality (Yes/No): | ja | |
| Pressure relative functionality (Yes/No): | Nein | |
| Flow functionality (Yes/No): | Nein | |
| Temperature functionality (Yes/No): | Nein | |
| Minimum measuring pressure: | 0 bar | |
| Maximum measuring pressure: | 1 bar | |
| Installation: | ||
| Umgebungstemperatur: | -40 .. 70 °C | |
| Elektrische Daten: | ||
| Schutzart (gemäß IEC 34-5): | IP55 | |
| Kabellänge: | 0.9 m | |
| Minimum rated voltage DC: | 12.00 V | |
| Maximum rated voltage DC: | 30.00 V | |
| Sonstiges: | ||
| Nettogewicht: | 0.96 kg | |
| Bruttogewicht: | 1.3 kg | |
| Dänische VVS Nr.: | 475273010 | |
| Schwedische RSK Nr.: | 6010202 | |
| Finische LVI Nr.: | 4534503 | |
| Herkunftsland: | DK | |
| Zolltarif Nr.: | 90262020 |
Videos
Videos
Hier können Sie Videos hinzufügen.
Downloads
Versand & Zahlung
Versand & Zahlung
Schneller und sicherer Versand ganz Europaweit
Wir versenden Ihre Bestellungen zuverlässig mit unseren Premium-Partnern DHL, DPD und Schenker. So erreichen Ihre Pakete Sie im Handumdrehen – ob um die Ecke oder an die entlegenste Adresse Europas.
Zahlungsarten
Wählen Sie aus unseren sicheren und flexiblen Zahlungsoptionen:
Rechnung für Geschäftskunden (B2B) – Zahlung nach Freigabe Ihrer Bestellung
PayPal – schnell und einfach, ohne direkte Weitergabe Ihrer Kontodaten
Vorauskasse – Überweisen Sie den Betrag im Voraus, wir versenden nach Zahlungseingang
Kreditkarte (Visa, MasterCard, American Express) – sicher und sofort belastbar
Alle Zahlarten sind durch moderne Verschlüsselungstechnologien geschützt und garantieren Ihnen maximale Sicherheit und Komfort.


