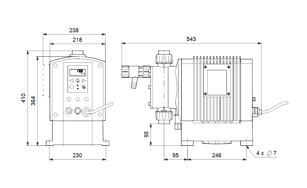
Dosierpumpe DME375-10AR PP/V/G-S-31A2A2F
Membrandosierpumpe, angetrieben durch drehzahlvariablen Antriebsmotor mit konstanter Druckhubgeschwindigkeit. Einstellbereich der Dosiermenge 1:800.
Zahlreiche Ansteuermöglichkeiten:
|
Anzeige und Einstellung der Dosiermenge direkt in l/h oder ml/h über das Display. 100% Taste zur Schnellentlüftung. Sperrung der Bedientasten über PIN-Code. Einfache Kalibrierung über internes Kalibrierprogramm. Begrenzung der max. Dosiermenge. Interne Zählfunktion für Betriebsstunden, Anzahl der Hübe, Gesamtdosiermenge und Ein/Aus Schaltungen. Pumpe ist mit einem internen Überlastschutzausgestattet. Bedienfeld mit mehrsprachiger Menü- führung, beleuchteter LC- Anzeige und "Soft-touch" Tasten.Antikavitations- funktion für höher viskose Medien. Dosierüberwachung durch durch externe Dosierkontrolle (Zubehör) möglich. 14 verschiedene Menüsprachen anwählbar. Modell AR mit Alarmausgang. Ausgangs- signal für Dosierbetrieb und Schnitt- stelle für Membranbruchsensor.
Optionen:
|
Fernbedienung über das Prozessleitsystem
|
Pumpenkopf besteht aus:
|
| Technische Daten: | |||
| Art der Steuerung: | |||
| Steuerungsvariante: | AR | ||
| Niveaukontrolle: | Y | ||
| Fördermedium: | |||
| Fördermedium: | Wasser | ||
| Medientemperatur während des Betriebs: | 60 °C | ||
| Dichte: | 983.2 kg/m³ | ||
| Technische Daten: | |||
| Zulassungen: | CE, EAC, NSF61, WEEE, CN ROHS | ||
| Werkstoffe: | |||
| Pumpengehäuse: | Polypropylen | ||
| Ventilkugel: | Glas | ||
| Dichtung: | FKM | ||
| Installation: | |||
| Max. Betriebsdruck: | 10 bar | ||
| Anschluss Saugstutzen: | THREADED RP 1 1/4" | ||
| Anschluss Druckstutzen: | THREADED RP 1 1/4" | ||
| Elektrische Daten: | |||
| Leistungsaufnahme P1: | 240 W | ||
| Netzfrequenz: | 50 / 60 Hz | ||
| Bemessungsspannung: | 1 x 100-240 V | ||
| Bemessungsstrom: | 2.4-1.0 A | ||
| Art des Kabelsteckers: | SCHUKO | ||
| Sonstiges: | |||
| Nettogewicht: | 21 kg | ||
| Bruttogewicht: | 24.1 kg | ||
| Herkunftsland: | FR | ||
| Zolltarif Nr.: | 84135040 | ||
Videos
Hier können Sie Videos hinzufügen.
Versand & Zahlung
Schneller und sicherer Versand ganz Europaweit
Wir versenden Ihre Bestellungen zuverlässig mit unseren Premium-Partnern DHL, DPD und Schenker. So erreichen Ihre Pakete Sie im Handumdrehen – ob um die Ecke oder an die entlegenste Adresse Europas.
Zahlungsarten
Wählen Sie aus unseren sicheren und flexiblen Zahlungsoptionen:
Rechnung für Geschäftskunden (B2B) – Zahlung nach Freigabe Ihrer Bestellung
PayPal – schnell und einfach, ohne direkte Weitergabe Ihrer Kontodaten
Vorauskasse – Überweisen Sie den Betrag im Voraus, wir versenden nach Zahlungseingang
Kreditkarte (Visa, MasterCard, American Express) – sicher und sofort belastbar
Alle Zahlarten sind durch moderne Verschlüsselungstechnologien geschützt und garantieren Ihnen maximale Sicherheit und Komfort.
GRUNDFOS Digitale Dosierpumpe DME375-10AR PP/V/G-S-31A2A2F -Art. 96524944
GRUNDFOS Digitale Dosierpumpe DME375-10AR PP/V/G-S-31A2A2F -Art. 96524944
Unsere Vorteile
- Faire Preise – das ganze Jahr
- Top-Markenqualität von führenden Herstellern
- Sicherer & transparenter Versand
- 2 % Skonto bei Zahlung per Vorkasse
- Kompetente Beratung – telefonisch, per Mail oder persönlich
Informationen
Dosierpumpe DME375-10AR PP/V/G-S-31A2A2F
Membrandosierpumpe, angetrieben durch drehzahlvariablen Antriebsmotor mit konstanter Druckhubgeschwindigkeit. Einstellbereich der Dosiermenge 1:800.
Zahlreiche Ansteuermöglichkeiten:
|
Anzeige und Einstellung der Dosiermenge direkt in l/h oder ml/h über das Display. 100% Taste zur Schnellentlüftung. Sperrung der Bedientasten über PIN-Code. Einfache Kalibrierung über internes Kalibrierprogramm. Begrenzung der max. Dosiermenge. Interne Zählfunktion für Betriebsstunden, Anzahl der Hübe, Gesamtdosiermenge und Ein/Aus Schaltungen. Pumpe ist mit einem internen Überlastschutzausgestattet. Bedienfeld mit mehrsprachiger Menü- führung, beleuchteter LC- Anzeige und "Soft-touch" Tasten.Antikavitations- funktion für höher viskose Medien. Dosierüberwachung durch durch externe Dosierkontrolle (Zubehör) möglich. 14 verschiedene Menüsprachen anwählbar. Modell AR mit Alarmausgang. Ausgangs- signal für Dosierbetrieb und Schnitt- stelle für Membranbruchsensor.
Optionen:
|
Fernbedienung über das Prozessleitsystem
|
Pumpenkopf besteht aus:
|
| Technische Daten: | |||
| Art der Steuerung: | |||
| Steuerungsvariante: | AR | ||
| Niveaukontrolle: | Y | ||
| Fördermedium: | |||
| Fördermedium: | Wasser | ||
| Medientemperatur während des Betriebs: | 60 °C | ||
| Dichte: | 983.2 kg/m³ | ||
| Technische Daten: | |||
| Zulassungen: | CE, EAC, NSF61, WEEE, CN ROHS | ||
| Werkstoffe: | |||
| Pumpengehäuse: | Polypropylen | ||
| Ventilkugel: | Glas | ||
| Dichtung: | FKM | ||
| Installation: | |||
| Max. Betriebsdruck: | 10 bar | ||
| Anschluss Saugstutzen: | THREADED RP 1 1/4" | ||
| Anschluss Druckstutzen: | THREADED RP 1 1/4" | ||
| Elektrische Daten: | |||
| Leistungsaufnahme P1: | 240 W | ||
| Netzfrequenz: | 50 / 60 Hz | ||
| Bemessungsspannung: | 1 x 100-240 V | ||
| Bemessungsstrom: | 2.4-1.0 A | ||
| Art des Kabelsteckers: | SCHUKO | ||
| Sonstiges: | |||
| Nettogewicht: | 21 kg | ||
| Bruttogewicht: | 24.1 kg | ||
| Herkunftsland: | FR | ||
| Zolltarif Nr.: | 84135040 | ||
Videos
Videos
Hier können Sie Videos hinzufügen.
Downloads
Versand & Zahlung
Versand & Zahlung
Schneller und sicherer Versand ganz Europaweit
Wir versenden Ihre Bestellungen zuverlässig mit unseren Premium-Partnern DHL, DPD und Schenker. So erreichen Ihre Pakete Sie im Handumdrehen – ob um die Ecke oder an die entlegenste Adresse Europas.
Zahlungsarten
Wählen Sie aus unseren sicheren und flexiblen Zahlungsoptionen:
Rechnung für Geschäftskunden (B2B) – Zahlung nach Freigabe Ihrer Bestellung
PayPal – schnell und einfach, ohne direkte Weitergabe Ihrer Kontodaten
Vorauskasse – Überweisen Sie den Betrag im Voraus, wir versenden nach Zahlungseingang
Kreditkarte (Visa, MasterCard, American Express) – sicher und sofort belastbar
Alle Zahlarten sind durch moderne Verschlüsselungstechnologien geschützt und garantieren Ihnen maximale Sicherheit und Komfort.


