CME 3-8 A-R-I-V-AQQV S-A-D-N
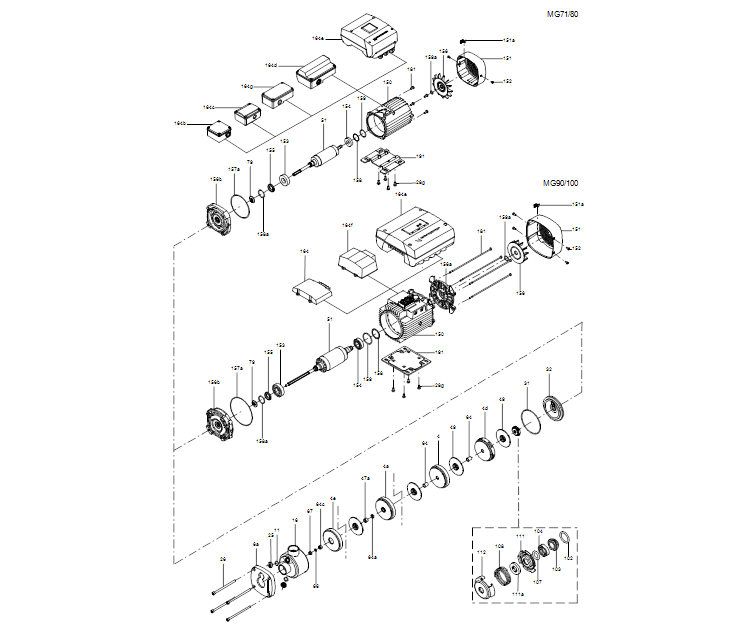
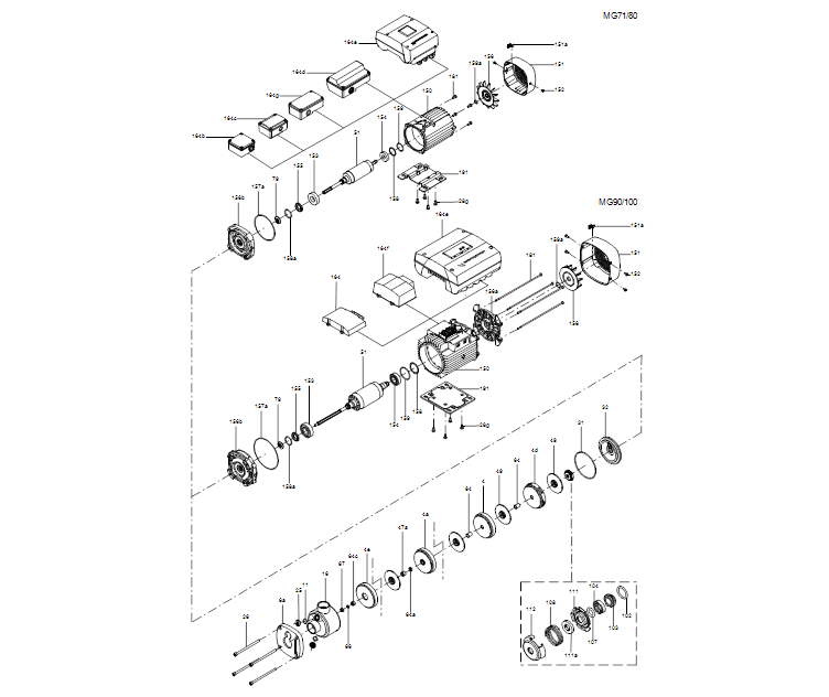
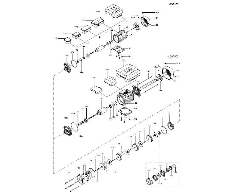
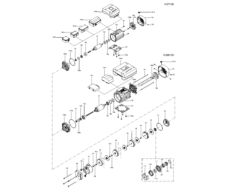
Kompakte, zuverlässige, horizontale, mehrstufige, normalsaugende Kreiselpumpe mit axialem Saug- und Druckstutzen. Die medienberührten Bauteile der Pumpe sind aus Edelstahl. Bei der Gleitringdichtung handelt es sich um eine speziell ausgeführte, nicht entlastete O-Ring-Dichtung. Rohrleitungsanschluss über Whithworth-Rohrinnengewinde Rp (ISO 7/1). Die Pumpe ist mit einem 3-phasigen, lüftergekühlten Permanentmagnet-Synchronmotor ausgerüstet. Der Motorwirkungsgrad entspricht der Energieeffizienzklasse IE5 gemäß IEC 60034-30-2. Zur Drehzahlregelung verfügt der Motor über einen Frequenzumrichter und PI-Regler, die im Klemmenkasten des Motors untergebracht sind. Die elektronische Drehzahlregelung ermöglicht eine kontinuierliche Anpassung der Motordrehzahl und damit der Pumpenleistung an den aktuellen Bedarf. Über ein Bedienfeld am Motor-Klemmenkasten kann der Sollwert eingestellt werden. Darüber hinaus kann die Pumpe damit auch auf die Betriebsarten „MIN“, „MAX“ oder „Stopp“ eingestellt werden. Die Zustandsanzeige Grundfos Eye zeigt am Bedienfeld den Betriebszustand der Pumpe wie folgt an:
|
Die Kommunikation mit der Pumpe ist über die App Grundfos GO Remote möglich (optional). Über die Fernsteuerung können weitere Einstellungen vorgenommen und zahlreiche Betriebsparameter ausgelesen werden, wie z. B. „Aktueller Wert“, „Drehzahl", „Leistungsaufnahme“ und „Gesamter Stromverbrauch“. Im Klemmenkasten befinden sich Klemmen für folgende Anschlussmöglichkeiten:
|
| Art der Steuerung: | ||
| Frequency converter: | integriert | |
| Fördermedium: | ||
| Fördermedium: | Wasser | |
| Medientemperaturbereich: | -20 .. 90 °C | |
| Medientemperatur während des Betriebs: | 60 °C | |
| Dichte: | 983.2 kg/m³ | |
| Technische Daten: | ||
| Pumpendrehzahl, auf der die Pumpendaten beruhen: | 3480 1/min | |
| Nennförderstrom: | 3.72 m³/h | |
| Nennförderhöhe: | 80.15 m | |
| Gleitringdichtung: | AQQV | |
| GLRD Code: | AQQV | |
| Zulassungen: | CE,EAC,CURUS,UKCA | |
| Trinkwasserzulassungen: | WRAS,ACS,NSF61,UBA | |
| ISO Abnahmekl.: | ISO9906:2012 3B | |
| Werkstoffe: | ||
| Pumpengehäuse: | Edelstahl | |
| Pumpenmantel: | EN 1.4301 | |
| Pumpengehäuse: | AISI 304 | |
| Laufradwerkstoff: | Edelstahl | |
| Laufrad: | EN 1.4301 | |
| Laufradwerkstoff gemäß ASTM: | AISI 304 | |
| Installation: | ||
| Umgebungstemperatur: | -20 .. 55 °C | |
| Max. Betriebsdruck: | 16 bar | |
| Max. Druck bei vorgegebener Temperatur: | 16 bar / 90 °C | |
| Anschlusstyp: | Rp | |
| Größe des Saugstutzens: | 1 inch | |
| Größe des Druckanschlusses: | 1 inch | |
| Auslassposition: | 12 | |
| Elektrische Daten: | ||
| Std. Motor: | IEC | |
| Baugröße: | 90D | |
| Rated power - P2: | 2.2 kW | |
| Netzfrequenz: | 50 / 60 Hz | |
| Geeignet für 50/60 Hz: | ja | |
| Bemessungsspannung: | 3 x 380-500 V | |
| Betriebsfaktor: | 0.00 | |
| Nennstrom: | 4.15-3.4 A | |
| Nenndrehzahl: | 2900 - 4000 1/min | |
| Schutzart (gemäß IEC 34-5): | IP55 | |
| Isolationsklasse (IEC 85): | F | |
| Sonstiges: | ||
| Position des Klemmkastens: | 12 Uhr | |
| Mindesteffizienzindex MEI ≥: | 0.7 | |
| Nettogewicht: | 21.7 kg | |
| Bruttogewicht: | 23.6 kg | |
| Herkunftsland: | HU | |
| Zolltarif Nr.: | 84137075 | |
Videos
Hier können Sie Videos hinzufügen.
Versand & Zahlung
Schneller und sicherer Versand ganz Europaweit
Wir versenden Ihre Bestellungen zuverlässig mit unseren Premium-Partnern DHL, DPD und Schenker. So erreichen Ihre Pakete Sie im Handumdrehen – ob um die Ecke oder an die entlegenste Adresse Europas.
Zahlungsarten
Wählen Sie aus unseren sicheren und flexiblen Zahlungsoptionen:
Rechnung für Geschäftskunden (B2B) – Zahlung nach Freigabe Ihrer Bestellung
PayPal – schnell und einfach, ohne direkte Weitergabe Ihrer Kontodaten
Vorauskasse – Überweisen Sie den Betrag im Voraus, wir versenden nach Zahlungseingang
Kreditkarte (Visa, MasterCard, American Express) – sicher und sofort belastbar
Alle Zahlarten sind durch moderne Verschlüsselungstechnologien geschützt und garantieren Ihnen maximale Sicherheit und Komfort.
GRUNDFOS BLOCKPUMPE CME 3-8 A-R-I-V-AQQV S-A-D-N -Art. 98396707
GRUNDFOS BLOCKPUMPE CME 3-8 A-R-I-V-AQQV S-A-D-N -Art. 98396707
Unsere Vorteile
- Faire Preise – das ganze Jahr
- Top-Markenqualität von führenden Herstellern
- Sicherer & transparenter Versand
- 2 % Skonto bei Zahlung per Vorkasse
- Kompetente Beratung – telefonisch, per Mail oder persönlich
Informationen
CME 3-8 A-R-I-V-AQQV S-A-D-N
Kompakte, zuverlässige, horizontale, mehrstufige, normalsaugende Kreiselpumpe mit axialem Saug- und Druckstutzen. Die medienberührten Bauteile der Pumpe sind aus Edelstahl. Bei der Gleitringdichtung handelt es sich um eine speziell ausgeführte, nicht entlastete O-Ring-Dichtung. Rohrleitungsanschluss über Whithworth-Rohrinnengewinde Rp (ISO 7/1). Die Pumpe ist mit einem 3-phasigen, lüftergekühlten Permanentmagnet-Synchronmotor ausgerüstet. Der Motorwirkungsgrad entspricht der Energieeffizienzklasse IE5 gemäß IEC 60034-30-2. Zur Drehzahlregelung verfügt der Motor über einen Frequenzumrichter und PI-Regler, die im Klemmenkasten des Motors untergebracht sind. Die elektronische Drehzahlregelung ermöglicht eine kontinuierliche Anpassung der Motordrehzahl und damit der Pumpenleistung an den aktuellen Bedarf. Über ein Bedienfeld am Motor-Klemmenkasten kann der Sollwert eingestellt werden. Darüber hinaus kann die Pumpe damit auch auf die Betriebsarten „MIN“, „MAX“ oder „Stopp“ eingestellt werden. Die Zustandsanzeige Grundfos Eye zeigt am Bedienfeld den Betriebszustand der Pumpe wie folgt an:
|
Die Kommunikation mit der Pumpe ist über die App Grundfos GO Remote möglich (optional). Über die Fernsteuerung können weitere Einstellungen vorgenommen und zahlreiche Betriebsparameter ausgelesen werden, wie z. B. „Aktueller Wert“, „Drehzahl", „Leistungsaufnahme“ und „Gesamter Stromverbrauch“. Im Klemmenkasten befinden sich Klemmen für folgende Anschlussmöglichkeiten:
|
| Art der Steuerung: | ||
| Frequency converter: | integriert | |
| Fördermedium: | ||
| Fördermedium: | Wasser | |
| Medientemperaturbereich: | -20 .. 90 °C | |
| Medientemperatur während des Betriebs: | 60 °C | |
| Dichte: | 983.2 kg/m³ | |
| Technische Daten: | ||
| Pumpendrehzahl, auf der die Pumpendaten beruhen: | 3480 1/min | |
| Nennförderstrom: | 3.72 m³/h | |
| Nennförderhöhe: | 80.15 m | |
| Gleitringdichtung: | AQQV | |
| GLRD Code: | AQQV | |
| Zulassungen: | CE,EAC,CURUS,UKCA | |
| Trinkwasserzulassungen: | WRAS,ACS,NSF61,UBA | |
| ISO Abnahmekl.: | ISO9906:2012 3B | |
| Werkstoffe: | ||
| Pumpengehäuse: | Edelstahl | |
| Pumpenmantel: | EN 1.4301 | |
| Pumpengehäuse: | AISI 304 | |
| Laufradwerkstoff: | Edelstahl | |
| Laufrad: | EN 1.4301 | |
| Laufradwerkstoff gemäß ASTM: | AISI 304 | |
| Installation: | ||
| Umgebungstemperatur: | -20 .. 55 °C | |
| Max. Betriebsdruck: | 16 bar | |
| Max. Druck bei vorgegebener Temperatur: | 16 bar / 90 °C | |
| Anschlusstyp: | Rp | |
| Größe des Saugstutzens: | 1 inch | |
| Größe des Druckanschlusses: | 1 inch | |
| Auslassposition: | 12 | |
| Elektrische Daten: | ||
| Std. Motor: | IEC | |
| Baugröße: | 90D | |
| Rated power - P2: | 2.2 kW | |
| Netzfrequenz: | 50 / 60 Hz | |
| Geeignet für 50/60 Hz: | ja | |
| Bemessungsspannung: | 3 x 380-500 V | |
| Betriebsfaktor: | 0.00 | |
| Nennstrom: | 4.15-3.4 A | |
| Nenndrehzahl: | 2900 - 4000 1/min | |
| Schutzart (gemäß IEC 34-5): | IP55 | |
| Isolationsklasse (IEC 85): | F | |
| Sonstiges: | ||
| Position des Klemmkastens: | 12 Uhr | |
| Mindesteffizienzindex MEI ≥: | 0.7 | |
| Nettogewicht: | 21.7 kg | |
| Bruttogewicht: | 23.6 kg | |
| Herkunftsland: | HU | |
| Zolltarif Nr.: | 84137075 | |
Videos
Videos
Hier können Sie Videos hinzufügen.
Downloads
Versand & Zahlung
Versand & Zahlung
Schneller und sicherer Versand ganz Europaweit
Wir versenden Ihre Bestellungen zuverlässig mit unseren Premium-Partnern DHL, DPD und Schenker. So erreichen Ihre Pakete Sie im Handumdrehen – ob um die Ecke oder an die entlegenste Adresse Europas.
Zahlungsarten
Wählen Sie aus unseren sicheren und flexiblen Zahlungsoptionen:
Rechnung für Geschäftskunden (B2B) – Zahlung nach Freigabe Ihrer Bestellung
PayPal – schnell und einfach, ohne direkte Weitergabe Ihrer Kontodaten
Vorauskasse – Überweisen Sie den Betrag im Voraus, wir versenden nach Zahlungseingang
Kreditkarte (Visa, MasterCard, American Express) – sicher und sofort belastbar
Alle Zahlarten sind durch moderne Verschlüsselungstechnologien geschützt und garantieren Ihnen maximale Sicherheit und Komfort.


