DP10.50 .15.E.2.50B
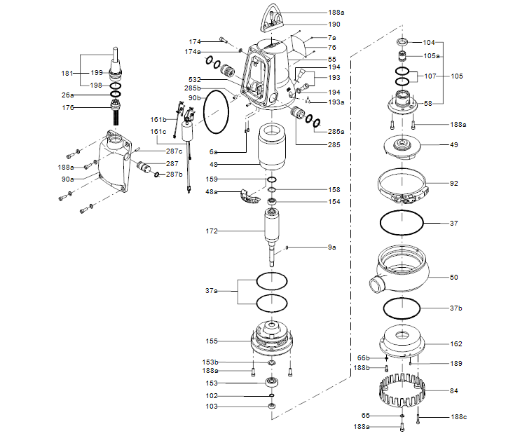
Schmutzwasser-Tauchmotorpumpe aus Grauguss.
Anwendungsgebiet:
Schmutz- und Niederschlagswasser mit faserigen und abrasiven Bestandteilen.
Vertikales, einstufiges Blockaggregat für Nassaufstellung. Mit Tragegriff, 10 m Kabel, vollautomatischer Steuerung und freiem Kabelende. Das offene Mehrkanallaufrad hat einen freien Durchgang von 10 mm.
Steuerung über integrierte Niveaugeber. Die einzigartige AUTOADAPT-Funktion schaltet vollautomatisch ein und aus. Die AUTOADAPT-Pumpen verfügen serienmäßig über Trockenlaufschutz, Motorschutz, automatischen Pumpenwechselbetrieb bei bis zu 4 Pumpen, einen regelmäßigen Test- bzw. Probelauf, sowie über eine zufällig generierte Einschaltverzögerung bei Stromausfall.
Für den Einsatz im explosionsgefährdeten Bereich verfügt die Pumpe in Version E u.a. über eine serienmäßig eingebaute Ex-Trennbarriere.
Doppeltes Dichtungssystem als kompakte Cartridge-/ Patronendichtung. Ölsperrkammer gefüllt mit physiologisch unbedenklichem Spezialöl, von außen kontrollierbar.
Der Motor hat 2 Satz Thermoschalter zur Temperaturüberwachung in der Wicklung und ist ausgelegt für S1 - und S3 - Betrieb im eingetauchten Zustand.
Kabeleinführung: über Edelstahlsteckverschraubung, Kabel längs-wasserdicht vergossen.
Servicefreundliches Edelstahlspannband zur schnellen Trennung von Motor und Hydraulik.
Die Pumpe hat einen R 2Druckstutzen für den transportablen sowie stationären Einsatz in Schächten. Der Druckstutzen kann in zwei Stellungen (um 180°gedreht) zum Motor montiert werden.
|
separate Steuerung und Niveauerfassung möglich
|
von Wechsel- und Spitzenlastbetrieb
|
Zubehör:
Über das Erweiterungsmodul CIU als dauerhafte Schnittstelle oder das PC Tool Link als vorübergehende Schnittstelle können sämtliche Messdaten ausgewertet und Änderungen der werkseitigen Einstellungen vorgenommen werden.
| Fördermedium: | ||
| Medientemperaturbereich: | 0 .. 40 °C | |
| Medientemperatur während des Betriebs: | 20 °C | |
| Dichte: | 998.2 kg/m³ | |
| Technische Daten: | ||
| Nennförderstrom: | 6.65 l/s | |
| Maximaler Förderstrom: | 11.9 l/s | |
| Nennförderhöhe: | 13.4 m | |
| Laufradtyp: | SEMI OPEN | |
| Maximale Partikelgröße: | 10 mm | |
| Gleitringdichtung: | SiC/SiC | |
| Max. hydraulische Effizienz: | 66 % | |
| ISO Abnahmekl.: | ISO9906:2012 3B2 | |
| Werkstoffe: | ||
| Pumpengehäuse: | Grauguss | |
| Pumpenmantel: | EN-JL-1030 | |
| Laufradwerkstoff: | Grauguss | |
| Laufrad: | EN-GJS-500-7 | |
| Installation: | ||
| Umgebungstemperatur: | 0 .. 40 °C | |
| Max. Betriebsdruck: | 6 bar | |
| Anschlusstyp: | R | |
| Anschluss Druckstutzen: | R 2 | |
| Nenndruckstufe: | PN 10 | |
| Maximum installation depth: | 7 m | |
| Auto coupling: | 97644486 | |
| Elektrische Daten: | ||
| Leistungsaufnahme P1: | 2.2 kW | |
| Rated power - P2: | 1.5 kW | |
| Netzfrequenz: | 50 Hz | |
| Bemessungsspannung: | 3 x 400-415 V | |
| Spannungstoleranz: | +6/-10 % | |
| Max Starts pro Stunde: | 30 | |
| Bemessungsstrom: | 3.8 A | |
| Nennstrom bei 3/4 Ladung: | 3 A | |
| Nennstrom bei 1/2 Ladung: | 2.4 A | |
| Anlaufstrom: | 21 A | |
| Strom bei Leerlauf: | 1.9 A | |
| Cos phi - Leistungsfaktor: | 0.88 | |
| Cos phi bei Nulllast: | 0.29 | |
| Cos phi bei 3/4 Last: | 0.81 | |
| Cos phi bei 1/2 Last: | 0.71 | |
| Bemessungsdrehzahl: | 2720 1/min | |
| Anlaufmoment: | 11 Nm | |
| Kippmoment des Motors: | 12 Nm | |
| Trägheitsmoment: | 0.0036 kg m² | |
| Motorwirkungsgrad bei Vollast: | 67 % | |
| Motorwirkungsgrad bei 3/4-Last: | 68 % | |
| Motorwirkungsgrad bei halber Last: | 63 % | |
| Motorpole: | 2 | |
| Einschaltart: | Direct-on-line (DOL) | |
| Schutzart (gemäß IEC 34-5): | IP68 | |
| Isolationsklasse (IEC 85): | F | |
| Explosionsgeschützt: | nein | |
| Motorschutz: | Thermoschalter (Bi-Metall) | |
| Power cable type: | Lyniflex | |
| Length of power cable: | 10 m | |
| Netzstecker: | Ohne Stecker | |
| Sonstiges: | ||
| Nettogewicht: | 47.5 kg | |
| Bruttogewicht: | 52.9 kg | |
| Dänische VVS Nr.: | 391291632 | |
| Schwedische RSK Nr.: | 5885994 | |
| Finische LVI Nr.: | 4822615 | |
| Norwegische NRF Nr.: | 9045583 | |
| Herkunftsland: | HU | |
| Zolltarif Nr.: | 84137021 |
Videos
Hier können Sie Videos hinzufügen.
Versand & Zahlung
Schneller und sicherer Versand ganz Europaweit
Wir versenden Ihre Bestellungen zuverlässig mit unseren Premium-Partnern DHL, DPD und Schenker. So erreichen Ihre Pakete Sie im Handumdrehen – ob um die Ecke oder an die entlegenste Adresse Europas.
Zahlungsarten
Wählen Sie aus unseren sicheren und flexiblen Zahlungsoptionen:
Rechnung für Geschäftskunden (B2B) – Zahlung nach Freigabe Ihrer Bestellung
PayPal – schnell und einfach, ohne direkte Weitergabe Ihrer Kontodaten
Vorauskasse – Überweisen Sie den Betrag im Voraus, wir versenden nach Zahlungseingang
Kreditkarte (Visa, MasterCard, American Express) – sicher und sofort belastbar
Alle Zahlarten sind durch moderne Verschlüsselungstechnologien geschützt und garantieren Ihnen maximale Sicherheit und Komfort.
GRUNDFOS Tauchmotorpumpe DP10.50 .15.E.2.50B -Art. 96877503
GRUNDFOS Tauchmotorpumpe DP10.50 .15.E.2.50B -Art. 96877503
Unsere Vorteile
- Faire Preise – das ganze Jahr
- Top-Markenqualität von führenden Herstellern
- Sicherer & transparenter Versand
- 2 % Skonto bei Zahlung per Vorkasse
- Kompetente Beratung – telefonisch, per Mail oder persönlich
Informationen
DP10.50 .15.E.2.50B
Schmutzwasser-Tauchmotorpumpe aus Grauguss.
Anwendungsgebiet:
Schmutz- und Niederschlagswasser mit faserigen und abrasiven Bestandteilen.
Vertikales, einstufiges Blockaggregat für Nassaufstellung. Mit Tragegriff, 10 m Kabel, vollautomatischer Steuerung und freiem Kabelende. Das offene Mehrkanallaufrad hat einen freien Durchgang von 10 mm.
Steuerung über integrierte Niveaugeber. Die einzigartige AUTOADAPT-Funktion schaltet vollautomatisch ein und aus. Die AUTOADAPT-Pumpen verfügen serienmäßig über Trockenlaufschutz, Motorschutz, automatischen Pumpenwechselbetrieb bei bis zu 4 Pumpen, einen regelmäßigen Test- bzw. Probelauf, sowie über eine zufällig generierte Einschaltverzögerung bei Stromausfall.
Für den Einsatz im explosionsgefährdeten Bereich verfügt die Pumpe in Version E u.a. über eine serienmäßig eingebaute Ex-Trennbarriere.
Doppeltes Dichtungssystem als kompakte Cartridge-/ Patronendichtung. Ölsperrkammer gefüllt mit physiologisch unbedenklichem Spezialöl, von außen kontrollierbar.
Der Motor hat 2 Satz Thermoschalter zur Temperaturüberwachung in der Wicklung und ist ausgelegt für S1 - und S3 - Betrieb im eingetauchten Zustand.
Kabeleinführung: über Edelstahlsteckverschraubung, Kabel längs-wasserdicht vergossen.
Servicefreundliches Edelstahlspannband zur schnellen Trennung von Motor und Hydraulik.
Die Pumpe hat einen R 2Druckstutzen für den transportablen sowie stationären Einsatz in Schächten. Der Druckstutzen kann in zwei Stellungen (um 180°gedreht) zum Motor montiert werden.
|
separate Steuerung und Niveauerfassung möglich
|
von Wechsel- und Spitzenlastbetrieb
|
Zubehör:
Über das Erweiterungsmodul CIU als dauerhafte Schnittstelle oder das PC Tool Link als vorübergehende Schnittstelle können sämtliche Messdaten ausgewertet und Änderungen der werkseitigen Einstellungen vorgenommen werden.
| Fördermedium: | ||
| Medientemperaturbereich: | 0 .. 40 °C | |
| Medientemperatur während des Betriebs: | 20 °C | |
| Dichte: | 998.2 kg/m³ | |
| Technische Daten: | ||
| Nennförderstrom: | 6.65 l/s | |
| Maximaler Förderstrom: | 11.9 l/s | |
| Nennförderhöhe: | 13.4 m | |
| Laufradtyp: | SEMI OPEN | |
| Maximale Partikelgröße: | 10 mm | |
| Gleitringdichtung: | SiC/SiC | |
| Max. hydraulische Effizienz: | 66 % | |
| ISO Abnahmekl.: | ISO9906:2012 3B2 | |
| Werkstoffe: | ||
| Pumpengehäuse: | Grauguss | |
| Pumpenmantel: | EN-JL-1030 | |
| Laufradwerkstoff: | Grauguss | |
| Laufrad: | EN-GJS-500-7 | |
| Installation: | ||
| Umgebungstemperatur: | 0 .. 40 °C | |
| Max. Betriebsdruck: | 6 bar | |
| Anschlusstyp: | R | |
| Anschluss Druckstutzen: | R 2 | |
| Nenndruckstufe: | PN 10 | |
| Maximum installation depth: | 7 m | |
| Auto coupling: | 97644486 | |
| Elektrische Daten: | ||
| Leistungsaufnahme P1: | 2.2 kW | |
| Rated power - P2: | 1.5 kW | |
| Netzfrequenz: | 50 Hz | |
| Bemessungsspannung: | 3 x 400-415 V | |
| Spannungstoleranz: | +6/-10 % | |
| Max Starts pro Stunde: | 30 | |
| Bemessungsstrom: | 3.8 A | |
| Nennstrom bei 3/4 Ladung: | 3 A | |
| Nennstrom bei 1/2 Ladung: | 2.4 A | |
| Anlaufstrom: | 21 A | |
| Strom bei Leerlauf: | 1.9 A | |
| Cos phi - Leistungsfaktor: | 0.88 | |
| Cos phi bei Nulllast: | 0.29 | |
| Cos phi bei 3/4 Last: | 0.81 | |
| Cos phi bei 1/2 Last: | 0.71 | |
| Bemessungsdrehzahl: | 2720 1/min | |
| Anlaufmoment: | 11 Nm | |
| Kippmoment des Motors: | 12 Nm | |
| Trägheitsmoment: | 0.0036 kg m² | |
| Motorwirkungsgrad bei Vollast: | 67 % | |
| Motorwirkungsgrad bei 3/4-Last: | 68 % | |
| Motorwirkungsgrad bei halber Last: | 63 % | |
| Motorpole: | 2 | |
| Einschaltart: | Direct-on-line (DOL) | |
| Schutzart (gemäß IEC 34-5): | IP68 | |
| Isolationsklasse (IEC 85): | F | |
| Explosionsgeschützt: | nein | |
| Motorschutz: | Thermoschalter (Bi-Metall) | |
| Power cable type: | Lyniflex | |
| Length of power cable: | 10 m | |
| Netzstecker: | Ohne Stecker | |
| Sonstiges: | ||
| Nettogewicht: | 47.5 kg | |
| Bruttogewicht: | 52.9 kg | |
| Dänische VVS Nr.: | 391291632 | |
| Schwedische RSK Nr.: | 5885994 | |
| Finische LVI Nr.: | 4822615 | |
| Norwegische NRF Nr.: | 9045583 | |
| Herkunftsland: | HU | |
| Zolltarif Nr.: | 84137021 |
Videos
Videos
Hier können Sie Videos hinzufügen.
Downloads
Versand & Zahlung
Versand & Zahlung
Schneller und sicherer Versand ganz Europaweit
Wir versenden Ihre Bestellungen zuverlässig mit unseren Premium-Partnern DHL, DPD und Schenker. So erreichen Ihre Pakete Sie im Handumdrehen – ob um die Ecke oder an die entlegenste Adresse Europas.
Zahlungsarten
Wählen Sie aus unseren sicheren und flexiblen Zahlungsoptionen:
Rechnung für Geschäftskunden (B2B) – Zahlung nach Freigabe Ihrer Bestellung
PayPal – schnell und einfach, ohne direkte Weitergabe Ihrer Kontodaten
Vorauskasse – Überweisen Sie den Betrag im Voraus, wir versenden nach Zahlungseingang
Kreditkarte (Visa, MasterCard, American Express) – sicher und sofort belastbar
Alle Zahlarten sind durch moderne Verschlüsselungstechnologien geschützt und garantieren Ihnen maximale Sicherheit und Komfort.


