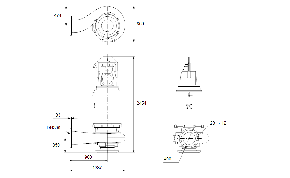
S2.100.300.1250.6.72M.S.483.G.EX.D.61H
Die Pumpe ist für die Nassaufstellung im Aussetzbetrieb oder Dauerbetrieb bestimmt. Zweikanallaufrad mit einem freien Kugeldurchgang von 100 mm. Mit SmartTrim-System für die Anpassung des Laufradspalts zur Erhaltung der maximalen Leistung über die gesamte Lebensdauer der Pumpe. Zur Erleichterung des Transports und der Aufstellung ist die Pumpe mit einem robusten Transportbügel ausgerüstet. Mit Grundfos SmartSeal-Dichtungssystem für einen leckagefreien Anschluss an einen Kupplungsfußkrümmer. Rohrleitungsanschluss über Flansch DIN. Die Pumpe ist explosionsgeschützt ausgeführt.
| Art der Steuerung: | ||
| Feuchtigkeitssensor: | Y | |
| Wasser-im-Öl-Sensor: | Y | |
| Fördermedium: | ||
| Medientemperaturbereich: | 0 .. 40 °C | |
| Medientemperatur während des Betriebs: | 20 °C | |
| Dichte: | 998.2 kg/m³ | |
| Technische Daten: | ||
| Maximaler Förderstrom: | 416 l/s | |
| Tatsächlicher Laufraddurchmesser: | 483 mm | |
| Laufradtyp: | 2-CHANNEL | |
| Maximale Partikelgröße: | 100 mm | |
| ISO Abnahmekl.: | ISO9906:2012 3B | |
| Lifting height class: | M | |
| Werkstoffe: | ||
| Pumpengehäuse: | Kugelgraphit | |
| Pumpenmantel: | EN 1563 EN-GJS-500-7 | |
| Pumpengehäuse: | ASTM A536 70-50-05 | |
| Laufradwerkstoff: | Schmiedeeisen | |
| Laufrad: | EN 1563 EN-GJS-500-7 | |
| Laufradwerkstoff gemäß ASTM: | ASTM A536 70-50-05 | |
| Motor: | Cast iron | |
| EN 1561 EN-GJL-250 | ||
| ASTM A48 35B | ||
| GLRD: | SIC | |
| Secondary shaft seal: | SIC-CARBON | |
| Installation: | ||
| Umgebungstemperatur: | 0 .. 40 °C | |
| Anschlusstyp: | DIN | |
| Größe des Druckanschlusses: | DN 300 | |
| Nenndruckstufe: | PN 10 | |
| Maximum installation depth: | 20 m | |
| Auto coupling: | 96782484 | |
| Elektrische Daten: | ||
| Baugröße: | 72 | |
| Leistungsaufnahme P1: | 134 kW | |
| Rated power - P2: | 125 kW | |
| Netzfrequenz: | 60 Hz | |
| Bemessungsspannung: | 3 x 460 V | |
| Spannungstoleranz: | +10/-10 % | |
| Max Starts pro Stunde: | 15 | |
| Nennstrom: | 223/ A | |
| Maximale Stromaufnahme: | 223 A | |
| Anlaufstrom: | 2440 A | |
| Strom bei Leerlauf: | 117 A | |
| Bemessungsdrehzahl: | 1189 1/min | |
| Motorwirkungsgrad bei Vollast: | 93 % | |
| Motorwirkungsgrad bei 3/4-Last: | 93 % | |
| Motorwirkungsgrad bei halber Last: | 92 % | |
| Motorpole: | 6 | |
| Einschaltart: | Y/D | |
| Schutzart (gemäß IEC 34-5): | IP68 | |
| Isolationsklasse (IEC 85): | F | |
| Explosionsgeschützt: | Ja | |
| Ex-Schutz Standard: | Y | |
| Motorschutz: | KLIXON | |
| Power cable type: | H07RN-F AT | |
| Length of power cable: | 10 m | |
| Winding resistance: | 0.024 Ohm | |
| cos phi 1/1: | 0.76 | |
| cos phi 1/2: | 0.60 | |
| cos phi 3/4: | 0.69 | |
| Sonstiges: | ||
| Nettogewicht: | 1850 kg | |
| Bruttogewicht: | 1960 kg |
Videos
Hier können Sie Videos hinzufügen.
Versand & Zahlung
Schneller und sicherer Versand ganz Europaweit
Wir versenden Ihre Bestellungen zuverlässig mit unseren Premium-Partnern DHL, DPD und Schenker. So erreichen Ihre Pakete Sie im Handumdrehen – ob um die Ecke oder an die entlegenste Adresse Europas.
Zahlungsarten
Wählen Sie aus unseren sicheren und flexiblen Zahlungsoptionen:
Rechnung für Geschäftskunden (B2B) – Zahlung nach Freigabe Ihrer Bestellung
PayPal – schnell und einfach, ohne direkte Weitergabe Ihrer Kontodaten
Vorauskasse – Überweisen Sie den Betrag im Voraus, wir versenden nach Zahlungseingang
Kreditkarte (Visa, MasterCard, American Express) – sicher und sofort belastbar
Alle Zahlarten sind durch moderne Verschlüsselungstechnologien geschützt und garantieren Ihnen maximale Sicherheit und Komfort.
GRUNDFOS Tauchmotorpumpe S2.100.300.1250.6.72M.S.483.G.EX.D.61H Art.97685948
GRUNDFOS Tauchmotorpumpe S2.100.300.1250.6.72M.S.483.G.EX.D.61H Art.97685948
Unsere Vorteile
- Faire Preise – das ganze Jahr
- Top-Markenqualität von führenden Herstellern
- Sicherer & transparenter Versand
- 2 % Skonto bei Zahlung per Vorkasse
- Kompetente Beratung – telefonisch, per Mail oder persönlich
Informationen
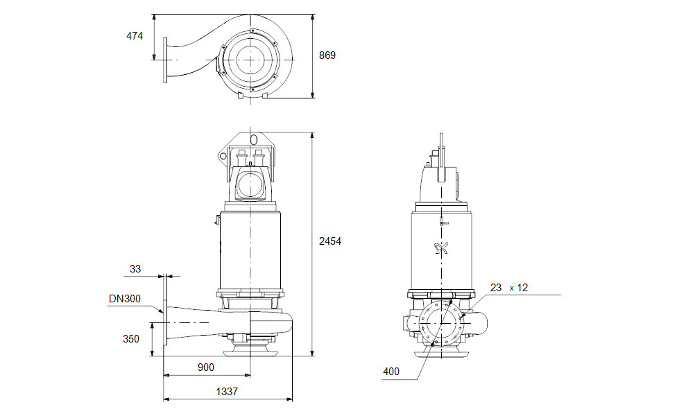
S2.100.300.1250.6.72M.S.483.G.EX.D.61H
Die Pumpe ist für die Nassaufstellung im Aussetzbetrieb oder Dauerbetrieb bestimmt. Zweikanallaufrad mit einem freien Kugeldurchgang von 100 mm. Mit SmartTrim-System für die Anpassung des Laufradspalts zur Erhaltung der maximalen Leistung über die gesamte Lebensdauer der Pumpe. Zur Erleichterung des Transports und der Aufstellung ist die Pumpe mit einem robusten Transportbügel ausgerüstet. Mit Grundfos SmartSeal-Dichtungssystem für einen leckagefreien Anschluss an einen Kupplungsfußkrümmer. Rohrleitungsanschluss über Flansch DIN. Die Pumpe ist explosionsgeschützt ausgeführt.
| Art der Steuerung: | ||
| Feuchtigkeitssensor: | Y | |
| Wasser-im-Öl-Sensor: | Y | |
| Fördermedium: | ||
| Medientemperaturbereich: | 0 .. 40 °C | |
| Medientemperatur während des Betriebs: | 20 °C | |
| Dichte: | 998.2 kg/m³ | |
| Technische Daten: | ||
| Maximaler Förderstrom: | 416 l/s | |
| Tatsächlicher Laufraddurchmesser: | 483 mm | |
| Laufradtyp: | 2-CHANNEL | |
| Maximale Partikelgröße: | 100 mm | |
| ISO Abnahmekl.: | ISO9906:2012 3B | |
| Lifting height class: | M | |
| Werkstoffe: | ||
| Pumpengehäuse: | Kugelgraphit | |
| Pumpenmantel: | EN 1563 EN-GJS-500-7 | |
| Pumpengehäuse: | ASTM A536 70-50-05 | |
| Laufradwerkstoff: | Schmiedeeisen | |
| Laufrad: | EN 1563 EN-GJS-500-7 | |
| Laufradwerkstoff gemäß ASTM: | ASTM A536 70-50-05 | |
| Motor: | Cast iron | |
| EN 1561 EN-GJL-250 | ||
| ASTM A48 35B | ||
| GLRD: | SIC | |
| Secondary shaft seal: | SIC-CARBON | |
| Installation: | ||
| Umgebungstemperatur: | 0 .. 40 °C | |
| Anschlusstyp: | DIN | |
| Größe des Druckanschlusses: | DN 300 | |
| Nenndruckstufe: | PN 10 | |
| Maximum installation depth: | 20 m | |
| Auto coupling: | 96782484 | |
| Elektrische Daten: | ||
| Baugröße: | 72 | |
| Leistungsaufnahme P1: | 134 kW | |
| Rated power - P2: | 125 kW | |
| Netzfrequenz: | 60 Hz | |
| Bemessungsspannung: | 3 x 460 V | |
| Spannungstoleranz: | +10/-10 % | |
| Max Starts pro Stunde: | 15 | |
| Nennstrom: | 223/ A | |
| Maximale Stromaufnahme: | 223 A | |
| Anlaufstrom: | 2440 A | |
| Strom bei Leerlauf: | 117 A | |
| Bemessungsdrehzahl: | 1189 1/min | |
| Motorwirkungsgrad bei Vollast: | 93 % | |
| Motorwirkungsgrad bei 3/4-Last: | 93 % | |
| Motorwirkungsgrad bei halber Last: | 92 % | |
| Motorpole: | 6 | |
| Einschaltart: | Y/D | |
| Schutzart (gemäß IEC 34-5): | IP68 | |
| Isolationsklasse (IEC 85): | F | |
| Explosionsgeschützt: | Ja | |
| Ex-Schutz Standard: | Y | |
| Motorschutz: | KLIXON | |
| Power cable type: | H07RN-F AT | |
| Length of power cable: | 10 m | |
| Winding resistance: | 0.024 Ohm | |
| cos phi 1/1: | 0.76 | |
| cos phi 1/2: | 0.60 | |
| cos phi 3/4: | 0.69 | |
| Sonstiges: | ||
| Nettogewicht: | 1850 kg | |
| Bruttogewicht: | 1960 kg |
Videos
Videos
Hier können Sie Videos hinzufügen.
Downloads
Versand & Zahlung
Versand & Zahlung
Schneller und sicherer Versand ganz Europaweit
Wir versenden Ihre Bestellungen zuverlässig mit unseren Premium-Partnern DHL, DPD und Schenker. So erreichen Ihre Pakete Sie im Handumdrehen – ob um die Ecke oder an die entlegenste Adresse Europas.
Zahlungsarten
Wählen Sie aus unseren sicheren und flexiblen Zahlungsoptionen:
Rechnung für Geschäftskunden (B2B) – Zahlung nach Freigabe Ihrer Bestellung
PayPal – schnell und einfach, ohne direkte Weitergabe Ihrer Kontodaten
Vorauskasse – Überweisen Sie den Betrag im Voraus, wir versenden nach Zahlungseingang
Kreditkarte (Visa, MasterCard, American Express) – sicher und sofort belastbar
Alle Zahlarten sind durch moderne Verschlüsselungstechnologien geschützt und garantieren Ihnen maximale Sicherheit und Komfort.


